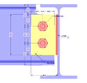
Fahnenblechanschluss
Fahnenblechanschluss
30. Mai 2024
009151
  • RFEM 5
  • RF-JOINTS Stahl | Gelenkig 5
  • RSTAB 8
    • Gelenkig 8
    • Stahlbau
    • Industrie- und Anlagenbau
    • Stahlverbindungen
    • Eurocode 3

Fahnenblechanschluss

Verwendet in
  • Fahnenblechanschlüsse: Theorie und Anwendungsbeispiel
Teilen