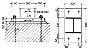
System und Belastung nach [1]
RF-/JOINTS Maske '1.5 Fußplatte und Schweißnähte'
RF-/JOINTS Maske '1.6 Anker'
Fallunterscheidung nach [1]
Maske '3.1 Nachweise - Zusammenfassung' mit Details für Anker im Zug
Maske '3.1 Nachweise - Zusammenfassung' mit Details für Ankerherausziehen
Maske '3.1 Nachweise - Zusammenfassung' mit Details für Betonkegelversagen
Maske '3.1 Nachweise - Zusammenfassung' mit Details für Spaltversagen
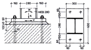
System und Belastung nach [1]
RF-/JOINTS Maske '1.5 Fußplatte und Schweißnähte'
RF-/JOINTS Maske '1.6 Anker'
Fallunterscheidung nach [1]
Maske '3.1 Nachweise - Zusammenfassung' mit Details für Anker im Zug
Maske '3.1 Nachweise - Zusammenfassung' mit Details für Ankerherausziehen
Maske '3.1 Nachweise - Zusammenfassung' mit Details für Betonkegelversagen
Maske '3.1 Nachweise - Zusammenfassung' mit Details für Spaltversagen
30. Mai 2024
009455
  • RFEM 5
  • RSTAB 8
  • RF-JOINTS Stahl | Stützenfuß 5
    • Stützenfuß 8
    • Stahlbau
    • Stahlverbindungen
    • Eurocode 3

System und Belastung nach [1]

Verwendet in
  • Zugbeanspruchte Stütze mit RF-/JOINTS Stahl - Stützenfuß
Teilen
30. Mai 2024
009456
  • RFEM 5
  • RSTAB 8
  • RF-JOINTS Stahl | Stützenfuß 5
    • Stützenfuß 8
    • Stahlbau
    • Stahlverbindungen
    • Eurocode 3
RF-/JOINTS Maske '1.5 Fußplatte und Schweißnähte'
Verwendet in
  • Zugbeanspruchte Stütze mit RF-/JOINTS Stahl - Stützenfuß
Teilen
30. Mai 2024
009457
  • RFEM 5
  • RSTAB 8
  • RF-JOINTS Stahl | Stützenfuß 5
    • Stützenfuß 8
    • Stahlbau
    • Stahlverbindungen
    • Eurocode 3
RF-/JOINTS Maske '1.6 Anker'
Verwendet in
  • Zugbeanspruchte Stütze mit RF-/JOINTS Stahl - Stützenfuß
Teilen
30. Mai 2024
009458
  • RFEM 5
  • RSTAB 8
  • RF-JOINTS Stahl | Stützenfuß 5
    • Stützenfuß 8
    • Stahlbau
    • Stahlverbindungen
    • Eurocode 3
Fallunterscheidung nach [1]
Verwendet in
  • Zugbeanspruchte Stütze mit RF-/JOINTS Stahl - Stützenfuß
Teilen
30. Mai 2024
009459
  • RFEM 5
  • RSTAB 8
  • RF-JOINTS Stahl | Stützenfuß 5
    • Stützenfuß 8
    • Stahlbau
    • Stahlverbindungen
    • Eurocode 3
Maske '3.1 Nachweise - Zusammenfassung' mit Details für Anker im Zug
Verwendet in
  • Zugbeanspruchte Stütze mit RF-/JOINTS Stahl - Stützenfuß
Teilen
30. Mai 2024
009460
  • RFEM 5
  • RSTAB 8
  • RF-JOINTS Stahl | Stützenfuß 5
    • Stützenfuß 8
    • Stahlbau
    • Stahlverbindungen
    • Eurocode 3
Maske '3.1 Nachweise - Zusammenfassung' mit Details für Ankerherausziehen
Verwendet in
  • Zugbeanspruchte Stütze mit RF-/JOINTS Stahl - Stützenfuß
Teilen
30. Mai 2024
009461
  • RFEM 5
  • RSTAB 8
  • RF-JOINTS Stahl | Stützenfuß 5
    • Stützenfuß 8
    • Stahlbau
    • Stahlverbindungen
    • Eurocode 3
Maske '3.1 Nachweise - Zusammenfassung' mit Details für Betonkegelversagen
Verwendet in
  • Zugbeanspruchte Stütze mit RF-/JOINTS Stahl - Stützenfuß
Teilen
30. Mai 2024
009462
  • RFEM 5
  • RSTAB 8
  • RF-JOINTS Stahl | Stützenfuß 5
    • Stützenfuß 8
    • Stahlbau
    • Stahlverbindungen
    • Eurocode 3
Maske '3.1 Nachweise - Zusammenfassung' mit Details für Spaltversagen
Verwendet in
  • Zugbeanspruchte Stütze mit RF-/JOINTS Stahl - Stützenfuß
Teilen