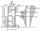
System und Belastung nach [1]
RF-/JOINTS Maske "1.4 Stützenfuß"
RF-/JOINTS Maske "1.5 Stütze"
Maske "3.1 Nachweise - Zusammenfassung" mit Details zur erforderlichen Köchertiefe
Verteilung der Kräfte und Momente innerhalb des Stützenfußes nach [1]
Maske "3.1 Nachweise - Zusammenfassung" mit Details zur Tragfähigkeit des Stützenquerschnitts
Maske "3.1 Nachweise - Zusammenfassung" mit Details zum Nachweis der Stütze im Köcher
System und Belastung nach [1]
RF-/JOINTS Maske "1.4 Stützenfuß"
RF-/JOINTS Maske "1.5 Stütze"
Maske "3.1 Nachweise - Zusammenfassung" mit Details zur erforderlichen Köchertiefe
Verteilung der Kräfte und Momente innerhalb des Stützenfußes nach [1]
Maske "3.1 Nachweise - Zusammenfassung" mit Details zur Tragfähigkeit des Stützenquerschnitts
Maske "3.1 Nachweise - Zusammenfassung" mit Details zum Nachweis der Stütze im Köcher
30. Mai 2024
009634
  • RFEM 5
  • RSTAB 8
  • RF-JOINTS Stahl | Stützenfuß 5
    • Stützenfuß 8
    • Stahlbau
    • Eurocode 3

System und Belastung nach [1]

Verwendet in
  • Eingespannte Stütze mit RF-/JOINTS Stahl - Stützenfuß
Teilen
30. Mai 2024
009635
  • RFEM 5
  • RSTAB 8
  • RF-JOINTS Stahl | Stützenfuß 5
    • Stützenfuß 8
    • Stahlbau
    • Eurocode 3
RF-/JOINTS Maske "1.4 Stützenfuß"
Verwendet in
  • Eingespannte Stütze mit RF-/JOINTS Stahl - Stützenfuß
Teilen
30. Mai 2024
009636
  • RFEM 5
  • RSTAB 8
  • RF-JOINTS Stahl | Stützenfuß 5
    • Stützenfuß 8
    • Stahlbau
    • Eurocode 3
RF-/JOINTS Maske "1.5 Stütze"
Verwendet in
  • Eingespannte Stütze mit RF-/JOINTS Stahl - Stützenfuß
Teilen
30. Mai 2024
009637
  • RFEM 5
  • RSTAB 8
  • RF-JOINTS Stahl | Stützenfuß 5
    • Stützenfuß 8
    • Stahlbau
    • Eurocode 3
Maske "3.1 Nachweise - Zusammenfassung" mit Details zur erforderlichen Köchertiefe
Verwendet in
  • Eingespannte Stütze mit RF-/JOINTS Stahl - Stützenfuß
Teilen
30. Mai 2024
009638
  • RFEM 5
  • RSTAB 8
  • RF-JOINTS Stahl | Stützenfuß 5
    • Stützenfuß 8
    • Stahlbau
    • Eurocode 3
Verteilung der Kräfte und Momente innerhalb des Stützenfußes nach [1]
Verwendet in
  • Eingespannte Stütze mit RF-/JOINTS Stahl - Stützenfuß
Teilen
30. Mai 2024
009639
  • RFEM 5
  • RSTAB 8
  • RF-JOINTS Stahl | Stützenfuß 5
    • Stützenfuß 8
    • Stahlbau
    • Eurocode 3
Maske "3.1 Nachweise - Zusammenfassung" mit Details zur Tragfähigkeit des Stützenquerschnitts
Verwendet in
  • Eingespannte Stütze mit RF-/JOINTS Stahl - Stützenfuß
Teilen
30. Mai 2024
009640
  • RFEM 5
  • RSTAB 8
  • RF-JOINTS Stahl | Stützenfuß 5
    • Stützenfuß 8
    • Stahlbau
    • Eurocode 3
Maske "3.1 Nachweise - Zusammenfassung" mit Details zum Nachweis der Stütze im Köcher
Verwendet in
  • Eingespannte Stütze mit RF-/JOINTS Stahl - Stützenfuß
Teilen