11943x
001430
12. April 2017

Eingespannte Stütze mit RF-/JOINTS Stahl - Stützenfuß

Bei der statischen Analyse eines Tragwerks sind nicht nur die Schnittgrößen und Verformungen zu ermitteln und nachzuweisen. Es ist auch sicherzustellen, dass die Kräfte und Momente im Tragwerk zuverlässig weitergeleitet und in das Fundament übergeben werden. Die Dlubal-Produktpalette bietet eine Reihe von Modulen, mit denen sich Stahl- und Holzverbindungen nachweisen lassen. So besteht in RF-/JOINTS Stahl - Stützenfuß die Möglichkeit, Fußpunkte von gelenkigen oder eingespannten Stahlstützen zu untersuchen. Die Stützenfußplatten können dabei mit oder ohne Steifen ausgeführt werden.

In diesem Beitrag werden die Querschnittsnachweise einer Stütze vorgestellt, die in ein Köcherfundament einbetoniert ist. Dieses Beispiel ist auch in der Literatur [1] beschrieben.

System

Die Stütze liegt als Profil HEB 280 vor. Sie ist in Stahl S 235 JR ausgeführt.

In der RF-/JOINTS Maske 1.4 werden die Geometrieparameter des Stützenfußes gemäß [1] festgelegt. Die gewählte Einspanntiefe beträgt 65 cm.

Die Parameter der Fußplatte sind in Maske 1.5 zu definieren.

Schnittgrößen

Es liegen folgende Bemessungsschnittgrößen vor.
NEd = 396,0 kN
VEd = 21,5 kN
MEd = -118,0 kN

Nachweis der erforderlichen Köchertiefe

Als maßgebend erweist sich die Mindesteinspanntiefe aufgrund der Betonfestigkeit.

Es ist eine Mindesteinspanntiefe von 54,86 cm erforderlich, die mit der gewählten Tiefe von 65 cm gewährleistet ist.

Nachweis der Tragfähigkeit des Stützenquerschnitts

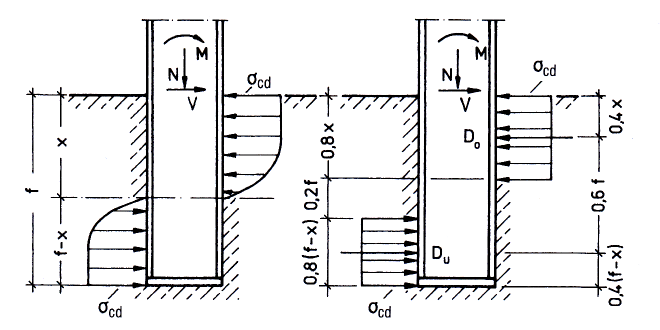
Der Verlauf der Kräfte und Momente innerhalb des Stützenfußes entspricht gemäß [1] folgender Verteilung.

Die Normalspannung aus dem maximalen Moment ermittelt sich wie folgt:

Für die maximale Schubspannung gilt:

Die entsprechenden Spannungen und Nachweise finden sich auch bei den Beanspruchbarkeiten des Querschnitts.

Nachweis der Stütze innerhalb des Köchers

In Bild 5 sind die nachweisrelevanten Stellen dargestellt. Als maßgebend erweist sich der Schnitt B-B auf der Biegedruckseite (Stelle b im Bild 5):

Die Normalspannung in Richtung X ermittelt sich wie folgt:

In Richtung Z wirkt folgende Normalspannung:

Für die maximale Schubspannung gilt:

In den Nachweisdetails der Maske 3.1 finden sich die entsprechenden Spannungen und Ausnutzungen:

Die Untersuchungen werden im Programm durch die Nachweise der Verbindung im Druckbereich und der Schweißnähte vervollständigt, hier aber nicht weiter vertieft.

Zusammenfassung

Mit RF-/JOINTS Stahl - Stützenfuß können die Fußpunkte gelenkiger und eingespannter Stützen nachgewiesen werden. Bei einer in einen Köcher einbetonierten Stütze untersucht das Modul die erforderliche Köchertiefe, die Tragfähigkeit des Stützenquerschnitts und die Beanspruchbarkeit der Stütze innerhalb des Stützenfußes im Hinblick auf die auftretenden Zug- und Druckspannungen. Die Analyse wird komplettiert durch den Nachweis der Beton-Druckbeanspruchbarkeit unter der Fußplatte sowie den Nachweis der Schweißnähte zwischen Fußplatte und Stütze.


Autor

Robert verantwortet die technische Dokumentation. Er sorgt dafür, dass Inhalte klar strukturiert, verständlich aufbereitet und fachlich präzise vermittelt werden.

Links
Referenzen
Downloads


;