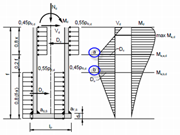
Verteilung der Kräfte und Momente innerhalb des Stützenfußes nach [1]
Verteilung der Kräfte und Momente innerhalb des Stützenfußes nach [1]
30. Mai 2024
009638
  • RFEM 5
  • RSTAB 8
  • RF-JOINTS Stahl | Stützenfuß 5
    • Stützenfuß 8
    • Stahlbau
    • Eurocode 3

Verteilung der Kräfte und Momente innerhalb des Stützenfußes nach [1]

Verwendet in
  • Eingespannte Stütze mit RF-/JOINTS Stahl - Stützenfuß
Teilen