Dialog c/t-Teile
Grundtypen von Querschnittsteilen
Abmessungen des Querschnitts in mm
System und Belastung
  • 3D-Viewer
  • 3D Viewer | Babylon
  • Virtuelle Realität
Maske 1.3 Querschnitte
Dialog Details, Register Tragfähigkeit
Querschnittsklassifizierung - Reine Biegung
Querschnittsklassifizierung - Reiner Druck
Dialog c/t-Teile
Grundtypen von Querschnittsteilen
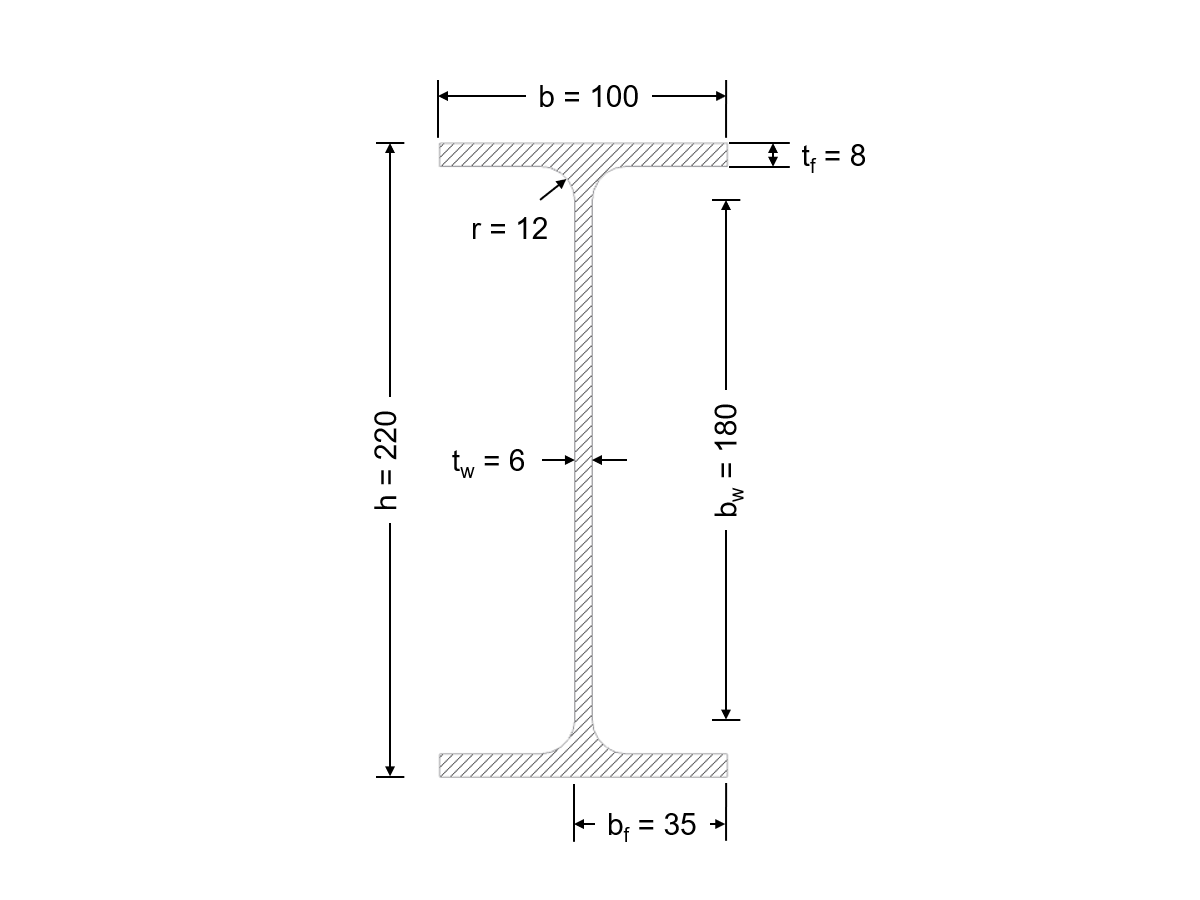
Abmessungen des Querschnitts in mm
System und Belastung
Maske 1.3 Querschnitte
Dialog Details, Register Tragfähigkeit
Querschnittsklassifizierung - Reine Biegung
Querschnittsklassifizierung - Reiner Druck
30. Mai 2024
014724
  • RFEM 5
  • RF-ALUMINIUM 5
  • RSTAB 8
    • ALUMINIUM 8
    • Statik und Tragwerksplanung
    • Eurocode 9

Dialog c/t-Teile

Verwendet in
  • Klassifizierung von Querschnitten nach EN 1999-1-1
Teilen
30. Mai 2024
014717
  • RFEM 5
  • RF-ALUMINIUM 5
  • RSTAB 8
    • ALUMINIUM 8
    • Statik und Tragwerksplanung
    • Eurocode 9
Grundtypen von Querschnittsteilen
Verwendet in
  • Klassifizierung von Querschnitten nach EN 1999-1-1
Teilen
30. Mai 2024
014718
  • RFEM 5
  • RF-ALUMINIUM 5
  • RSTAB 8
    • ALUMINIUM 8
    • Statik und Tragwerksplanung
    • Eurocode 9
Abmessungen des Querschnitts in mm
Verwendet in
  • Klassifizierung von Querschnitten nach EN 1999-1-1
Teilen
30. Mai 2024
014719
  • RFEM 5
  • RF-ALUMINIUM 5
  • RSTAB 8
    • ALUMINIUM 8
    • Statik und Tragwerksplanung
    • Eurocode 9
System und Belastung
Verwendet in
  • Klassifizierung von Querschnitten nach EN 1999-1-1
3D-Modell
Mehr über 3D-Modell
  • Ausleger I-Profil EN-AW 6082 (EP,ET,ER/B) T4
Spezifikationen
Anzahl Knoten 2
Anzahl Linien 1
Anzahl Stäbe 1
Anzahl Flächen 0
Anzahl Volumenkörper 0
Anzahl Lastfälle 2
Anzahl Lastkombinationen 1
Anzahl Ergebniskombinationen 0
Gesamtgewicht 0,016 t
Abmessungen (metrisch) 2,000 x 0,000 x 0,000 m
Abmessungen (imperial) 6.56 x 0 x 0 feet
Teilen
30. Mai 2024
014720
  • RFEM 5
  • RF-ALUMINIUM 5
  • RSTAB 8
    • ALUMINIUM 8
    • Statik und Tragwerksplanung
    • Eurocode 9
Maske 1.3 Querschnitte
Verwendet in
  • Klassifizierung von Querschnitten nach EN 1999-1-1
Teilen
30. Mai 2024
014721
  • RFEM 5
  • RF-ALUMINIUM 5
  • RSTAB 8
    • ALUMINIUM 8
    • Statik und Tragwerksplanung
    • Eurocode 9
Dialog Details, Register Tragfähigkeit
Verwendet in
  • Klassifizierung von Querschnitten nach EN 1999-1-1
Teilen
30. Mai 2024
014722
  • RFEM 5
  • RF-ALUMINIUM 5
  • RSTAB 8
    • ALUMINIUM 8
    • Statik und Tragwerksplanung
    • Eurocode 9
Querschnittsklassifizierung - Reine Biegung
Verwendet in
  • Klassifizierung von Querschnitten nach EN 1999-1-1
Teilen
30. Mai 2024
014723
  • RFEM 5
  • RF-ALUMINIUM 5
  • RSTAB 8
    • ALUMINIUM 8
    • Statik und Tragwerksplanung
    • Eurocode 9
Querschnittsklassifizierung - Reiner Druck
Verwendet in
  • Klassifizierung von Querschnitten nach EN 1999-1-1
Teilen