26224x
001673
19. Januar 2021

Klassifizierung von Querschnitten nach EN 1999-1-1

Die Klassifizierung von Querschnitten soll die Grenzen der Beanspruchbarkeit und Rotationskapazität durch lokales Beulen von Querschnittsteilen feststellen. In EN 1999-1-1, 6.1.4.2 (1) sind vier Klassen definiert.
  • Querschnitte der Klasse 1 können plastische Gelenke oder Fließzonen mit ausreichender plastischer Momententragfähigkeit und Rotationskapazität für plastische Tragwerksberechnung ausbilden.
  • Querschnitte der Klasse 2 können die plastische Momententragfähigkeit entwickeln, haben aber wegen örtlichen Beulens nur eine begrenzte Rotationskapazität.
  • Querschnitte der Klasse 3 erreichen in der äußersten druckbeanspruchten Faser des Aluminiumbauteils die Dehngrenze, können aber wegen örtlichen Beulens nicht die plastische Momententragfähigkeit entwickeln.
  • Querschnitte der Klasse 4 sind solche, bei denen örtliches Beulen vor Erreichen der Dehngrenze in einem oder mehreren Teilen des Querschnitts auftritt.

Grundtypen von Querschnittsteilen

Die Klassifizierung eines Querschnitts ist vom Breiten-Dickenverhältnis b/t seiner druckbeanspruchten Teile abhängig. Bei der Klassifizierung werden gemäß EN 1999-1-1 [1], 6.1.4.2 (6) dünnwandige Teile in folgende Grundtypen eingeteilt.

  • Ebene auskragende Querschnittsteile
  • Ebene innere, beidseitig gehaltene Querschnittsteile
  • Gekrümmte innere, beidseitig gehaltene Querschnittsteile

Diese Querschnittsteile können unausgesteift oder durch Längsrippen, Abkantungen (Lippen) oder Wulste ausgesteift sein (Bild 01).

Schlankheitsparameter

Der Parameter β kennzeichnet die Empfindlichkeit eines unausgesteiften ebenen Querschnittsteils für örtliches Beulen. Er hat nach EN 1999-1-1, 6.1.4.3 (1) die folgenden Werte.

  • Ebene innere, beidseitig gehaltene Querschnittsteile mit konstanter Spannungsverteilung oder ebene auskragende Querschnittsteile mit konstanter Spannungsverteilung oder maximaler Druckspannung am äußeren Rand
    • β = b / t | EN 1999-1-1, (6.1)
  • Ebene innere, beidseitig gehaltene Querschnittsteile, mit Nulldurchgang des Spannungsverlaufs in ihrer Mitte
    • β = 0,40 · b / t | EN 1999-1-1, (6.2)
  • Ebene innere, beidseitig gehaltene Querschnittsteile mit linear veränderlichem Spannungsverlauf oder ebene auskragende Querschnittsteile mit maximaler Druckspannung am inneren Rand
    • β = η · b / t | EN 1999-1-1, (6.3)

Dabei ist:

b Breite des Querschnittsteils
t Querschnittsdicke
η Koeffizient für die Spannungsgradiente(1)
ψ auf die maximale Druckspannung bezogenes Verhältnis der Randspannungen der betrachteten Platte(2)

(1) Der Koeffizient für die Spannungsgradiente wird durch folgende Ausdrücke bestimmt:
η = 0,70 + 0,30 · ψ für 1 ≥ ψ ≥ -1 | EN 1999-1-1, (6.4)
η = 0,80 / (1 - ψ) für ψ < -1 | EN 1999-1-1, (6.5)
(2)Im Allgemeinen ist als Spannungsnulllinie die elastische Spannungsnulllinie anzusetzen, jedoch darf bei der Überprüfung, ob ein Querschnitt der Klasse 1 oder 2 angehört, die plastische Spannungsnulllinie verwendet werden.

Schlankheitsparameter für ebene ausgesteifte Querschnittsteile werden in EN 1999-1-1, 6.1.4.3 (3) angegeben.

EN 1999-1-1, 6.1.4.3 (4) enthält Angaben zu Schlankheitsparametern für flach gekrümmte unausgesteifte innere, beidseitig gehaltene Querschnittsteile. EN 1999-1-1, 6.1.4.3 (5) behandelt Schlankheitsparameter dünnwandiger Rohrprofile.

Klassifizierung von Querschnittsteilen

Die errechneten Schlankheitsparameter β sind zur Klassifizierung mit den Grenzwerten β1 bis β3 zu vergleichen, die nach EN 1999-1-1, Tabelle 6.2 (siehe unten) zu ermitteln sind.

  • ε = √(250 / fo)
  • fo in N/mm²

Werkstoffklassifikation nach Tabelle 3.2 Innenliegende Teilfläche Außenliegende Teilfläche
β1 β2 β3 β1 β2 β3
Klasse A, ungeschweißt 11 16 22 3 4,5 6
Klasse A, geschweißt 9 13 18 2,5 4 5
Klasse B, ungeschweißt 13 16,5 18 3,5 4,5 5
Klasse B, geschweißt 10 13,5 15 3 3,5 4

Bei der Klassifizierung wird zwischen Biegeträgern und Druckstäben unterschieden. Folgende Grenzen sind in EN 1999-1-1, 6.1.4.4 (1) definiert.

Querschnittsteile in Biegeträgern

  • β ≤ β1 → Klasse 1
  • β1 < β ≤ β2 → Klasse 2
  • β2 < β ≤ β3 → Klasse 3
  • β3 < β → Klasse 4

Querschnittsteile in Druckstäben

  • β ≤ β2 → Klasse 1 oder 2
  • β2 < β ≤ β3 → Klasse 3
  • β3 < β → Klasse 4

Jedes vollständig oder teilweise druckbeanspruchte Querschnittsteil ist einer Querschnittsklasse zuzuordnen. Das Querschnittsteil mit der ungünstigsten Querschnittsklasse bestimmt die Klasse des gesamten Querschnitts. Die Einstufung der Querschnitte für Bauteile mit Biege- und Längskräften ist gemäß EN 1999-1-1, 6.3.3 Anmerkung 1 für jede Belastungskomponente getrennt durchzuführen. Für den kombinierten Spannungszustand ist keine Einstufung erforderlich.

Beispiel

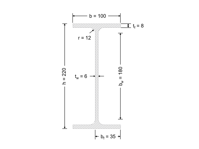
Die Klassifizierung wird für das in Bild 02 gezeigte I-Profil für reine Biegung und reine Druckkraft durchgeführt.

Das System und die Belastung sind in Bild 03 dargestellt.

Material und Abmessungen

  • EN-AW 6082 (EP,ET,ER/B) T4 | EN 1999-1-1, Tabelle 3.2b
  • fo = 110 N/mm²
  • fu = 205 N/mm²
  • Beulklasse B
  • ε = √(250 / fo) = √(250 / 110) = 1,508 | EN 1999-1-1, Tabelle 6.2
  • bw = h - 2 ∙ (tf + r) = 220 - 2 ∙ (8 + 12) = 180 mm
  • bf = 0,5 ∙ (b - tw - 2 ∙ r) = 0,5 ∙ (100 - 6 - 2 ∙ 12) = 35 mm

Querschnittsklassifizierung - Reine Biegung

Steg (innenliegend, ungeschweißt, Beulklasse B)

  • βw = 0,4 ∙ bw / tw = 0,4 ∙ 180 / 6 = 12 | EN 1999-1-1, (6.2)
  • β1 = 13 ∙ ε = 13 ∙ 1,508 = 19,6 | EN 1999-1-1, Tabelle 6.2
  • βw = 12 < β1 = 19,6

Der Steg ist in Querschnittsklasse 1 einzustufen.

Flansch (auskragend, ungeschweißt, Beulklasse B)

  • βf = bf / tf = 35 / 8 = 4,38 | EN 1999-1-1, (6.1)
  • β1 = 3,5 ∙ ε = 3,5 ∙ 1,508 = 5,28 | EN 1999-1-1, Tabelle 6.2
  • βf = 4,38 < β1 = 5,28

Der Flansch ist in Querschnittsklasse 1 einzustufen.

Der gesamte Querschnitt ist für reine Biegung in Querschnittsklasse 1 einzustufen.

Querschnittsklassifizierung - Reine Druckkraft

Steg (innenliegend, ungeschweißt, Beulklasse B)

  • βw = bw / tw = 180 / 6 = 30 | EN 1999-1-1, (6.1)
  • β3 = 18 ∙ ε = 18 ∙ 1,508 = 27,14 | EN 1999-1-1, Tabelle 6.2
  • βw = 30 > β3 = 27,14

Der Steg ist in Querschnittsklasse 4 einzustufen.

Flansch (auskragend, ungeschweißt, Beulklasse B)

  • βf = bf / tf = 35 / 8 = 4,38 | EN 1999-1-1, (6.1)
  • β2 = 4,5 ∙ ε = 4,5 ∙ 1,508 = 6,79 | EN 1999-1-1, Tabelle 6.2
  • βf = 4,38 < β2 = 6,79

Der Flansch ist in Querschnittsklasse 1 oder 2 einzustufen.

Der gesamte Querschnitt ist für reine Druckkraft in Querschnittsklasse 4 einzustufen.

RF-/ALUMINIUM

RF-/ALUMINIUM ermittelt die Breiten-Dicken-Verhältnisse der druckbeanspruchten Querschnittsteile und nimmt die Klassifizierung automatisch vor. Die Querschnittsklasse kann alternativ in der Liste "Querschnittsklassifizierung" der Maske "1.3 Querschnitte" (Bild 04) individuell festgelegt werden. Querschnitte, die nicht vollständig von den Normvorgaben abgedeckt sind, werden in RF-/ALUMINIUM als "Allgemein" eingeordnet und nur in Querschnittsklasse 3 oder 4 eingestuft.

RF-/ALUMINIUM berücksichtigt nur unausgesteifte Querschnittsteile gemäß EN 1999-1-1, Bild 6.1 (a) sowie dünnwandige Rohrprofile nach EN 1999-1-1, 6.1.4.3 (5). Flach gekrümmte, unausgesteifte, innere, beidseitig gehaltene Querschnittsteile nach EN 1999-1-1, 6.1.4.3 (4) können nur bei der Berechnung mit dem vereinfachten analytischen Verfahren berücksichtigt werden. Der Einfluss von Aussteifungen nach EN 1999-1-1, 6.1.4.3 (3) wird nicht berücksichtigt.

Die Einstufung der Querschnitte für Bauteile mit Biege- und Längskräften wird in RF-/ALUMINIUM nach EN 1999-1-1, 6.3.3 Anmerkung 1 für jede Belastungskomponente getrennt durchgeführt. Es ist jedoch auch möglich, für den kombinierten Spannungszustand eine Einstufung durchzuführen. Hierzu ist im Register "Tragfähigkeit" des Dialogs "Details" das Kontrollkästchen "Lastanteile nach 6.3.3 ANMERKUNG 1 und ANMERKUNG 2 separat klassifizieren" zu deaktivieren (Bild 05).

Die Querschnittsklassifizierung wird in RF-/ALUMINIUM detailliert für jedes druckbeanspruchte Querschnittsteil in den Zwischenwerten ausgegeben. Die Querschnittsklassifizierung des behandelten Beispiels für reine Biegung und reinen Druck ist den Bildern 06 und 07 zu entnehmen.


Die Nummerierung der Querschnittsteile kann dem Dialog "c/t-Teile" entnommen werden (Bild 08).


Autor

Sonja arbeitet im Product Engineering und unterstützt zusätzlich im Customer Support. Ihr Fokus liegt auf RSECTION sowie dem Stahl- und Aluminiumbau, wo sie ihr Wissen gezielt einbringt.

Links
Referenzen


;