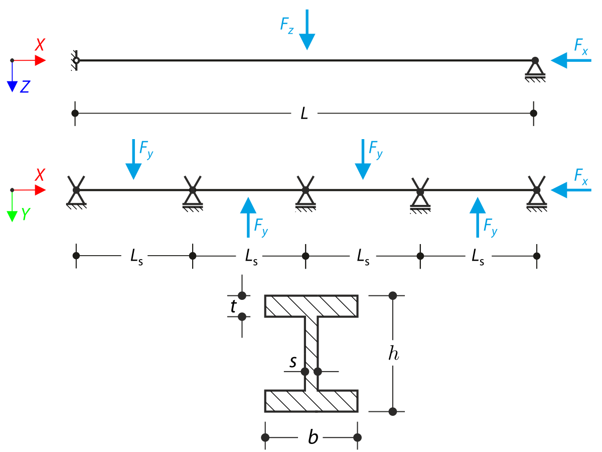
Räumliche Biegung mit Normalkraft und Verwölbung
Räumliche Biegung mit Normalkraft und Verwölbung
9. Juli 2024
048076
  • RFEM 6

Räumliche Biegung mit Normalkraft und Verwölbung

Verwendet in
  • VE0213 durch | Räumliche Biegung mit Normalkraft und Wölbung
Teilen