Beschreibung
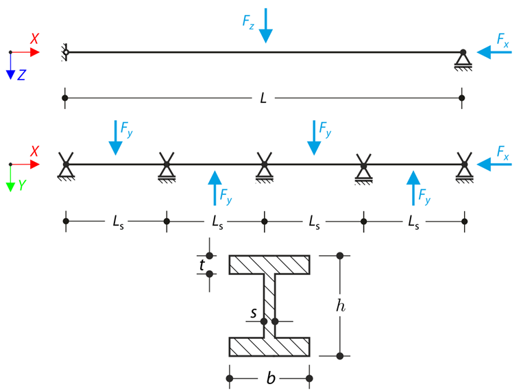
Durchlaufträger mit vier Feldern wird durch Normal- und Biegekräfte (Ersatz von Imperfektionen) belastet. All supports are fork - warping is free. Determine displacements uy and uz, moments My, Mz, Mω and MTpri and rotation φx. Dieses Verifikationsbeispiel basiert auf dem von Gensichen und Lumpe vorgestellten Beispiel (siehe Literatur).
| Material | Steel S355 | Elastizitätsmodul | E | 210000,000 | MPa |
| Schubmodul | G | 81000.000 | MPa | ||
| Geometrie | Beam | Länge | L | 12.000 | m |
| Feld | Ls | 3.000 | m | ||
| Querschnitt | Höhe | h | 400,000 | mm | |
| Breite | F | 180,000 | mm | ||
| Stegdicke | S | 10,000 | mm | ||
| Flanschdicke | t | 14,000 | mm | ||
| Last | Transversal Forces | Fy, Fz | 31.000 | kN | |
| Normalkraft | Fx | 1550.000 | kN | ||
Analytische Lösung
Eine analytische Lösung ist nicht verfügbar. Die Ergebnisse aus der Software S3D werden als Referenz herangezogen.
RFEM- und RSTAB-Einstellungen
- Modeled in RFEM 6.05, RSTAB 9.05
- The element size is lFE= 0.300 m
- Es wird ein isotropes linear-elastisches Materialmodell vorausgesetzt.
- Second-Order Analysis and Large deformation Analysys is used
- Torsional Warping is used in RFEM 6 and RSTAB 9
Ergebnisse
| Größe | S3D | RFEM 6 - Second-Order Analysys | Verhältnis | RFEM 6 - Large Deformation Analysys | Verhältnis |
| uy,max [mm] | 12.600 | 13.334 | 1.058 | 13.242 | 1.051 |
| uz,max [mm] | 45.200 | 44.675 | 0.988 | 46.989 | 1.040 |
| φx,max [mrad] | 11.750 | 12.701 | 1.081 | 12.389 | 1.054 |
| My,max [kNm] | 163.000 | 162.084 | 0,994 | 165.738 | 1.017 |
| Mz,max [kNm] | 44.000 | 46.077 | 1.047 | 45.131 | 1.026 |
| MTpri,max [kNm] | 47.000 | 49.000 | 1.043 | 47.930 | 1.020 |
| MTsec,max [kNm] | 172.000 | 224.071 | 1.303 | 118.061 | 0.686 |
| Mω,max [kNm2] | 1.440 | 1.530 | 1.063 | 1.500 | 1.042 |
Anmerkung: This verification example is not available in Large Deformation Analysis in RSTAB 9 now.
| Größe | S3D | RSTAB 9 - Second-Order Analysys | Verhältnis | RSTAB 9 - Large Deformation Analysys | Verhältnis |
| uy,max [mm] | 12.600 | 13.339 | 1.059 | ||
| uz,max [mm] | 45.200 | 44.660 | 0.988 | ||
| φx,max [mrad] | 11.750 | 12.845 | 1.093 | ||
| My,max [kNm] | 163.000 | 162.064 | 0,994 | ||
| Mz,max [kNm] | 44.000 | 45.251 | 1.028 | ||
| MTpri,max [kNm] | 47.000 | 49.435 | 1.052 | ||
| MTsec,max [kNm] | 172.000 | 137.759 | 0.801 | ||
| Mω,max [kNm2] | 1.440 | 1.536 | 1.067 |