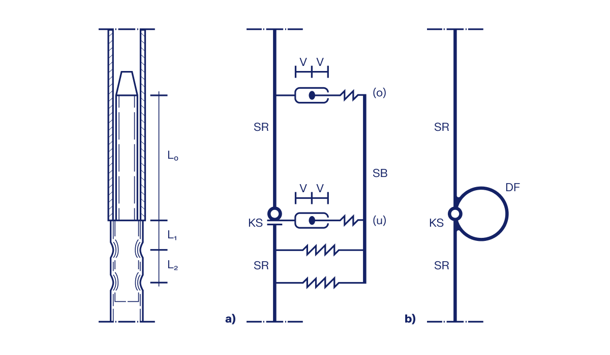
Analyse der Tragmodelleigenschaften und des Übergreifstoßes aus DIBt Newsletter 04/2017 dargestellt.
Analyse der Tragmodelleigenschaften und des Übergreifstoßes aus DIBt Newsletter 04/2017 dargestellt.
12. November 2025
060083
  • RFEM 6

"Übergreifstoß"-Tragmodell (in Anlehnung an DIBt Newsletter 04/2017)

Analyse der Tragmodelleigenschaften und des Übergreifstoßes aus DIBt Newsletter 04/2017 dargestellt.

Verwendet in
  • Modellierung und Bemessung eines Gerüst-Ständerstoßes mit dem Hybridtragmodell nach DIBt Newsletter 4/2017 in RFEM 6 / RSTAB 9
Teilen