178x
002006
4. März 2026

Modellierung und Bemessung eines Gerüst-Ständerstoßes mit dem Hybridtragmodell nach DIBt Newsletter 4/2017 in RFEM 6 / RSTAB 9

In diesem Fachbeitrag erfahren Sie, wie Sie in RFEM 6 / RSTAB 9 Ständerstöße von Gerüsten gemäß DIBt Newsletter 4/2017 modellieren und bemessen können.

Zur Realisierung vieler Bauvorhaben werden Gerüste benötigt, seien es Arbeits-, Trag- oder Schutzgerüste. Zur Gewährleistung der Stabilität, Funktionalität und Sicherheit stellen Normen, wie z.B. die EN 12810 und 12811 spezielle Anforderungen an Entwurf, Bemessung und Ausführung von Gerüsten.

Ein wesentlicher Gesichtspunkt bei der Modellierung und Bemessung solcher Gerüste ist die wirklichkeitsnahe Abbildung der Ständerstöße. Hierfür gibt der DIBt Newsletter 04/2017 [1] einen praxisnahen Leitfaden.

Nachfolgend werden die Modellierungsgrundsätze für Gerüstgelenke gemäß dem DIBt Newsletter dargestellt. Anschließend wird anhand eines Anwendungsbeispiels die Modellierung und Bemessung eines Ständerstoßes in RFEM 6 / RSTAB 9 gezeigt.

Gerüstgelenkmodell gemäß DIBt Newsletter 04/2017

Die Stöße von Gerüstständern weisen ein hochgradig nichtlineares Verformungsverhalten unter kombinierter Biegung und Normalkraft auf. Für die realitätsnahe Abbildung dieser Nichtlinearitäten sind in [1] mehrere Tragmodelle vorgegeben. Im folgenden werden die Tragmodelle für Ständerstöße vom Typ A genauer beleuchtet. Ständerstöße vom Typ B sind in der Regel auf Grundlage von Versuchsergebnissen zu beurteilen und werden in diesem Fachbeitrag nicht thematisiert. Die Typen A und B unterscheiden dabei zwei verschiedene Fertigungsarten der Ständerstöße. Beim Typ A wird der Stoßbolzen im Ständerrohr formschlüssig verpresst. Beim Typ B wird der Stoßbolzen direkt aus dem Ständerrohr selbst geformt.

Typ A Übergreifstoßtragmodell

Das Übergreifstoßtragmodell berücksichtigt die Lose der Verdrehung im Ständerstoß, also das Spiel zwischen Stoßbolzen und anschließendem Ständerrohr. Bei einem einwirkendem Biegemoment muss zunächst die Lose der Verdrehung überwunden werden, bevor effektiv ein Biegemoment übertragen werden kann.

Der maximale Knickwinkel aus der Losen der Verdrehung wird nach folgender Formel berechnet.

Dabei ist vo/u das Versatzmaß, welches wiederum nach folgender Formel berechnet werden kann.

mit:
Do/u...Außendurchmesser des Ständerrohres an Ober- bzw. Unterkante des Übergreifstoßes
to/u...Wanddicke des Ständerrohres an Ober- bzw. Unterkante des Übergreifstoßes
do/u...Außendurchmesser des Stoßbolzens an Ober- bzw. Unterkante des Übergreifstoßes

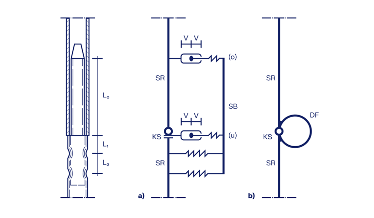
Folgende Abbildung zeigt den Übergreifstoß als Detailmodell (a) und vereinfachtes Modell (b).

  • SR...Ständerrohr
  • KS...Kontaktstoß
  • SB...Stoßbolzen
  • DF...Drehfeder

In Abhängigkeit des Versatzmaßes v und der wirksamen Übergreifungslänge L0 lässt sich der maximale lose Knickwinkel phiLose nach obiger Gleichung berechnen. Vor Erreichen des maximalen losen Knickwinkels findet keine Momentenübertragung im Ständerstoß statt. Nach Erreichen des maximalen losen Knickwinkels findet die Momentenübertragung mit der Drehfedersteifigkeit CSB,d bis zu einem maximalen Verdrehwinkel von phimax statt. In [1] wird eine Drehfedersteifigkeit von CSB,d = 10000 kNcm/rad vorgegeben. Je nach bautechnischer Zulassung können auch andere Werte maßgebend werden.

Die maximale Biegebeanspruchbarkeit des Stoßbolzens ist im Übergreifstoßtragmodell mit MSB,Rd und die maximale Normalkrafttragfähigkeit mit NKS,Rd gekennzeichnet.

Typ A Kontaktstoßtragmodell

Das Kontaktstoßtragmodell berücksichtigt die Kraftübertragung in der Kontaktfläche zwischen oberem und unterem Ständerrohr. Dabei ist die Interaktion zwischen einwirkender Normalkraft und Biegemoment zu berücksichtigen.

Die Kopplung der Ständerrohre darf innerhalb dieses Tragmodells als starr angenommen werden.

Die maximale Biegemomententragfähigkeit MKS,Rd wird im Kontaktstoßtragmodell bei gleichzeitiger Wirkung einer gewissen Drucknormalkraft erreicht. Ist die einwirkende Drucknormalkraft zu klein, stellt sich infolge Biegung früher eine klaffende Fuge ein, welche mit zunehmender Größe zum Gleichgewichtsverlust des Kontaktstoßtragmodells führt. Eine zu große Drucknormalkraft führt hingegen zu einer frühzeitigen Spannungsüberschreitung im Kontaktstoß infolge kombinierter Biegung und Normalkraft.

Bei Überschreitung der maximalen Normalkrafttragfähigkeit NKS,Rd oder der maximalen Biegemomententragfähigkeit MKS,Rd endet die Gültigkeit des Kontaktstoßtragmodells. Eine Ausnahme besteht hierbei, wenn die einwirkende Normalkraft kleiner als 50% des maximalen Normalkraftwiderstandes ist. In diesem Fall ist nach Erreichen der maximalen Biegemomententragfähigkeit eine zusätzliche Relativverdrehung der Ständerrohre von phigrenz = 0,01 rad zulässig.

Typ A Hybridtragmodell

Für eine wirtschaftliche und realistische Modellierung von Ständerstößen können die Eigenschaften der beiden vorgestellten Tragmodelle in einem Hybridtragmodell kombiniert werden. Im Hybridtragmodell erfolgt zunächst eine Kraftübertragung mit starrer Kopplung gemäß Kontaktstoßtragmodell. Beim Erreichen von M,KS,Rd erfolgt ein Übergang in das Übergreifstoßtragmodell. Ein zusätzliches Biegemoment in Höhe von MSB,Rd kann aufgenommen werden infolge dessen eine relative Verdrehung der Ständerrohre stattfindet.

Die M-N-phi Interaktion des Hybridtragmodells kann durch folgendes Diagramm dargestellt werden.

Modellierung in RFEM 6 / RSTAB 9

Die zuvor beschriebenen Tragmodell-Eigenschaften von Typ A Ständerstößen lassen sich in RFEM 6 bzw. RSTAB 9 mittels eines speziellen Nichtlinearitätstyps "Gerüst N" für Stabendgelenke wirklichkeitsnah abbilden. Das Gerüstgelenk beeinflusst die Gelenkbdingungen ux, phiy und phiz. Bei Auswahl des Gerüstgelenks erscheinen zwei weitere Register. Im Register "Gerüstdiagramm | Innenrohr" definieren Sie die Tragmodelleigenschaften des Übergreifstoßes. Im Register "Gerüstdiagramm | Außenrohr" definieren Sie die Tragmodelleigenschaften des Kontaktstoßes.

Anwendungsbeispiel

Nachfolgend wird beispielhaft die Modellierung und Bemessung eines Ständerstoßes nach bauaufsichtlicher Zulassung Z-8.22-921 des DIBt [2] durchgeführt.

Folgende Parameter sind bekannt:

Geometrie:
Parameter Symbol Wert
Außenrohr Durchmesser D 48,3 mm
Außenrohr Wandstärke t 3,2 mm
Innenrohr Durchmesser d 38 mm
Innenrohr Wandstärke ti 4 mm
statisch wirksame Übergreifungslänge L0 200 mm
Schraubengröße -- M12

Materialkennwerte:
Parameter Symbol Wert
Streckgrenze Ständermaterial fy,d 0,32 kN/mm2
Schraubengüte -- 10.9

Schnittgrößen:
Parameter Symbol Wert
Drucknormalkraft NEd (-) -80 kN
Zugnormalkraft NEd (+) 20 kN
Biegemoment MEd 70 kNcm

Widerstände:
Parameter Symbol Wert
Drehfedersteifigkeit CSB,d 9290 kNcm/rad
Druckkraftbeanspruchbarkeit NKS,Rd 83,2 kN
Zugkraftbeanspruchbarkeit ZRd 42,5 kN
Biegebeanspruchbarkeit des Stoßbolzens MSB,Rd 85,3 kNcm

Modellierung Gerüstgelenk

Für die Definition vom "Gerüstdiagramm | Innenrohr" in RFEM 6 / RSTAB 9 werden folgende Werte benötigt:

  • Der maximale Knickwinkel aus der Lose der Verdrehung phiLose

mit

  • Die Biegebeanspruchbarkeit im Stoßbolzen MSB,Rd
  • Der maximaler Knickwinkel im Ständerstoß phimax

Mit diesen Informationen kann das "Gerüstdiagramm | Innenrohr" wie in folgendem Bild gezeigt definiert werden.

Für die Definition vom "Gerüstdiagramm | Außenrohr" in RFEM 6 ist die Biegebeanspruchbarkeit im Kontaktstoß in Abhängigkeit von der einwirkenden Normalkraft zu bestimmen. Hierfür muss zunächst das maximale über KS übertragbare Moment MKS,max nach folgender Gleichung ermittelt werden:

Die Biegebeanspruchung MKS,Rd in Abhängigkeit der einwirkenden Normalkraft berechnet sich dann wie folgt (hier beispielhaft mit eingesetzten Werten für eine einwirkende Normalkraft von 80 kN und einer Druckkraftbeanspruchbarkeit gemäß Zulassung von 83,2 kN):

Aus der Funktion MKS,Rd(NKS,Ed) lässt sich dann das Gerüstdiagramm | Außenrohr gemäß folgendem Bild aufstellen.

Damit ist die Eingabe komplett und das Last-Verformungsverhalten des Gerüstgelenks in RFEM 6 wirklichkeitsnah abgebildet.

Bemessung des Ständerstoßes

Als nächstes ist die Tragfähigkeit des Ständerstoßes unter den gegebenen einwirkenden Schnittgrößen NEd (-) = -80 kN, NEd (+) = 20 kN und MEd = 70 kNcm zu überprüfen. Hierfür sind nach DIBt Newsletter die Momenten- und Normalkrafttragfähigkeit gemäß folgender Gleichungen nachzuweisen:

Die Biegebeanspruchbarkeit MKS,Rd = 6,51 kNcm kann dabei direkt aus dem Gerüstdiagramm | Außenrohr (siehe Bild oben) abgelesen werden.

Des weiteren ist gemäß Zulassung [2] die Tragfähigkeit unter Zugbeanspruchung nach folgender Gleichung nachzuweisen:

Fazit

Die Tragmodelle für Ständerstöße von Gerüsten gemäß [1] wurden beleuchtet. Die Eingabe von Gerüstgelenken in RFEM 6 bzw. RSTAB 9 wurde anhand eines Anwendungsbeispiels erläutert. Durch die Berücksichtigung des nichtlinearen Last-Verformungsverhalten des Gerüstgelenks kann eine wirklichkeitsnahe Schnittgrößenberechnung gewährleistet werden. Anschließend wurde die Tragfähigkeit des Ständerstoßes gemäß bauaufsichtlicher Zulassung nachgewiesen.


Autor

Herr Wanke ist im Kundensupport zuständig für die Betreuung unserer Anwender.

Referenzen


;