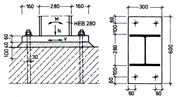
System and Loading According to [1]
Window "1.5 Base Plate and Welds" in RF-/JOINTS
Window "1.6 Anchors" in RF-/JOINTS
Case Distinction According to [1]
Window "3.1 Design - Summary" Including Details of Anchor in Tension
Window "3.1 Design - Summary" Including Details of Anchor Pull Out
Window "3.1 Design - Summary" Including Details of Concrete Cone Failure
Window "3.1 Design - Summary" Including Details of Splitting Failure
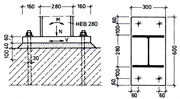
System and Loading According to [1]
Window "1.5 Base Plate and Welds" in RF-/JOINTS
Window "1.6 Anchors" in RF-/JOINTS
Case Distinction According to [1]
Window "3.1 Design - Summary" Including Details of Anchor in Tension
Window "3.1 Design - Summary" Including Details of Anchor Pull Out
Window "3.1 Design - Summary" Including Details of Concrete Cone Failure
Window "3.1 Design - Summary" Including Details of Splitting Failure
2024-05-30
009455
  • RFEM 5
  • RSTAB 8
  • RF-JOINTS Steel | Column Base 5
    • JOINTS Steel | Column Base 8
    • Steel Structures
    • Steel Connections
    • Eurocode 3

System and Loading According to [1]

Used in
  • Columns Subjected to Tensile Stress in RF-/JOINTS Steel – Column Base
Share
2024-05-30
009456
  • RFEM 5
  • RSTAB 8
  • RF-JOINTS Steel | Column Base 5
    • JOINTS Steel | Column Base 8
    • Steel Structures
    • Steel Connections
    • Eurocode 3
Window "1.5 Base Plate and Welds" in RF-/JOINTS
Used in
  • Columns Subjected to Tensile Stress in RF-/JOINTS Steel – Column Base
Share
2024-05-30
009457
  • RFEM 5
  • RSTAB 8
  • RF-JOINTS Steel | Column Base 5
    • JOINTS Steel | Column Base 8
    • Steel Structures
    • Steel Connections
    • Eurocode 3
Window "1.6 Anchors" in RF-/JOINTS
Used in
  • Columns Subjected to Tensile Stress in RF-/JOINTS Steel – Column Base
Share
2024-05-30
009458
  • RFEM 5
  • RSTAB 8
  • RF-JOINTS Steel | Column Base 5
    • JOINTS Steel | Column Base 8
    • Steel Structures
    • Steel Connections
    • Eurocode 3
Case Distinction According to [1]
Used in
  • Columns Subjected to Tensile Stress in RF-/JOINTS Steel – Column Base
Share
2024-05-30
009459
  • RFEM 5
  • RSTAB 8
  • RF-JOINTS Steel | Column Base 5
    • JOINTS Steel | Column Base 8
    • Steel Structures
    • Steel Connections
    • Eurocode 3
Window "3.1 Design - Summary" Including Details of Anchor in Tension
Used in
  • Columns Subjected to Tensile Stress in RF-/JOINTS Steel – Column Base
Share
2024-05-30
009460
  • RFEM 5
  • RSTAB 8
  • RF-JOINTS Steel | Column Base 5
    • JOINTS Steel | Column Base 8
    • Steel Structures
    • Steel Connections
    • Eurocode 3
Window "3.1 Design - Summary" Including Details of Anchor Pull Out
Used in
  • Columns Subjected to Tensile Stress in RF-/JOINTS Steel – Column Base
Share
2024-05-30
009461
  • RFEM 5
  • RSTAB 8
  • RF-JOINTS Steel | Column Base 5
    • JOINTS Steel | Column Base 8
    • Steel Structures
    • Steel Connections
    • Eurocode 3
Window "3.1 Design - Summary" Including Details of Concrete Cone Failure
Used in
  • Columns Subjected to Tensile Stress in RF-/JOINTS Steel – Column Base
Share
2024-05-30
009462
  • RFEM 5
  • RSTAB 8
  • RF-JOINTS Steel | Column Base 5
    • JOINTS Steel | Column Base 8
    • Steel Structures
    • Steel Connections
    • Eurocode 3
Window "3.1 Design - Summary" Including Details of Splitting Failure
Used in
  • Columns Subjected to Tensile Stress in RF-/JOINTS Steel – Column Base
Share