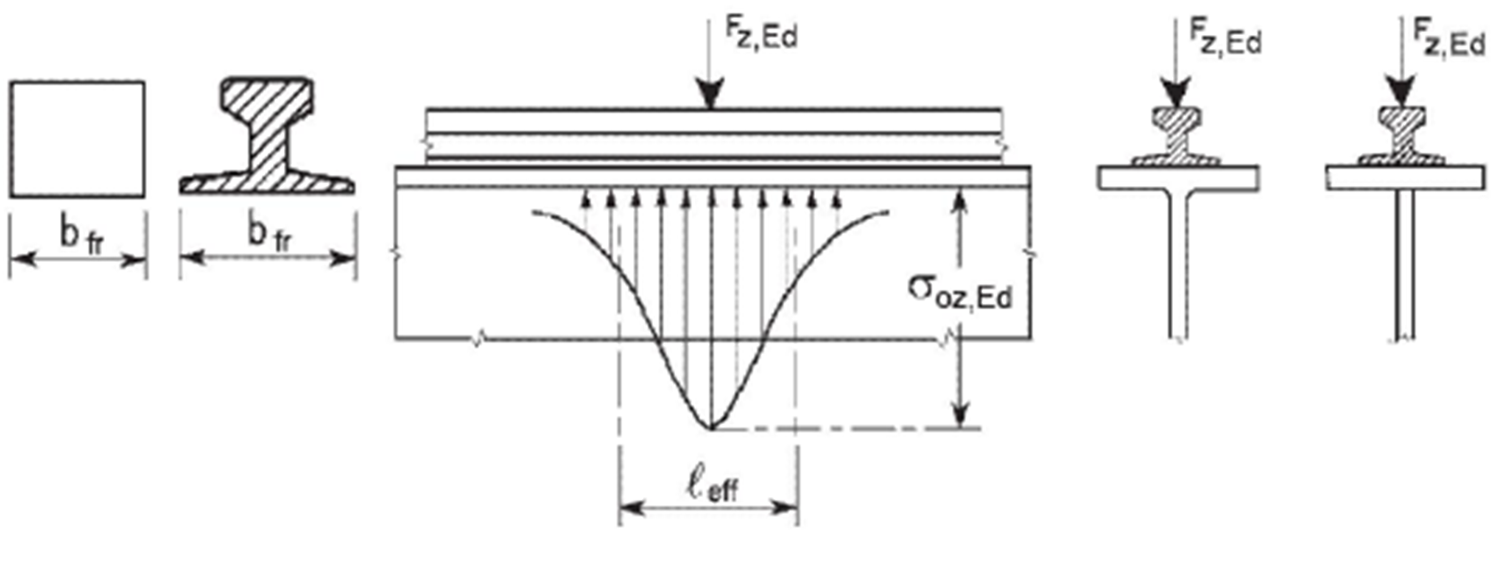
Effective Load Propagation Length
Effective Load Propagation Length
2024-05-30
009720
  • CRANEWAY 8
  • Cranes and Craneways
  • Eurocode 3

Effective Load Propagation Length

Used in
  • Ultimate Limit State Design of Rail Welds of Crane Girders According to EN 1993-6
Share