Verification Example 000105 | 2
  • 3D Viewer
  • 3D Viewer | Babylon
  • Virtual Reality
Equivalent Loads
  • 3D Viewer
  • 3D Viewer | Babylon
  • Virtual Reality
Verification Example 000105 | 2
Equivalent Loads
2024-03-09
010641
  • RFEM 5
  • RSTAB 8

Verification Example 000105 | 2

Used in
  • Verification Example 000105 | 2
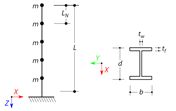
3D Model
More About 3D Model
  • Verification Example 000105 | 2
Specifications
Number of Nodes 6
Number of Members 5
Number of Load Cases 6
Number of Result Combinations 1
Total Weight 0.211 tons
Dimensions (Metric) 0.313 x 0.313 x 5.156 m
Dimensions (Imperial) 1.03 x 1.03 x 16.92 feet
Program Version 8.05.00
Share
0001-01-01
007478
Equivalent Loads
Used in
  • Equivalent Loads
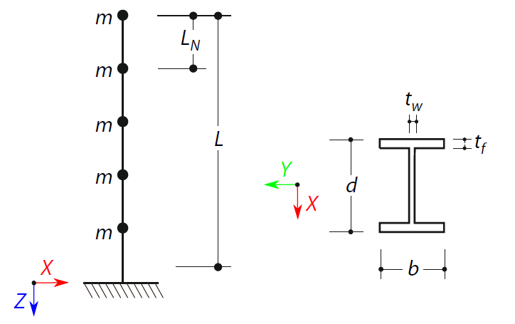
3D Model
More About 3D Model
  • Verification Example 000105 | 2
Specifications
Number of Nodes 6
Number of Members 5
Number of Load Cases 6
Number of Result Combinations 1
Total Weight 0.211 tons
Dimensions (Metric) 0.313 x 0.313 x 5.156 m
Dimensions (Imperial) 1.03 x 1.03 x 16.92 feet
Program Version 8.05.00
Share