Verification Example 000050 | 3
  • 3D Viewer
  • 3D Viewer | Babylon
  • Virtual Reality
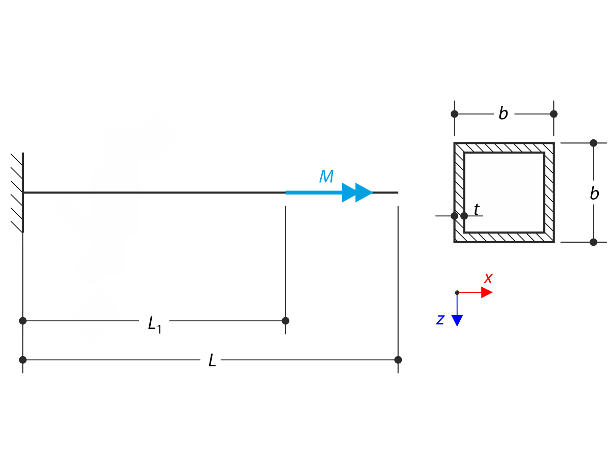
Cantilever Under Torsion Without Warping
  • 3D Viewer
  • 3D Viewer | Babylon
  • Virtual Reality
Verification Example 000050 | 3
Cantilever Under Torsion Without Warping
2024-03-09
010714
  • RFEM 5
  • RSTAB 8

Verification Example 000050 | 3

Used in
  • Verification Example 000050 | 3
3D Model
More About 3D Model
  • Verification Example 000050 | 3
Specifications
Number of Nodes 3
Number of Lines 2
Number of Members 2
Number of Load Cases 1
Total Weight 0.146 tons
Dimensions (Metric) 4.200 x 0.400 x 0.400 m
Dimensions (Imperial) 13.78 x 1.31 x 1.31 feet
Program Version 5.03.00
Share
2024-08-13
007432
Cantilever Under Torsion Without Warping
Used in
  • Cantilever Under Torsion Without Warping
3D Model
More About 3D Model
  • Verification Example 000050 | 3
Specifications
Number of Nodes 3
Number of Lines 2
Number of Members 2
Number of Load Cases 1
Total Weight 0.146 tons
Dimensions (Metric) 4.200 x 0.400 x 0.400 m
Dimensions (Imperial) 13.78 x 1.31 x 1.31 feet
Program Version 5.03.00
Share