Analysis of load-bearing model properties and overlap joint from DIBt Newsletter 04/2017 displayed.
Analysis of load-bearing model properties and overlap joint from DIBt Newsletter 04/2017 displayed.
2025-11-12
060083
  • RFEM 6

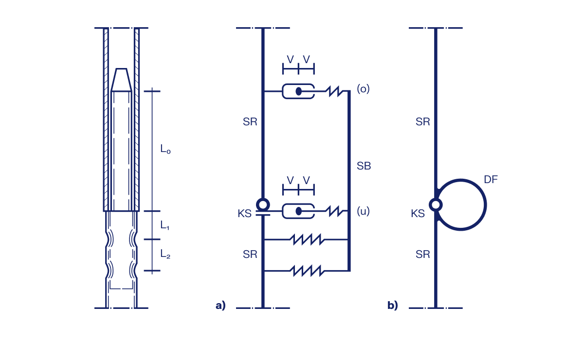
Structural Model of Overlapping Joint (Based on DIBt Newsletter 04/2017)

Analysis of load-bearing model properties and overlap joint from DIBt Newsletter 04/2017 displayed.

Used in
  • Modeling and Design of Scaffolding Standard Joint Using Hybrid Structural Model According to DIBt Newsletter 4/2017 in RFEM 6 / RSTAB 9
Share