178x
002006
2026-03-04

Modeling and Design of Scaffolding Standard Joint Using Hybrid Structural Model According to DIBt Newsletter 4/2017 in RFEM 6 / RSTAB 9

In this technical article, you will learn how to model and design standard joints of scaffolding in RFEM 6 / RSTAB 9 according to DIBt Newsletter 4/2017.

Scaffolding is required for many construction projects, whether it be working, load-bearing, or protective scaffolding. To ensure stability, functionality, and safety, standards such as EN 12810 and 12811 impose specific requirements on the design, design checks, and execution of scaffolding.

An important aspect in the modeling and design of such scaffolding is the realistic modeling of the standard joints. The DIBt Newsletter 04/2017 [1] provides practical guidelines for this.

The modeling principles for scaffolding hinges according to the DIBt Newsletter are displayed below. Subsequently, the modeling and design of a standard joint in RFEM 6 / RSTAB 9 are shown using an application example.

Scaffolding Joint Model According to DIBt Newsletter 04/2017

The joints of scaffolding frames exhibit highly nonlinear deformation behavior under combined bending and axial force. Several supporting models are specified in [1] for the close-to-reality modeling of these nonlinearities. The structural models for standard joints of Type A are described in more detail below. The standard joints of Type B are generally evaluated on the basis of test results and are not discussed in this technical article. Types A and B distinguish between two different types of standard joint manufacturing. In Type A, the joint pin is pressed into the standard in a form-fitting manner. In Type B, the joint pin is formed directly from the standard itself.

Type A Lap Joint Model

The lap joint model takes into account the degree of rotation in the standard joint, that is, the action between the joint pin and the adjacent standard. When an acting bending moment is applied, it is necessary to overcome the degree of rotation before the bending moment can be efficiently transferred.

The maximum buckling angle from the degree of rotation is calculated using the following formula.

Here, vo/u is the shift rule, which in turn can be calculated using the following formula.

where
Do/u is the outer diameter of the standard at the upper or lower edge of the lap joint
to/u is the wall thickness of the standard at the upper or lower edge of the lap joint
do/u is the outer diameter of the joint pin at the upper or lower edge of the lap joint

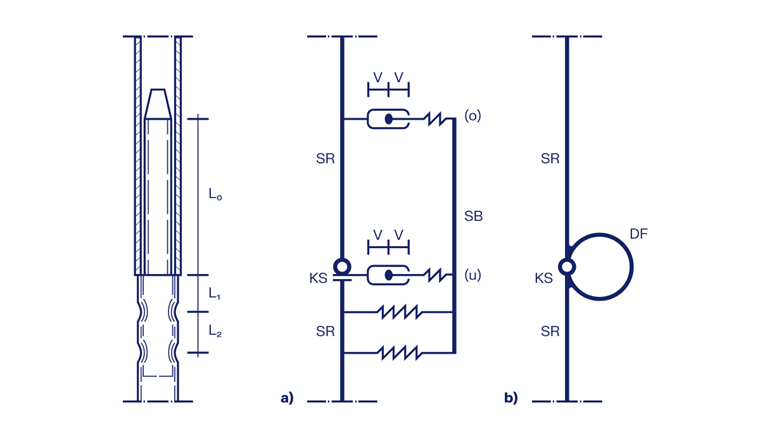
The following image shows the lap joint as a detailed model (a) and simplified model (b).

  • SR … standard
  • KS … contact joint
  • SB … joint pin
  • DF … rotational spring

Depending on the shift rule v and the effective lap length L0, the maximum loose buckling angle phiLoose can be calculated using the equation above. No moment is transferred in the standard before the maximum loose buckling angle is reached. Once the maximum loose buckling angle is reached, the moment is transferred with the rotational spring stiffness CSB,d up to a maximum rotation angle of phimax. In [1], a rotational spring stiffness of CSB,d = 10000 kNcm/rad is specified. Depending on the structural approval, other governing values may also be applicable.

The maximum bending resistance of the joint pins is indicated in the lap joint model with MSB,Rd and the maximum normal force resistance with NKS,Rd.

Type A Contact Joint Model

The contact joint model takes into account the force transmission on the contact surface between the upper and lower standards. The interaction between the acting axial force and bending moment shall be taken into account.

The coupling of the standards may be assumed to be rigid within this structural model.

The maximum bending moment resistance MKS,Rd is achieved in the contact joint model with the simultaneous action of a certain compressive axial force. If the acting compressive axial force is too small, a gaping joint arises at an early stage due to the bending, which leads to a loss of equilibrium in the contact joint model as the gaping joint increases in size. On the other hand, an excessive axial force leads to premature stress exceeding in the contact joint as a result of combined bending and axial force.

If the maximum normal force resistance NKS,Rd or the maximum bending moment resistance MKS,Rd is exceeded, the contact joint model is no longer valid. An exception here is if the applied axial force is less than 50% of the maximum axial force resistance. In this case, after reaching the maximum bending moment resistance, an additional relative rotation of the standards of philimit = 0.01 rad is allowable.

Type A Hybrid Supporting Model

For efficient and realistic modeling of standard joints, the properties of the two supporting models presented can be combined in a hybrid supporting model. In the hybrid supporting model, force transmission occurs with rigid links according to the contact joint model. When M,KS,Rd is reached, there is a transition to the lap joint model. An additional bending moment of MSB,Rd can be absorbed, resulting in relative rotation of the standards.

The M-N-phi interaction of the hybrid model can be displayed by the following diagram.

Modeling in RFEM 6 / RSTAB 9

The structural model properties of Type A standard joints described above can be realistically modeled in RFEM 6 or RSTAB 9 using a special nonlinearity type “Scaffolding N” for member hinges. The scaffolding hinge influences the joint conditions ux, phiy, and phiz. When you select the scaffolding hinge, two additional tabs appear. In the “Scaffolding Diagram | Inner Tube” tab, you can define the structural model properties of the lap joint. In the “Scaffolding Diagram | Outer Tube” tab, you can define the structural model properties of the contact joint.

Application Example

In the following, the modeling and design of a standard joint according to the building authority approval Z-8.22-921 of the DIBt [2] is carried out as an example.

The following parameters are known:

Geometry:
Parameter Symbol Value
Outer tube diameter D 48.3 mm
Outer tube wall thickness t 3.2 mm
Inner tube diameter d 38 mm
Inner tube wall thickness ti 4 mm
Structurally effective lap length L0 200 mm
Screw size -- M12

Material Properties:
Parameter Symbol Value
Yield stress of standard material fy,d 0.32 kN/mm2
Bolt grade -- 10.9

Internal Forces:
Parameter Symbol Value
Compressive axial force NEd (-) -80 kN
Tensile axial force NEd (+) 20 kN
Bending moment MEd 70 kNcm

Resistances:
Parameter Symbol Value
Rotational spring stiffness CSB,d 9290 kNcm/rad
Compressive force resistance NKS,Rd 83.2 kN
Tensile force resistance ZRd 42.5 kN
Bending resistance of joint pins MSB,Rd 85.3 kNcm

Modeling Scaffolding Joint

The following values are required for the definition of the “Scaffolding Diagram | Inner Tube” in RFEM 6 / RSTAB 9:

  • The maximum buckling angle from the rotation loosening philoos

with

  • The bending resistance in the joint pin MSB,Rd
  • The maximum buckling angle in the standard joint phimax

With this information, the “Scaffolding Diagram | Inner Tube” can be defined as shown in the following image.

For the definition of the “Scaffolding Diagram | Outer Tube” in RFEM 6, the bending resistance at the contact joint has to be determined as a function of the acting axial force. For this purpose, it is necessary to determine the maximum moment MKS,max that can be transferred via KS using the following equation:

The bending stress MKS,Rd as a function of the applied axial force is then calculated as follows (here, for example, with values for an applied axial force of 80 kN and a compressive force resistance of 83.2 kN according to the approval):

From the feature MKS,Rd(NKS,Ed), the Scaffolding Diagram | Outer Tube can then be set up according to the following image.

This completes the input and realistically models the load-deformation behavior of the scaffolding hinge in RFEM 6.

Design of Standard Joint

Next, it is necessary to check the load-bearing capacity of the standard joint under the given internal forces NEd (-) = -80 kN, NEd (+) = 20 kN, and MEd = 70 kNcm. According to the DIBt newsletter, the moment and normal force resistance shall be designed using the following equations:

The bending resistance MKS,Rd = 6.51 kNcm can be taken directly from the Scaffolding Diagram | Outer Tube (see the image above).

Furthermore, the approval [2] requires to design the load-bearing capacity under tensile stress using the following equation:

Conclusion

The supporting models for scaffolding standard joints according to [1] were examined. The input of scaffolding hinges in RFEM 6 and RSTAB 9 was explained using an application example. By considering the nonlinear load-deformation behavior of the scaffolding hinge, a realistic internal force calculation can be ensured. Subsequently, the load-bearing capacity of the standard joint was designed according to the building authority approval.


Author

Mr. Wanke provides technical support for customers of Dlubal Software.

References


;