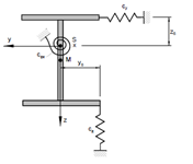
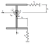
Muelles o apoyos continuos (desde RF-/FE-LTB)
Muelles o apoyos continuos (desde RF-/FE-LTB)
19-04-2024
009695
  • RFEM 5
  • RSTAB 8
  • RF-FE-LTB 5
    • FE-LTB 8
    • RX-TIMBER Glued-Laminated Beam 2
    • Estructuras de madera
    • Análisis de estabilidad
    • Eurocode 5

Muelles o apoyos continuos (desde RF-/FE-LTB)

Usado en
  • Cálculo de la torsión de vigas de madera laminada encolada
Compartir