20047x
001410
08-03-2017

Cálculo de la torsión de vigas de madera laminada encolada

Las vigas laminadas encoladas de gran envergadura generalmente se apoyan mediante un pilar de hormigón armado con coacciones torsionales.

En estos cojinetes de horquilla se producen momentos de torsión, que se deben verificar según [2] apartado 6.1.9:

La superposición de esfuerzos internos de esfuerzo cortante y torsión debería evitar grietas en el soporte rígido.

El momento de torsión en los apoyos extremos es causado por la flexión de la viga en el caso de una carga en forma de seno (ver figura 03).

Según [1] , se debe establecer el valor de l/400 para la precaución. Esto se basa en el requisito mínimo de rigidez del sistema de soporte secundario. Se puede encontrar más información en [3], por ejemplo.

Sin embargo, los métodos actuales de análisis de barras estructurales no pueden detectar la torsión en los apoyos. Además, muchos programas de cálculo no permiten considerar el alabeo de la sección. Dado que el cálculo se realiza a menudo en programas de análisis de pórticos estructurales 2D, el criterio de limitación se proporciona en [2], Sección NCI a 9.2.5.3 (Expresión 2):

Si la relación de esbeltez de la viga está por debajo de este valor, se pueden omitir los componentes de tensión de torsión.

Cálculo en madera laminada encolada RX-TIMBER

El siguiente ejemplo aclara esta relación.
Estructura:
Luz = 25 m
Material = GL24c
Sección = 12 cm/242 cm (sin cuña de cumbrera)

La viga está sujeta a una carga distribuida uniformemente de 13,5 kN/m. Se omite el peso propio.

El cálculo rector es el análisis de esfuerzos de torsión especificado en la Expresión 1. En este caso, lef es igual a la longitud del vano de 2,46 m. La separación de apoyos para pandeo lateral sólo se puede aplicar si la rigidez horizontal del sistema de apoyo secundario es <l/500 o l/1000. Esto no se aplica aquí.


Esfuerzos internos y tensiones:

Cálculo considerando la torsión de alabeo

RF-/FE-LTB le permite aplicar la fuerza de compresión excéntrica a la viga. Por lo tanto, se puede aplicar una carga lineal de 13,5 kN/m fuera del centro de la viga.

Como se muestra en la Figura 05, la excentricidad de la carga se establece en 6 cm. Además, se aplica una deformación lateral de 6,15 cm de acuerdo con [2] (NA.5).

Según la teoría de flexión de Bernoulli, RF‑/FE-LTB puede determinar la carga crítica Fki y, por lo tanto, el momento crítico elástico ideal Mki y la carga de pandeo por torsión Nki, phi.

El cálculo se basa en la teoría del pandeo por torsión de segundo orden. También se tiene en cuenta el alabeo de la sección (7º grado de libertad).

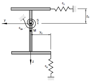
Para considerar la cubierta o rigidización del techo correspondiente debido al sistema de soporte secundario, se define un resorte de rotación alrededor del eje x local de la barra. El programa convierte este resorte en el centro de cortante M.

Solo se aplica un muelle de torsión para obtener la deformación que se muestra en la figura 2. Un resorte de traslación en el ala superior de la estructura estaría más cerca de la realidad. Sin embargo, la forma de imperfección requerida no se puede crear debido a la curvatura de la viga. La figura de la imperfección se cortaría por el medio, como se muestra en la figura 7. De esta forma, los momentos de torsión se reducirían significativamente.

Con una coacción de giro de 500 kN/m, se obtienen los momentos torsionales de 9,8 kNm en los apoyos.

Con este momento de torsión, el cálculo de [1] se puede realizar de nuevo en Viga laminada encolada RX-TIMBER. Para ello, el momento de torsión determinado se define en RX-TIMBER Glued-Laminated Beam.

Conclusión

La estructura se puede diseñar de manera mucho más económica considerando la rigidez al alabeo de la sección transversal.

La diferencia con el enfoque general de la Sección 9.2.5 en [2] es aún más grave cuando se reemplaza una restricción rotacional virtual por una rigidez elástica de traslación de 915 N/mm para la deformación longitudinal de un clavo convencional en una barra de acoplamiento, por ejemplo .


Autor

Bastian es responsable en Product Engineering del desarrollo y del aseguramiento de la calidad en la construcción de madera y, además, participa en Customer Support. Su experiencia se incorpora directamente en la resolución de cuestiones prácticas.

Enlaces
Referencias
Descargas


;