Flexión espacial con esfuerzo axil y alabeo
Flexión espacial con esfuerzo axil y alabeo
09-07-2024
048076
  • RFEM 6

Flexión espacial con esfuerzo axil y alabeo

Usado en
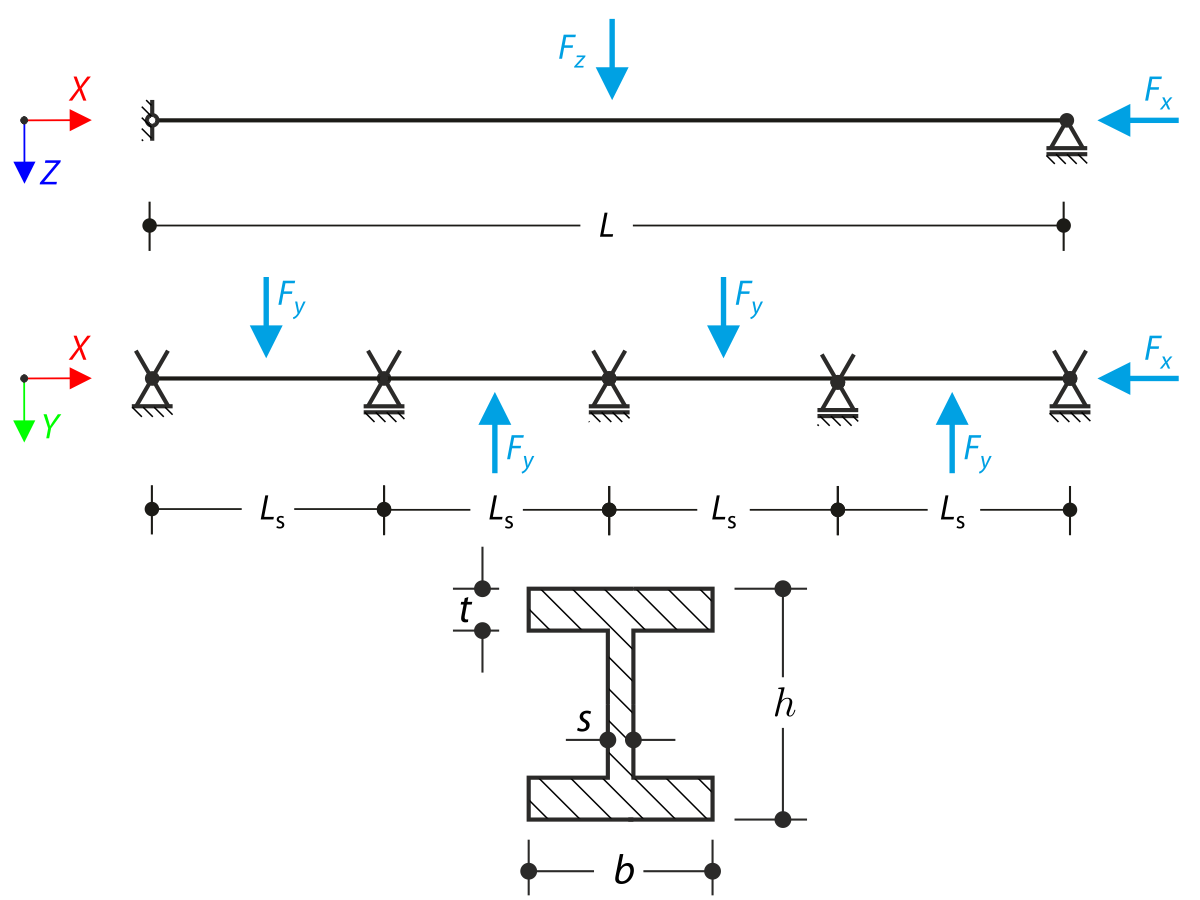
  • VE0213 | Flexión espacial con esfuerzo axil y alabeo
Compartir