Descripción del trabajo
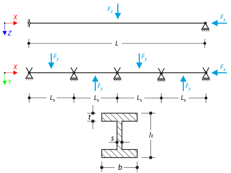
La viga continua con cuatro vanos está cargada por fuerzas axiles y de flexión (que reemplazan las imperfecciones). All supports are fork - warping is free. Determine displacements uy and uz, moments My, Mz, Mω and MTpri and rotation φx. The verification example is based on the example introduced by Gensichen and Lumpe (see the reference).
| Material | Steel S355 | Módulo de elasticidad | E | 210000.000 | MPa |
| Módulo de cortante | [LinkToImage06] | 81000.000 | MPa | ||
| Geometry | Beam | perímetro | L | 12.000 | m |
| matriz | Ls | 3.000 | m | ||
| Cross-section | Altura | H | 400.000 | mm | |
| Ancho | b | 180.000 | mm | ||
| Espesor de alma | s | 10.000 | mm | ||
| espesor del ala | t | 14.000 | mm | ||
| Load | Transversal Forces | Fy, Fz | 31.000 | kN | |
| esfuerzo axil | Fx | 1550.000 | kN | ||
Solución analítica
Analytical solution is not available. Results from software S3D are taken as reference.
RFEM and RSTAB Settings
- Modeled in RFEM 6.05, RSTAB 9.05
- The element size is lFE= 0.300 m
- Isotropic linear elastic material model is used
- Second-Order Analysis and Large deformation Analysys is used
- Torsional Warping is used in RFEM 6 and RSTAB 9
Resultados
| Quantity | S3D | RFEM 6 - Second-Order Analysys | Razón | RFEM 6 - Large Deformation Analysys | Razón |
| uy,max [mm] | 12.600 | 13.334 | 1.058 | 13.242 | 1.051 |
| uz,max [mm] | 45.200 | 44.675 | 0.988 | 46.989 | 1.040 |
| φx,max [mrad] | 11.750 | 12.701 | 1.081 | 12.389 | 1.054 |
| My,max [kNm] | 163.000 | 162.084 | 0.994 | 165.738 | 1.017 |
| Mz,max [kNm] | 44.000 | 46.077 | 1.047 | 45.131 | 1.026 |
| MTpri,max [kNm] | 47.000 | 49.000 | 1.043 | 47.930 | 1.020 |
| MTsec,max [kNm] | 172.000 | 224.071 | 1.303 | 118.061 | 0.686 |
| Mω,max [kNm2] | 1.440 | 1.530 | 1.063 | 1.500 | 1.042 |
Comentario: This verification example is not available in Large Deformation Analysis in RSTAB 9 now.
| Quantity | S3D | RSTAB 9 - Second-Order Analysys | Razón | RSTAB 9 - Large Deformation Analysys | Razón |
| uy,max [mm] | 12.600 | 13.339 | 1.059 | ||
| uz,max [mm] | 45.200 | 44.660 | 0.988 | ||
| φx,max [mrad] | 11.750 | 12.845 | 1.093 | ||
| My,max [kNm] | 163.000 | 162.064 | 0.994 | ||
| Mz,max [kNm] | 44.000 | 45.251 | 1.028 | ||
| MTpri,max [kNm] | 47.000 | 49.435 | 1.052 | ||
| MTsec,max [kNm] | 172.000 | 137.759 | 0.801 | ||
| Mω,max [kNm2] | 1.440 | 1.536 | 1.067 |