Análisis de propiedades del modelo estructural y la unión del pilar de DIBt Newsletter 04/2017
Análisis de propiedades del modelo estructural y la unión del pilar de DIBt Newsletter 04/2017
12-11-2025
060083
  • RFEM 6

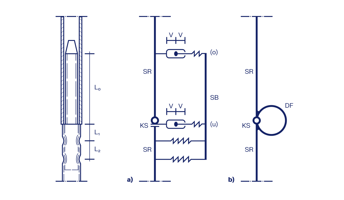
Modelo estructural de empalme por solape (según DIBt Newsletter 04/2017)

Análisis de propiedades del modelo estructural y la unión del pilar de DIBt Newsletter 04/2017

Usado en
  • Modelado y cálculo de soldadura en puntales de andamio con el modelo de estructura híbrida según el Boletín del DIBt 4/2017 en RFEM 6 / RSTAB 9
Compartir