Structure, charges, efforts internes
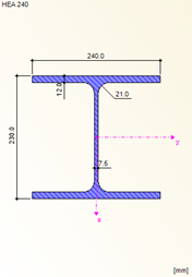
Section de poutre HEA 240, S355
Structure, charges, efforts internes
Section de poutre HEA 240, S355
30.05.2024
009026
  • RFEM 5
  • RSTAB 8
  • RF-STEEL EC3 5
    • STEEL EC3 8
    • Structures en acier
    • Eurocode 3

Structure, charges, efforts internes

Utilisé dans
  • Vérification de la section d'une poutre à deux travées
Partager
30.05.2024
009027
  • RFEM 5
  • RSTAB 8
  • RF-STEEL EC3 5
    • STEEL EC3 8
    • Structures en acier
    • Eurocode 3
Section de poutre HEA 240, S355
Utilisé dans
  • Vérification de la section d'une poutre à deux travées
Partager