Assemblage poutre-poutre avec plaque à ailettes «longue»
Assemblage poutre-poutre avec plaque à ailettes «courte»
Plateforme de travail considérée
Connexion de la plaque à ailettes
Calcul avec RF -JOINTS Steel - Pinned
Assemblage poutre-poutre avec plaque à ailettes «longue»
Assemblage poutre-poutre avec plaque à ailettes «courte»
Plateforme de travail considérée
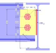
Connexion de la plaque à ailettes
Calcul avec RF -JOINTS Steel - Pinned
30.05.2024
009148
  • RFEM 5
  • RF-JOINTS Steel | Fixe 5
  • RSTAB 8
    • Articulé 8
    • Structures en acier
    • Ingénierie d'équipement
    • Connexions métalliques
    • Eurocode 3

Assemblage poutre-poutre avec plaque à ailettes «longue»

Utilisé dans
  • Assemblages de plaque de connexion : théorie et exemple d’application
Partager
30.05.2024
009149
  • RFEM 5
  • RF-JOINTS Steel | Fixe 5
  • RSTAB 8
    • Articulé 8
    • Structures en acier
    • Ingénierie d'équipement
    • Connexions métalliques
    • Eurocode 3
Assemblage poutre-poutre avec plaque à ailettes «courte»
Utilisé dans
  • Assemblages de plaque de connexion : théorie et exemple d’application
Partager
30.05.2024
009150
  • RFEM 5
  • RF-JOINTS Steel | Fixe 5
  • RSTAB 8
    • Articulé 8
    • Structures en acier
    • Ingénierie d'équipement
    • Connexions métalliques
    • Eurocode 3
Plateforme de travail considérée
Utilisé dans
  • Assemblages de plaque de connexion : théorie et exemple d’application
Partager
30.05.2024
009151
  • RFEM 5
  • RF-JOINTS Steel | Fixe 5
  • RSTAB 8
    • Articulé 8
    • Structures en acier
    • Ingénierie d'équipement
    • Connexions métalliques
    • Eurocode 3
Connexion de la plaque à ailettes
Utilisé dans
  • Assemblages de plaque de connexion : théorie et exemple d’application
Partager
30.05.2024
009152
  • RFEM 5
  • RF-JOINTS Steel | Fixe 5
  • RSTAB 8
    • Articulé 8
    • Structures en acier
    • Ingénierie d'équipement
    • Connexions métalliques
    • Eurocode 3
Calcul avec RF -JOINTS Steel - Pinned
Utilisé dans
  • Assemblages de plaque de connexion : théorie et exemple d’application
Partager