29005x
001532
14.08.2018

Assemblages de plaque de connexion : théorie et exemple d’application

Les assemblages par plaques de connexion sont une forme courante d’assemblages articulés en acier et sont souvent utilisés pour les poutres secondaires des structures en acier. Ils peuvent être facilement utilisés dans des structures à poutres disposées sur le bord supérieur (plates-formes de travail, par exemple). Les frais de fabrication en atelier et les coûts du montage sur site sont normalement supportables. La vérification semble assez simple et rapide, mais il convient de relativiser cela par la suite. De plus, ce type d’assemblage est fondamentalement possible sous forme d’assemblage articulé poutre-poutre et d’assemblage articulé poutre-poteau, le premier cas étant probablement le plus courant dans la pratique de vérification.

Dans cet article, les formes les plus fréquentes d’assemblages par plaques de connexion seront d'abord présentées, leurs avantages et leurs inconvénients seront ensuite spécifiés et certains d’entre eux détaillés. Les assemblages poutre-poteau ne sont plus considérés, même s’ils sont en principe possibles. De plus, les questions opérationnelles ne doivent pas être négligées. Malheureusement, il arrive que la faisabilité de l’assemblage ne soit pas ou insuffisamment prise en compte lors de la vérification des assemblages en acier. Ces problèmes éventuels doivent donc également être traités dans cet article.

Dans la deuxième partie de cet article, le calcul et la vérification des assemblages par plaques de connexion selon l'EN 1993-1-8 [1] seront présentés et expliqués à l’aide d’un exemple calculé avec RF-/JOINTS Steel - Pinned. Cet article se concentre sur certaines vérifications qui sont parfois ignorées dans la pratique de la vérification. Il y a plusieurs raisons à cela, les deux plus fréquentes sont probablement les suivantes : Le calcul ne doit pas être trop complexe, car, comme on le sait, il ne s’agit « que » de l’assemblage d’une poutre secondaire. Ou bien l’ingénieur chargé de la conception ne connaît pas la nécessité de l’un ou l’autre calcul.

Le présente article explique la nécessité de l’une ou l’autre analyse. Enfin, en cas de dommage, l’argument fallacieux « Cela a toujours fonctionné sans cette analyse dans le passé ! » ne sera plus très utile. Lors de la vérification, la complexité de la vérification d’un assemblage de plaque de connexion et l’utilité d'un logiciel de vérification tel que RF-JOINTS Steel - Pinned deviennent rapidement évidentes pour une vérification économique conforme aux normes applicables dans un délai raisonnable.

Dans la dernière section, nous verrons quel est l’inconvénient majeur d’utiliser des assemblages par plaques de connexion et d’autres assemblages articulés : la réduction souvent considérable du moment critique de flambement. La plupart des assemblages articulés et en particulier les assemblages par plaque de connexion ne peuvent pas être considérés comme des maintiens latéraux et de torsion, ce qui peut entraîner une réduction considérable de la résistance pour les poutres présentant un risque de stabilité.

Vérification des assemblages de plaques de connexion

Dans cette section, les formes les plus courantes d’assemblages de plaques de connexion telles que les assemblages poutre-poutre seront présentées et évaluées en fonction de leurs avantages et inconvénients dans le calcul et la vérification, ainsi que dans la fabrication et le montage. Les points mentionnés ne sont que des suggestions et ne prétendent pas être exhaustifs.

Les assemblages de plaques de connexion peuvent être utilisés à la fois comme assemblages poutre-poteau et assemblages poutre-poutre, tandis que les assemblages poutre-poteau ne seront pas plus détaillés ici. Dans la plupart des cas, d’autres types d'assemblages articulés sont plus avantageux pour les assemblages poutre-poteau.

Le principal problème avec les assemblages par plaque de connexion lors de l’assemblage l’impossibilité de compenser spécifiquement les tolérances de fabrication telles que les surlongueurs ou les petites longueurs de poutre, comme cela est possible avec les assemblages par platines d’about courtes et les assemblages à double angle. Les poutres sont ici spécifiquement fabriquées avec une faible longueur selon la tolérance maximale qui correspond à la norme. La faible longueur ainsi obtenue peut ensuite être compensée sur site à l’aide des contre-plaques fournies.

Le fait que cette méthode ne soit pas possible avec les assemblages de plaque de connexion garantit qu’elles ne doivent pas être disposées entre deux poteaux, car il peut arriver que la poutre ne puisse être assemblée que par la force. Indépendamment du fait que les assembleurs ont des problèmes avec cela, des effets dus au maintien sont introduits dans le système structurel, ce qui devrait en fait être évité.

L’un des principaux avantages des assemblages de plaque de connexion est, en général, leur structure moins fragmentée par rapport à la plupart des autres types d’assemblages articulés. Aucune petite pièce n’est nécessaire, à l’exception des boulons.

Les deux types d’assemblages de plaque de connexion les plus courants sont représentés ci-dessous sous forme d’assemblages poutre-poutre. Ceci est considéré comme un assemblage avec une plaque de connexion « longue » ou « courte ».

Assemblage poutre-poutre avec plaque de connexion « longue » :

Les assemblages avec plaque de connexion « longue » sont caractérisés par le fait qu’aucune encoche n’est nécessaire dans la poutre connectée, ce qui donne une plaque de connexion longue. Les deux principaux avantages de ce type d’assemblage sont, d’une part, la réduction du travail en atelier, car aucune encoche complexe n’est nécessaire; et d'autre part, le fait qu’aucun problème n’est à craindre lors de l’insertion de la poutre unique lors de l’assemblage de la poutre.

Le principal inconvénient de ce type d’assemblage est qu’il est souvent éloigné des contraintes latérales et de torsion. Si un déversement est possible pour cette poutre, il est important de considérer la faible rigidité en torsion de l’assemblage lors de la vérification de la poutre. Étant donné que la vérification des structures en acier et celle des assemblages sont effectuées par deux personnes différentes, des problèmes peuvent survenir.

Étant donné que la plaque de connexion est également soudée à l’une ou aux deux semelles de la poutre principale lors de l’utilisation de ce type d’assemblage, une sorte de barrière est créée. Lors de l'utilisation de structures galvanisées, des perçages et des découpes supplémentaires sont nécessaires dans la plaque de connexion, de sorte que le zinc liquide peut s’écouler lorsqu’il est aspiré du bain de zinc. La décision de l’ingénieur chargé de la conception d’en tenir compte dépend du contrat conclu. En vérification ou calcul de structures, ces ouvertures supplémentaires sont généralement négligeables.

En raison de l’excentrement important pour ce type d’assemblage, des épaisseurs de plaque plus importantes sont rapidement nécessaires pour la plaque de connexion. Il en résulte que les cordons de soudures doivent être conçus pour être très résistants, car ils doivent avoir un état limite ultime supérieur à celui de la plaque assemblée pour garantir un comportement ductile des composants de la structure. Il est important de garder à l’esprit que pour les soudures d’angle avec un fond de soudure de 6 mm et plus, il est nécessaire de souder en plusieurs couches. La connexion devient ainsi rapidement peu rentable en termes de matériau et de production.

Assemblage poutre-poutre avec une plaque de connexion « courte » :

Ce type d’assemblage présente tous les avantages de la configuration avec une plaque de connexion « longue », à l’exception d’un assemblage garanti et sans problème de la poutre unique. Pour des espacements de poutre plus petits, il peut arriver que la poutre unique ne puisse pas être insérée à l'endroit de l'installation.

Cependant, étant donné que les plates-formes de travail et les passerelles sont souvent pré-assemblées au sol, puis insérées et installées sur le lieu d'installation dans leur ensemble ou en grandes parties (assemblage), le cas d'insertion d'une seule poutre et les problèmes associés se produisent rarement . Dans tous les cas, le planificateur et/ou le concepteur doit se familiariser avec la technologie d'assemblage de l'entreprise chargée de l'exécution.

Un autre avantage de cette option avec une plaque à ailettes « courte » est l'excentrement de l'assemblage généralement assez faible, ce qui permet souvent d'obtenir des résultats plus économiques que l'option avec une ailette « longue ».

Un inconvénient de ce type d'assemblage est l'encoche généralement nécessaire de la poutre secondaire, ce qui entraîne dans certains cas deux, voire trois problèmes. Tout d'abord, il convient de mentionner ici l'effort supplémentaire de production, qui ne s'applique guère aux ateliers modernes.

Le deuxième problème est la résistance inférieure de la poutre dans la zone de l'entaille. Des vérifications supplémentaires sont nécessaires ici, qui deviennent également les vérifications déterminantes dans certains cas. C'est notamment le cas si des entailles sont nécessaires aux deux extrémités (c'est-à-dire au niveau des semelles supérieure et inférieure de la poutre). C'est souvent le cas lorsque la poutre secondaire et la poutre principale sont presque égales.

Le troisième problème pouvant résulter de l'entaillage ne se produit qu'avec les structures en acier de construction à haute résistance par immersion à chaud (à partir de S355). Il faut vérifier ici qu'aucune fissuration ne se forme dans la zone d'entaille pendant le processus de galvanisation. Cela peut être effectué par le calcul ou la classification du détail selon la directive 022. Le second pourrait être le cas normal.

Exemple de calcul d'un assemblage à ailettes courtes et crantées

Dans cette section, le calcul et la vérification d'un assemblage de plaques à ailettes selon l'EN 1993-1-8 [1] seront présentés et expliqués dans une certaine mesure. La Figure 03 montre la plate-forme de travail considérée. Il a une surface de base de 4,00 mx 4,00 m, est attaché d'un côté à la plate-forme principale au-dessus et relié de l'autre côté à la structure principale. Par conséquent, la plate-forme peut être « détachée » du calcul global en raison de l'appui, ce qui n'est pas strictement nécessaire, mais cela permet souvent d'avoir un calcul et une vérification plus clairs et parfois plus rapides.


Dans ce qui suit, nous supposons que la plate-forme considérée est pré-assemblée au sol, puis insérée et installée sur le site dans son ensemble. Par conséquent, un type d’assemblage avec une plaque de connexion courte sera utilisé ici.

Le calcul (préliminaire) à l'aide du module additionnel Rf-/STEEL EC3 a été obtenu dans une section de poutre principale IPE220-S235JR et une section de poutre de plate-forme IPE180-S235JR. Les suspentes sont réalisées comme IPE160-S235JR en raison des facteurs de calcul. Le raidissement de la plate-forme ne doit pas être davantage pris en compte ici.

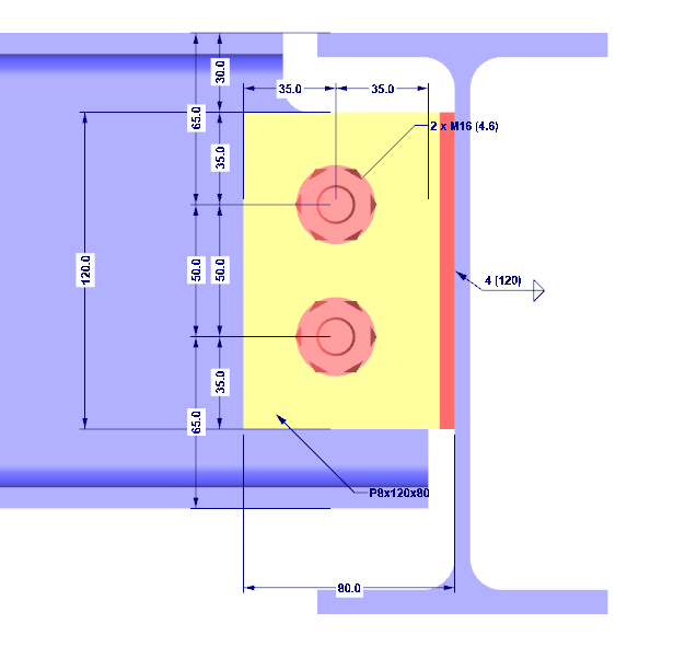
La Figure 04 montre l'assemblage de la plaque à ailettes avec ses dimensions les plus importantes. D'autres dimensions seront probablement indiquées lors de la vérification. Les efforts internes de l’assemblage sont les suivants :

Avant que le calcul ne soit effectué en détail et partiellement expliqué, une exigence évidente doit d'abord être mentionnée : la hauteur de la plaque à ailettes doit être inférieure à la hauteur de la poutre secondaire. Cette exigence doit éviter le contact entre la poutre connectée et les composants porteurs. La première composante de calcul poursuit cet objectif montré ci-dessous.

Rotation disponible dans un assemblage articulé :

Il s'agit de l'une de ces vérifications que l'on peut facilement ignorer dans la pratique, mais elle garantit qu'un assemblage par goupille peut être supposé là où on l'a supposé lors du calcul des efforts internes. Pour cette vérification, un point de rotation dans le centre de gravité géométrique du schéma de boulon est supposé. Un angle est ensuite calculé à partir duquel le contact se produit entre la semelle de la poutre et le composant porteur (ici, l'âme de la poutre principale).

Le contact est en principe possible.

L'assemblage peut absorber les rotations de 0,45°, la vérification est réalisée.

Prévention de la rupture prématurée de la soudure :

En principe, le calcul des soudures doit être effectué selon la Section 4 de l'EN 1993-1-8 [1]. Dans le cas de charges relativement faibles par rapport à la résistance au cisaillement de la poutre connectée, les soudures nécessaires peuvent devenir très minces. Dans ce cas, la résistance de la soudure est souvent inférieure à la résistance des autres composants. Par conséquent, la défaillance possible de l'assemblage est caractérisée par une rupture fragile de la soudure. L'assemblage n'a pratiquement pas de ductilité.

L'épaisseur de soudure sélectionnée est supposée être de 4 mm. Le critère est donc rempli.

Rupture par cisaillement du boulon unique :

La seule difficulté de cette vérification est la répartition correcte des efforts internes de l'assemblage sur les boulons individuels. En général, la distribution des forces est décrite dans plusieurs manuels, de sorte qu'elle n'est pas abordée plus en détail ici.

Rupture ductile par cisaillement du groupe de boulons :

Cette condition de calcul doit garantir qu'une redistribution plastique des efforts internes de l'état réel à l'état de calcul peut avoir lieu. Ce critère ne doit jamais devenir déterminant, c'est-à-dire que le taux d'utilisation maximal doit être atteint pour ce calcul.

Rupture d'un trou de boulon dans la plaque à ailettes :

Étant donné que le nombre de plans de cisaillement au niveau d'un assemblage de plaque à ailettes est toujours égal à 1, les composantes de l'effort correspondent à celles de la rupture par cisaillement. Un nouveau calcul n’est donc pas nécessaire.

Rupture par cisaillement dans la section brute de la plaque de connexion :

Rupture par cisaillement dans la section nette de la plaque de connexion :

Résistance au cisaillement du bloc du groupe de boulons dans la plaque à ailettes :

La vérification en fonction de la résistance au cisaillement du bloc du groupe de boulons est une vérification standard, tout comme la vérification de la résistance au cisaillement et à l'appui du boulon individuel, qui n'est pas expliquée plus en détail ici. Pour une présentation plus détaillée des formules de calcul, veuillez vous reporter aux différents manuels.

Rupture par flexion de la plaque à ailettes :

Ce mécanisme de défaillance peut ne pas se produire dans de nombreux cas. Étant donné que l'effort pour le calcul de la résistance en flexion de la plaque d'aileron est plutôt gérable, une valeur de résistance est normalement toujours calculée. Cependant, il peut être exclu que ce mécanisme de rupture devienne déterminant si la hauteur de l'ailette dépasse 2,73 fois le bras de levier z. Dans ce cas, la résistance en flexion est toujours supérieure à celle de la rupture par cisaillement dans la section brute de la plaque à ailettes.

Flambement de la plaque de connexion :

Cette vérification est souvent négligée dans la pratique de la vérification. Il peut arriver que cela devienne la vérification déterminante dans des conditions géométriques défavorables. Cette vérification découle de l’ancienne réglementation britannique sur les structures acier BS 5950-1 [3] de 2000. Pour un examen plus approfondi, nous renvoyons à ce règlement ainsi qu'à la littérature de commentaires.

La résistance au voilement (en réalité la résistance au déversement) dépend donc de la résistance de la plaque à ailettes pour le déversement, qui à son tour dépend de l'élancement de la plaque. La valeur de la résistance peut être extraite de la réglementation britannique BS 5950-1 [3] dans le Tableau 17, alors qu'il doit être mentionné que les aciers de construction de résistance S235 ne sont pas ou rarement utilisés au Royaume-Uni ; c'est pourquoi aucune valeur n'est explicitement indiquée pour cet acier. Cependant, les valeurs de S275 et de la limite d'élasticité S235 peuvent être utilisées.

Théoriquement, le calcul du flambement serait ainsi possible, ce qui n'est cependant pas considéré comme approprié. Il semble préférable d'exclure complètement ce type de défaillance de la plaque à ailettes. Il peut être considéré comme acquis si la vérification suivante est respectée.

Rupture par traction de la plaque à ailettes dans la section brute :

Cette vérification n'est nécessaire que pour les efforts normaux apparaissant dans l'assemblage. Malgré les faibles charges résultant de l'effort normal, qui peuvent être classées comme négligeables, le calcul est effectué dans un souci d'exhaustivité.

Rupture en traction de l'âme de la poutre dans la section nette :

Vérification de la résistance de la poutre dans la zone entaillée :

Cette vérification devient souvent déterminante lorsque des entailles sont nécessaires des deux côtés de la poutre. Il faut vérifier ici que les moments fléchissants et les efforts tranchants dans l'entaille de la poutre peuvent être absorbés en toute sécurité.

L’effort tranchant peut être négligé lors d’une vérification ultérieure. Théoriquement, une vérification de contrainte équivalente peut être effectuée, cependant négligée par la suite. Seule la contrainte normale provenant des moments fléchissants et des forces normales est déterminée et vérifiée.

Rupture d'appui d'un trou de boulon dans l'âme de la poutre :

Les forces agissantes correspondent à celles dans la plaque à ailettes. Cependant, les résistances doivent être recalculées en raison des différentes épaisseurs de plaque.

Rupture par cisaillement dans la section brute de l'âme de la poutre :

Rupture par cisaillement dans la section nette de l'âme de la poutre :

Résistance au cisaillement du bloc du groupe de boulons dans l'âme de la poutre :

Rupture en traction de l’âme de poutre dans la section brute :

Cette vérification n’est nécessaire que pour les efforts normaux apparaissant dans l’assemblage. Malgré les faibles charges résultant de l'effort normal, qui peuvent être classées comme négligeables, le calcul est effectué dans un souci d'exhaustivité.

Rupture en traction de l’âme de la poutre dans la section nette :

Rupture par flexion de l’âme de la poutre principale :

Cette vérification est nécessaire pour les assemblages de plaques à ailettes unidirectionnelles et bidirectionnelles, mais inégalement chargées au niveau d'une âme de poteau. Cette vérification doit également être effectuée si une plaque à ailettes est uniquement soudée à une âme de poutre. Ce n'est certainement pas la règle générale, car la plaque à ailettes sera soudée à au moins une semelle de poutre principale dans la pratique du calcul. Dans cet exemple, une telle configuration d'assemblage a été délibérément sélectionnée pour illustrer brièvement cette vérification.

En raison des efforts normaux faibles, la vérification ne serait pas considérée non plus dans la pratique du calcul, car une rupture de l'âme de la poutre principale peut être exclue dès le départ.

La vérification de l’assemblage est alors terminée avec succès. Toutes les conditions de vérification sont remplies.

Il convient de souligner ici que le calcul ne contenait qu'une seule combinaison de charges. En théorie, la vérification doit être effectuée individuellement pour toutes les combinaisons de vérification possibles, ce qui serait très vaste. Dans la pratique, les efforts internes provenant d'une enveloppe sont souvent utilisés, ce qui peut conduire à des assemblages très peu rentables dans le pire des cas.

Influence des assemblages sur la stabilité du composant

Enfin, le plus gros problème qui se pose avec les assemblages de plaques à ailettes, ainsi qu'avec d'autres types d'assemblages articulés, est mentionné : l'écart partiellement important par rapport à un maintien latéral et de torsion. Cet écart est, contrairement aux assemblages rigides, souvent incorrect et donc d'une importance significative pour la sécurité.

Le texte qui suit n'indique pas la méthode de calcul appropriée pour ce problème, mais plutôt la manière dont un ingénieur d'études peut la traiter.

Dans la construction métallique, il arrive souvent que l'ingénieur chargé du calcul des poutres ne calcule pas tous les assemblages de la structure. Il calcule généralement les pieds des poteaux ainsi que les assemblages principaux de la structure et confie les assemblages secondaires à l'entreprise d'exécution. Les ingénieurs et les concepteurs de cette entreprise sont les mieux placés pour déterminer les assemblages adaptés à leur technologie de fabrication et d'assemblage.

Le gros problème de cette procédure de travail est que le concepteur en charge de la vérification des poutres ne se demande pas si ses poutres secondaires sont connectées selon ses hypothèses. Il/elle peut souvent assumer un maintien latéral et de torsion à l'extrémité de la poutre pour les poutres de plate-forme présentant des risques de déversement, ce qui peut parfois être un problème pour le concepteur des assemblages. La question qui se pose ici est de savoir ce que le concepteur pouvait déjà faire lors du calcul de la poutre pour simplifier le travail du concepteur de l'assemblage.

L'ancienne norme de construction métallique allemande DIN 18800-2 offrait la possibilité de considérer les entailles de poutre dans l'analyse du déversement en attribuant un coefficient de poutre n = 2,0 à la poutre avec entaille (contrairement à la poutre non entaillée n = 2,5). Dans l'Eurocode actuel pour le calcul du déversement, cela correspondrait à une classification à une courbe de déversement plus défavorable (par exemple, de la courbe de déversement b vers c). Une telle prise en compte d’une entaille n’est pas prévue dans l’EN 1993-1-1 [2]. Cette reclassification de la courbe de flambement pour les poutres secondaires articulées d'une structure en acier doit toujours être effectuée, car cela permet au futur concepteur de l'assemblage de ne pas avoir à créer de maintien latéral ou de torsion. Une autre possibilité de ce reclassement de la courbe de flambement serait de limiter le rapport des poutres secondaires pour le déversement à une certaine valeur (par exemple, 80 %).

Dans le cadre de la vérification des assemblages, le concepteur doit de toute façon vérifier le calcul de la poutre secondaire pour la rigidité inférieure de l'assemblage, ce qui n'est alors possible que s'il dispose de certaines tolérances par rapport à la planification d'origine. L’ingénieur chargé de la conception doit décider de l’apparence de ce calcul. Malheureusement, les normes d'ingénierie ne sont d’aucune aide.

La vérification de la poutre tenant compte de la rigidité inférieure de l'assemblage peut être effectuée de deux manières : soit par considération directe dans l’appui à l'aide d’un ressort de torsion, soit à l’aide de tableaux de valeurs ou de diagrammes pour déterminer le moment critique élastique de flambement.

Le second cas est préférable à condition qu’une vérification de barre équivalente soit effectuée manuellement. Le calcul n’étant pas traité en particulier dans cet article, il n’est fait référence qu’aux sources utiles. Les articles [5], [6] et [7] sont vivement recommandés. Malheureusement, le rapport de recherche correspondant de DASt à [6] et [7] n'a pas encore été publié, ce qui pourrait être la source la plus utile en allemand concernant cette difficulté.

La possibilité de considérer un ressort de torsion approprié est certainement la solution si la vérification doit être effectuée avec la méthode générale selon la Section 6.3.4 de l'EN 1993-1-1 [2] ou avec le calcul selon le flambement du second ordre théorie. Pour obtenir ces paramètres de ressort, un calcul avec la méthode aux éléments finis (par exemple, RFEM) est possible.


Liens
Références
Téléchargements


;