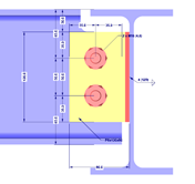
Connexion de la plaque à ailettes
Connexion de la plaque à ailettes
30.05.2024
009151
  • RFEM 5
  • RF-JOINTS Steel | Fixe 5
  • RSTAB 8
    • Articulé 8
    • Structures en acier
    • Ingénierie d'équipement
    • Connexions métalliques
    • Eurocode 3

Connexion de la plaque à ailettes

Utilisé dans
  • Assemblages de plaque de connexion : théorie et exemple d’application
Partager