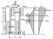
Distribution of Forces and Moments in Column Base According to [1]
Distribution of Forces and Moments in Column Base According to [1]
30.05.2024
009638
  • RFEM 5
  • RSTAB 8
  • RF-JOINTS Steel | Pied de poteau 5
    • Pied de poteau 8
    • Structures en acier
    • Eurocode 3

Distribution of Forces and Moments in Column Base According to [1]

Utilisé dans
  • Poteaux rigides dans RF-/JOINTS Steel – Column Base
Partager