11943x
001430
12.04.2017

Poteaux rigides dans RF-/JOINTS Steel – Column Base

Le calcul de structure ne permet pas seulement de déterminer et vérifier les efforts internes et déformations. Il permet également d’assurer que les forces et moments d’une structure soient générés de manière fiable et appliqués à la fondation. Dlubal Software fournit toute une gamme de produits pour le calcul et la vérification d’assemblages en bois et en acier. Le module additionnel RF-/JOINTS Steel - Column Base vous permet de calculer des semelles de poteaux articulés et encastrés. La vérification peut être réalisée pour des pieds de poteaux avec ou sans raidisseurs.

Cet article présente un exemple de vérification de la section d’un ensemble de poteaux dans une fondation par encuvement en béton. Cet exemple est également décrit dans la littérature [1].

Structure

Le poteau a une section HEB 280 en acier S 235 JR.

Les paramètres géométriques du pied de poteau sont définis dans la fenêtre 1.4 de RF-/JOINTS selon [1]. La profondeur d’encastrement sélectionnée est de 65 cm.

Les paramètres de la plaque d’assise sont définis dans la fenêtre 1.5.

Efforts internes

Les efforts internes de calcul suivants sont disponibles.
NEd = 396,0 kN
VEd = 21,5 kN
MEd = -118,0 kN

Calcul de la profondeur d’encuvement requise

La valeur déterminante est la profondeur d’encastrement minimale basée sur la résistance du béton.

Une hauteur d’encastrement minimale de 54,86 cm est requise. Elle est fournie par la profondeur sélectionnée de 65 cm.

Vérification de la résistance de la section du poteau

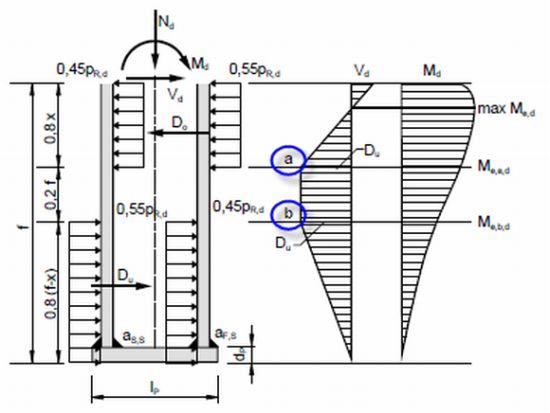
La distribution des efforts et des moments dans le poteau correspond à la distribution suivante, selon [1].

La contrainte normale à partir du moment maximal est calculée comme suit :

Les conditions suivantes s’appliquent à la contrainte de cisaillement maximale :

Les contraintes correspondantes et les détails de vérification sont également disponibles dans le tableau de résultats sous Résistance de la section.

Vérification du poteau à l’intérieur de l’encuvement

La Figure 05 montre les emplacements pertinents pour le calcul. La section BB côté effort de compression s’avère déterminante (point b de la Figure 5) :

La contrainte normale en direction X est calculée comme suit :

La contrainte normale suivante agit en direction Z :

Les conditions suivantes s’appliquent à la contrainte de cisaillement maximale :

Les détails de calcul de la fenêtre 3.1 incluent les contraintes et les ratios correspondants :

Le programme termine la vérification en analysant l’assemblage en compression et les cordons de soudures. Cet article ne détaille pas ce processus.

Conclusion

RF-/JOINTS Steel - Column Base vous permet de calculer les semelles de pieds de poteaux articulés ou encastrés. Dans le cas d’un poteau installé dans un encuvement en béton, le module additionnel analyse la profondeur requise de l’encuvement, la résistance de la section du poteau et la résistance du poteau à l’intérieur de la semelle en fonction des contraintes de traction et de compression générées. L’analyse est complétée par le calcul du béton comprimé sous la plaque d’assise ainsi que par le calcul des soudures entre la plaque d’assise et le poteau.


Auteur

Robert est responsable de la documentation technique. Il veille à ce que les contenus soient clairement structurés, présentés de manière compréhensible et transmis avec précision sur le plan technique.

Liens
Références
Téléchargements


;