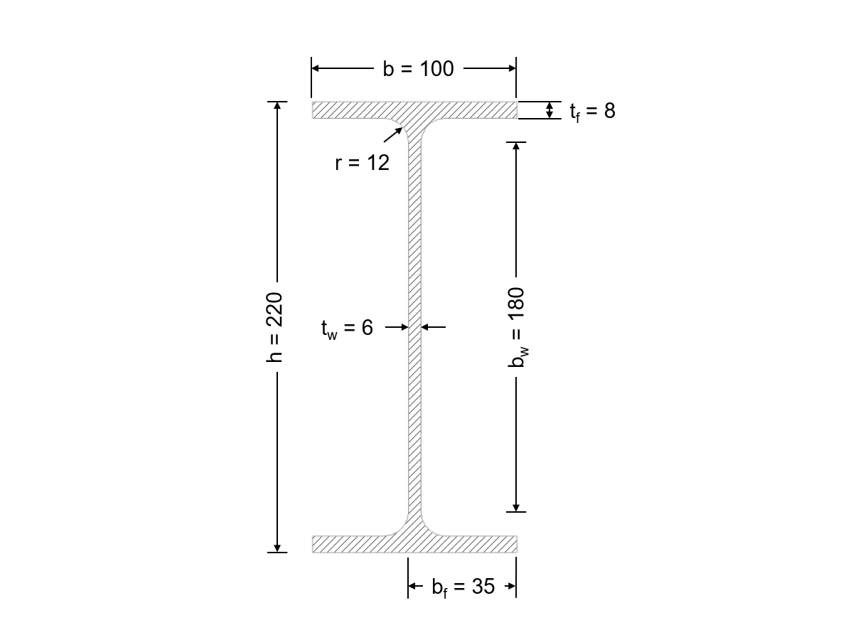
Cotations de la section en mm
Types de base de pièces de section
Système et charge
  • Visionneuse 3D
  • Visionneuse 3D | Babylon
  • Réalité virtuelle
Fenêtre 1.3 Sections
Boîte de dialogue Détails, onglet État limite ultime
Classification des sections - Flexion pure
Classification des sections - Compression pure
Boîte de dialogue Parties c/t
Cotations de la section en mm
Types de base de pièces de section
Système et charge
Fenêtre 1.3 Sections
Boîte de dialogue Détails, onglet État limite ultime
Classification des sections - Flexion pure
Classification des sections - Compression pure
Boîte de dialogue Parties c/t
30.05.2024
014718
  • RFEM 5
  • RF-ALUMINIUM 5
  • RSTAB 8
    • ALUMINIUM 8
    • Conception et calcul de structure
    • Eurocode 9

Cotations de la section en mm

  • Classe de section
  • Classification
  • Classe
  • Classification des sections
  • Classification
Utilisé dans
  • Classification des sections selon l'EN 1999-1-1
Partager
30.05.2024
014717
  • RFEM 5
  • RF-ALUMINIUM 5
  • RSTAB 8
    • ALUMINIUM 8
    • Conception et calcul de structure
    • Eurocode 9
Types de base de pièces de section
  • Classe de section
  • Classification
  • Classe
  • Classification des sections
  • Classification
Utilisé dans
  • Classification des sections selon l'EN 1999-1-1
Partager
30.05.2024
014719
  • RFEM 5
  • RF-ALUMINIUM 5
  • RSTAB 8
    • ALUMINIUM 8
    • Conception et calcul de structure
    • Eurocode 9
Système et charge
  • Classe de section
  • Classification
  • Classe
  • Classification des sections
  • Classification
Utilisé dans
  • Classification des sections selon l'EN 1999-1-1
Modèle 3D
En savoir plus sur le modèle 3D
  • Profilé en I en porte-à-faux EN-AW 6082 (EP, ET, ER/B) T4
Spécifications
Nombre de nœuds 2
Nombre de lignes 1
Nombre de barres 1
Nombre de surfaces 0
Nombre de solides 0
Nombre de cas de charge 2
Nombre de combinaisons de charges 1
Nombre de combinaisons de résultats 0
Poids total 0,016 t
Dimensions (métrique) 2,000 x 0,000 x 0,000 m
Dimensions (impériales) 6.56 x 0 x 0 feet
Partager
30.05.2024
014720
  • RFEM 5
  • RF-ALUMINIUM 5
  • RSTAB 8
    • ALUMINIUM 8
    • Conception et calcul de structure
    • Eurocode 9
Fenêtre 1.3 Sections
  • Classe de section
  • Classification
  • Classe
  • Classification des sections
  • Classe
Utilisé dans
  • Classification des sections selon l'EN 1999-1-1
Partager
30.05.2024
014721
  • RFEM 5
  • RF-ALUMINIUM 5
  • RSTAB 8
    • ALUMINIUM 8
    • Conception et calcul de structure
    • Eurocode 9
Boîte de dialogue Détails, onglet État limite ultime
  • Classe de section
  • Classification
  • Classe
  • Classification des sections
  • Classification
Utilisé dans
  • Classification des sections selon l'EN 1999-1-1
Partager
30.05.2024
014722
  • RFEM 5
  • RF-ALUMINIUM 5
  • RSTAB 8
    • ALUMINIUM 8
    • Conception et calcul de structure
    • Eurocode 9
Classification des sections - Flexion pure
  • Classe de section
  • Classification
  • Classe
  • Classification des sections
  • Classification de section
Utilisé dans
  • Classification des sections selon l'EN 1999-1-1
Partager
30.05.2024
014723
  • RFEM 5
  • RF-ALUMINIUM 5
  • RSTAB 8
    • ALUMINIUM 8
    • Conception et calcul de structure
    • Eurocode 9
Classification des sections - Compression pure
  • Classe de section
  • Classification
  • Classe
  • Classification des sections
  • Classifications
Utilisé dans
  • Classification des sections selon l'EN 1999-1-1
Partager
30.05.2024
014724
  • RFEM 5
  • RF-ALUMINIUM 5
  • RSTAB 8
    • ALUMINIUM 8
    • Conception et calcul de structure
    • Eurocode 9
Boîte de dialogue Parties c/t
Utilisé dans
  • Classification des sections selon l'EN 1999-1-1
Partager