26224x
001673
19.01.2021

Classification des sections selon l'EN 1999-1-1

La classification des sections devrait déterminer la résistance limite et la capacité de rotation due au flambement local des pièces de sections. Quatre classes sont définies dans la norme EN 1999‑1‑1, 6.1.4.2 (1)
  • Les sections de classe 1 sont celles qui peuvent former une articulation plastique avec la capacité de rotation requise pour l’analyse plastique sans réduction de la résistance.
  • Les sections de classe 2 sont celles qui peuvent développer leur résistance plastique en flexion, possédant néanmoins une capacité de rotation limitée en raison du flambement local.
  • Les sections de classe 3 sont celles pour lesquelles la contrainte calculée dans la fibre de compression extrême de la barre en aluminium peut atteindre sa limite d'élasticité, le flambement local est néanmoins susceptible d'empêcher le développement de la résistance plastique en flexion complète.
  • Les sections de classe 4 sont celles dans lesquelles un flambement local se produira avant que la limite d'élasticité ne soit atteinte dans une ou plusieurs pièces de la section.

Types de base de pièces de section

La classification d'une section dépend du rapport largeur/épaisseur b/t de ses éléments soumis à la compression. Selon l’EN 1999-1-1 [1], 6.1.4.2(6), les pièces à parois minces sont classées dans les types de base suivants.

  • éléments à ailettes plats
  • éléments internes plats
  • éléments internes courbés

Ces éléments peuvent être non renforcées ou renforcées par des nervures de renforcement longitudinales, des lèvres en angle ou des boudins (Figure 1).

Paramètres de l'élancement

La sensibilité d’une pièce de section plane non renforcée au flambement local est définie par le paramètre β. Selon EN 1999-1-1, 6.1.4.3 (1), les valeurs suivantes lui sont assignées.

  • éléments internes plats sans gradient de contrainte ou en ailette plats sans gradient de contrainte ou de compression maximale au bout
    • β = b/t | EN 1999-1-1, (6.1)
  • éléments internes avec un gradient de contrainte aboutissant dans un axe neutre au centre
    • β = 0,40 · b/t | EN 1999-1-1, (6.2)
  • éléments internes avec gradient de contrainte et éléments en saillie avec compression maximale à la racine
    • β = η · b/t | EN 1999-1-1, (6.3)

où :

b Largeur de la pièce de la section
t Épaisseur de la section
η Coefficient pour le gradient de contrainte(1)
ψ rapport des contraintes aux bords de la plaque considérée par rapport à la contrainte de compression maximale(2)

(1) Le coefficient pour le gradient de contrainte est déterminé par les expressions suivantes :
η = 0,70 + 0,30 · ψ pour 1 ≥ ψ ≥ -1 | EN 1999-1-1, (6.4)
η = 0,80/(1 - ψ) pour ψ <-1 | EN 1999-1-1, (6.5)
(2) En général, l’axe neutre doit être l’axe neutre élastique, mais l’axe neutre plastique peut être utilisé pour vérifier si une section est de classe 1 ou 2.

Les paramètres d'élancement pour les pièces de section raidies plates sont fournis dans l'EN 1999-1-1, 6.1.4.3 (3).

L'EN 1999-1-1, 6.1.4.3 (4) contient des informations sur les paramètres d'élancement pour les pièces de section internes courbées planes, non raidies et maintenues des deux côtés. L’EN 1999-1-1, 6.1.4.3 (5) traite des paramètres d’élancement des sections tubulaires à parois minces.

Classification des pièces de section

Les paramètres d'élancement β calculés doivent être comparés aux valeurs limites β1 à β3, qui sont déterminées selon le tableau 6.2 de l'EN 1999-1-1 (voir ci-dessous).

  • ε = √(250/fo)
  • fo en N/mm²

Classification des matériaux selon le tableau 3.2 Élément interne Ailette
β1 β2 β3 β1 β2 β3
Classe A, sans soudures 11 16 22 3 4,5 6
Classe A, avec soudures 9 13 18 2,5 4 5
Classe B, sans soudures 13 16,5 18 3,5 4,5 5
Classe B, avec soudures 10 13,5 15 3 3,5 4

La classification distingue les poutres en flexion et les barres en compression. Les limites suivantes sont définies dans l'EN 1999-1-1, 6.1.4.4 (1).

Pièces de section dans les poutres en flexion

  • β ≤ β1 → classe 1
  • β1 < β ≤ β2 → classe 2
  • β2 < β ≤ β3 → classe 3
  • β3 < β → classe 4

Pièces de section dans les barres comprimées

  • β ≤ β2 → classe 1 ou 2
  • β2 < β ≤ β3 → classe 3
  • β3 < β → classe 4

Chaque pièce de la section soumise à une compression totale ou partielle doit être assignée à une classe de section. La pièce de section avec la classe de section la plus défavorable détermine la classe de la section entière. La classification des sections pour les composants structuraux avec flexion et efforts longitudinaux doit être effectuée séparément pour chaque composant de charge selon EN 1999-1-1, 6.3.3. Aucune classification n’est requise pour l’état de contrainte combiné.

Exemple

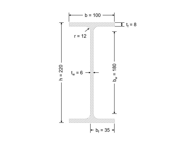
La classification est effectuée pour la section en I indiquée sur la Figure 02 pour la flexion pure et l’effort de compression pur.

Le système et le chargement sont indiqués sur la Figure 03.

Matériau et dimensions

  • EN-AW 6082 (EP,ET,ER/B) T4 | EN 1999-1-1, Tableau 3.2b
  • fo = 110 N/mm²
  • fu = 205 N/mm²
  • Classe de flambement B
  • ε = √ (250/fo ) = √ (250/110) = 1,508 | EN 1999-1-1, Tableau 6.2
  • bw = h - 2 ∙ (tf + r) = 220 - 2 ∙ (8 + 12) = 180 mm
  • bf = 0,5 ∙ (b - tw - 2 ∙ r) = 0,5 ∙ (100 - 6 - 2 ∙ 12) = 35 mm

Classification des sections - Flexion seule

Âme (interne, sans soudures, classe de flambement B)

  • βw = 0,4 ∙ bw/tw = 0,4 ∙ 180/6 = 12 | EN 1999-1-1, (6.2)
  • β1 = 13 ∙ ε = 13 ∙ 1,508 = 19,6 | EN 1999-1-1, Tableau 6.2
  • βw = 12 < β1 = 19,6

L’âme est répertoriée en classe de section 1.

Semelle (en porte-à-faux, sans soudures, classe de flambement B)

  • βf = bf/tf = 35/8 = 4,38 | EN 1999-1-1, (6.1)
  • β1 = 3,5 ∙ ε = 3,5 ∙ 1,508 = 5,28 | EN 1999-1-1, Tableau 6.2
  • βf = 4,38 <β1 = 5,28

L'âme doit être répertoriée dans la classe de section 1.

La section entière doit être répertoriée pour la flexion seule dans la classe de section 1.

Classification de la section - Effort de compression pure

Âme (interne, sans soudures, classe de flambement B)

  • βw = bw/tw = 180/6 = 30 | EN 1999-1-1, (6.1)
  • β3 = 18 ∙ ε = 18 ∙ 1,508 = 27,14 | EN 1999-1-1, Tableau 6.2
  • βw = 30> β3 = 27,14

L'âme est répertoriée en classe de section 4.

Semelle (en porte-à-faux, sans soudures, classe de flambement B)

  • βf = bf/tf = 35/8 = 4,38 | EN 1999-1-1, (6.1)
  • β2 = 4,5 ∙ ε = 4,5 ∙ 1,508 = 6,79 | EN 1999-1-1, Tableau 6.2
  • βf = 4,38 <β2 = 6,79

La semelle doit être répertoriée en classe de section 1 ou 2.

La section entière doit être répertoriée pour l'effort de compression pur dans la classe de section 4.

RF-/ALUMINUM

RF-/ALUMINUM détermine les rapports largeur/épaisseur des pièces de la section soumises à la compression et effectue la classification automatiquement. La classe de section peut également être définie individuellement dans la liste « Classification de la section » de la fenêtre « 1.3 Sections » (Figure 04). Les sections qui ne dépendent pas entièrement des spécifications définies par la norme sont répertoriées en tant que « Générales » dans RF-/ALUMINUM et sont uniquement catégorisées en classe de section 3 ou 4.

RF-/ALUMINUM ne considère que les pièces de section non raidies selon EN 1999-1-1, Figure 6.1 (a) ainsi que les sections tubulaires à parois minces selon EN 1999-1-1, 6.1.4.3 (5). Les pièces de section interne légèrement courbées, non raidies, maintenues des deux côtés selon l’EN 1999-1-1, 6.1.4.3 (4) ne peuvent être considérées que pour le calcul effectué avec la méthode analytique simplifiée. L'influence des raidisseurs selon EN 1999-1-1, 6.1.4.3 (3) n'est pas prise en compte.

La classification des sections pour les composants structuraux avec flexion et efforts longitudinaux est effectuée séparément pour chaque composant de charge dans RF-/ALUMINUM selon l'EN 1999-1-1, 6.3.3. Cependant, il est également possible d'effectuer une classification pour l'état de contrainte combiné. Pour procéder de la sorte, décochez la case « Classifier séparément les composants de charge selon 6.3.3 NOTE 1 et NOTE 2 » dans l'onglet « État limite ultime » de la boîte de dialogue « Détails » (Figure 05).

La classification des sections dans RF-/ALUMINUM est affichée en détail pour chaque pièce de la section chargée en compression parmi les valeurs intermédiaires. La classification des sections de cet exemple pour la flexion pure et la compression pure est indiquée sur les figures 06 et 07.


La numérotation des pièces de la section se trouve dans la boîte de dialogue « Parties c/t » (Figure 08).


Auteur

Sonja travaille dans le Product Engineering et apporte également son soutien au Customer Support. Elle se concentre sur RSECTION ainsi que sur les constructions en acier et en aluminium, où elle met ses connaissances à profit de manière ciblée.

Liens
Références


;