Analyse des propriétés du modèle porteur et recouvrement de barres selon la newsletter DIBt 04/2017
Analyse des propriétés du modèle porteur et recouvrement de barres selon la newsletter DIBt 04/2017
12.11.2025
060083
  • RFEM 6

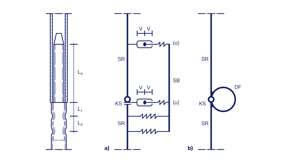
Modèle structural de jonction par recouvrement (selon la Newsletter 04/2017 du DIBt)

Analyse des propriétés du modèle porteur et recouvrement de barres selon la newsletter DIBt 04/2017

Utilisé dans
  • Modélisation et vérification d’une jonction de montant d’échafaudage avec le modèle de structure hybride selon la newsletter DIBt 4/2017 dans RFEM 6/RSTAB 9
Partager