178x
002006
04.03.2026

Modélisation et vérification d’une jonction de montant d’échafaudage avec le modèle de structure hybride selon la newsletter DIBt 4/2017 dans RFEM 6/RSTAB 9

Cet article technique a pour but de vous apprendre comment modéliser et vérifier les jonctions de montants des échafaudages selon DIBt 4/2017 dans RFEM 6 / RSTAB 9.

Pour la réalisation de nombreux projets de construction, des échafaudages sont nécessaires, qu’il s’agisse d’échafaudages de travail, porteurs ou de protection. Afin de garantir la stabilité, la fonctionnalité et la sécurité, des normes telles que les EN 12810 et 12811 imposent des exigences spécifiques en matière de conception, de calcul et de mise en œuvre des échafaudages.

Un aspect essentiel de la modélisation et du dimensionnement de ces échafaudages est la représentation réaliste des jonctions de montants. À cet effet, la newsletter du DIBt 04/2017 [1] fournit un guide pratique.

Ci-après, les principes de modélisation des articulations d’échafaudage conformément à la newsletter du DIBt sont présentés. Ensuite, un exemple d’application montre la modélisation et le dimensionnement d’une jonction de montant dans RFEM 6 / RSTAB 9.

Modèle d’articulation d’échafaudage selon la newsletter du DIBt 04/2017

Les jonctions de montants d’échafaudage présentent un comportement de déformation hautement non linéaire sous l’effet combiné de la flexion et de l’effort normal. Pour représenter de manière réaliste ces non-linéarités, plusieurs modèles porteurs sont spécifiés dans [1]. Dans ce qui suit, les modèles porteurs pour les jonctions de montants de type A sont examinés plus en détail. Les jonctions de montants de type B doivent en règle générale être évaluées sur la base de résultats d’essais et ne sont pas abordées dans cet article technique. Les types A et B distinguent deux modes de fabrication différents des jonctions de montants. Pour le type A, le pion de jonction est serti de manière ajustée dans le tube de montant. Pour le type B, le pion de jonction est formé directement à partir du tube de montant lui-même.

Modèle porteur de jonction à recouvrement de type A

Le modèle porteur de jonction à recouvrement prend en compte le jeu de rotation dans la jonction de montant, c’est-à-dire le jeu entre le pion de jonction et le tube de montant suivant. Lorsqu’un moment fléchissant agit, le jeu de rotation doit d’abord être rattrapé avant qu’un moment fléchissant puisse effectivement être transmis.

L’angle de flambement maximal dû au jeu de rotation est calculé selon la formule suivante.

Ici, vo/u est la mesure du décalage, qui peut à son tour être calculée selon la formule suivante.

avec :
Do/u...diamètre extérieur du tube de montant au bord supérieur ou inférieur de la jonction à recouvrement
to/u...épaisseur de paroi du tube de montant au bord supérieur ou inférieur de la jonction à recouvrement
do/u...diamètre extérieur du pion de jonction au bord supérieur ou inférieur de la jonction à recouvrement

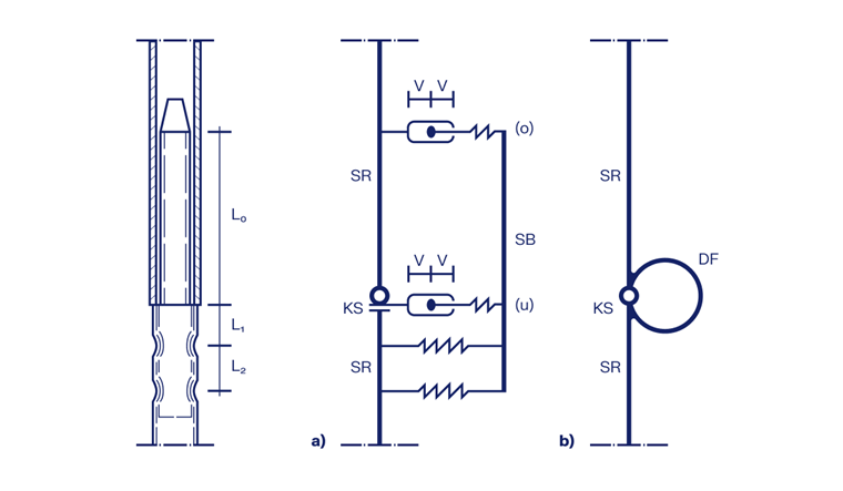
La figure suivante montre la jonction à recouvrement comme modèle détaillé (a) et comme modèle simplifié (b).

  • SR...tube de montant
  • KS...jonction de contact
  • SB...pion de jonction
  • DF...ressort de rotation

En fonction de la mesure du décalage v et de la longueur de recouvrement efficace L0, l’angle de flambement libre maximal phiLose peut être calculé selon l’équation ci-dessus. Avant d’atteindre l’angle de flambement libre maximal, aucune transmission de moment n’a lieu dans la jonction de montant. Après atteinte de l’angle de flambement libre maximal, la transmission du moment s’effectue avec la rigidité du ressort de rotation CSB,d jusqu’à un angle de rotation maximal phimax. Dans [1], une rigidité de ressort de rotation de CSB,d = 10000 kNcm/rad est spécifiée. Selon l’homologation technique, d’autres valeurs peuvent également être déterminantes.

La résistance maximale en flexion du pion de jonction est désignée dans le modèle porteur de jonction à recouvrement par MSB,Rd et la capacité portante maximale en effort normal par NKS,Rd.

Modèle porteur de jonction de contact de type A

Le modèle porteur de jonction de contact prend en compte la transmission des efforts dans la surface de contact entre le tube de montant supérieur et inférieur. L’interaction entre l’effort normal agissant et le moment fléchissant doit être prise en considération.

La liaison des tubes de montant peut être supposée rigide dans ce modèle porteur.

La capacité portante maximale en moment fléchissant MKS,Rd est atteinte dans le modèle porteur de jonction de contact sous l’action simultanée d’un certain effort normal de compression. Si l’effort normal de compression agissant est trop faible, une ouverture de joint apparaît plus tôt sous l’effet de la flexion, ce qui conduit, avec son augmentation, à une perte d’équilibre du modèle porteur de jonction de contact. À l’inverse, un effort normal de compression trop important entraîne une dépassement prématuré des contraintes dans la jonction de contact en raison de la flexion et de l’effort normal combinés.

En cas de dépassement de la capacité portante maximale en effort normal NKS,Rd ou de la capacité portante maximale en moment fléchissant MKS,Rd, la validité du modèle porteur de jonction de contact prend fin. Une exception s’applique si l’effort normal agissant est inférieur à 50 % de la résistance maximale en effort normal. Dans ce cas, après avoir atteint la capacité portante maximale en moment fléchissant, une rotation relative supplémentaire des tubes de montant de phigrenz = 0,01 rad est autorisée.

Modèle porteur hybride de type A

Pour une modélisation économique et réaliste des jonctions de montant, les caractéristiques des deux modèles porteurs présentés peuvent être combinées dans un modèle porteur hybride. Dans le modèle porteur hybride, la transmission des efforts s’effectue d’abord avec une liaison rigide conformément au modèle porteur de jonction de contact. À l’atteinte de M,KS,Rd, un passage au modèle porteur de jonction à recouvrement a lieu. Un moment fléchissant supplémentaire de MSB,Rd peut être repris, ce qui entraîne une rotation relative des tubes de montant.

L’interaction M-N-phi du modèle porteur hybride peut être représentée par le diagramme suivant.

Modélisation dans RFEM 6 / RSTAB 9

Les propriétés du modèle porteur de type A pour les jonctions de montant décrites précédemment peuvent être représentées de manière réaliste dans RFEM 6 ou RSTAB 9 au moyen d’un type spécifique de non-linéarité « Échafaudage N » pour les articulations d’extrémité de barre. L’articulation d’échafaudage influence les conditions d’articulation ux, phiy et phiz. Lors de la sélection de l’articulation d’échafaudage, deux onglets supplémentaires apparaissent. Dans l’onglet « Diagramme d’échafaudage | Tube intérieur », vous définissez les propriétés du modèle porteur de la jonction à recouvrement. Dans l’onglet « Diagramme d’échafaudage | Tube extérieur », vous définissez les propriétés du modèle porteur de la jonction de contact.

Exemple d’application

Ci-après, la modélisation et le dimensionnement d’une jonction de montant selon l’homologation technique Z-8.22-921 du DIBt [2] sont réalisés à titre d’exemple.

Les paramètres suivants sont connus :

Géométrie:
Parameter Symbol Wert
Diamètre du tube extérieur D 48,3 mm
Épaisseur de paroi du tube extérieur t 3,2 mm
Diamètre du tube intérieur d 38 mm
Épaisseur de paroi du tube intérieur ti 4 mm
Longueur de recouvrement statiquement efficace L0 200 mm
Dimension de la vis -- M12

Caractéristiques des matériaux:
Parameter Symbol Wert
Limite d’élasticité du matériau du montant fy,d 0,32 kN/mm2
Classe de vis -- 10.9

Efforts internes:
Parameter Symbol Wert
Effort normal de compression NEd (-) -80 kN
Effort normal de traction NEd (+) 20 kN
Moment fléchissant MEd 70 kNcm

Résistances:
Parameter Symbol Wert
Rigidité du ressort de rotation CSB,d 9290 kNcm/rad
Résistance à l’effort de compression NKS,Rd 83,2 kN
Résistance à l’effort de traction ZRd 42,5 kN
Résistance en flexion du pion de jonction MSB,Rd 85,3 kNcm

Modélisation de l’articulation d’échafaudage

Pour définir le « Diagramme d’échafaudage | Tube intérieur » dans RFEM 6 / RSTAB 9, les valeurs suivantes sont nécessaires :

  • L’angle de flambement maximal dû au jeu de rotation phiLose

avec

  • La résistance en flexion du pion de jonction MSB,Rd
  • L’angle de flambement maximal dans la jonction de montant phimax

Avec ces informations, le « Diagramme d’échafaudage | Tube intérieur » peut être défini comme illustré dans la figure suivante.

Pour définir le « Diagramme d’échafaudage | Tube extérieur » dans RFEM 6, la résistance en flexion dans la jonction de contact doit être déterminée en fonction de l’effort normal agissant. Pour cela, le moment maximal transmissible via KS MKS,max doit d’abord être déterminé selon l’équation suivante :

La résistance en flexion MKS,Rd en fonction de l’effort normal agissant se calcule ensuite comme suit (ici à titre d’exemple avec des valeurs insérées pour un effort normal agissant de 80 kN et une capacité portante en compression selon l’homologation de 83,2 kN) :

À partir de la fonction MKS,Rd(NKS,Ed), le Diagramme d’échafaudage | Tube extérieur peut alors être établi conformément à la figure suivante.

L’entrée est ainsi complète et le comportement charge-déformation de l’articulation d’échafaudage est représenté de manière réaliste dans RFEM 6.

Dimensionnement de la jonction de montant

Ensuite, il convient de vérifier la résistance de la jonction de montant sous les efforts internes agissants donnés NEd (-) = -80 kN, NEd (+) = 20 kN et MEd = 70 kNcm. À cet effet, selon la newsletter du DIBt, la résistance au moment et à l’effort normal doit être démontrée conformément aux équations suivantes :

La résistance en flexion MKS,Rd = 6,51 kNcm peut être lue directement dans le Diagramme d’échafaudage | Tube extérieur (voir figure ci-dessus).

Par ailleurs, conformément à l’homologation [2], la résistance sous traction doit être démontrée selon l’équation suivante :

Conclusion

Les modèles porteurs pour les jonctions de montant d’échafaudages conformément à [1] ont été examinés. La saisie des articulations d’échafaudage dans RFEM 6 ou RSTAB 9 a été expliquée à l’aide d’un exemple d’application. La prise en compte du comportement charge-déformation non linéaire de l’articulation d’échafaudage permet de garantir un calcul des efforts internes réaliste. Ensuite, la résistance de la jonction de montant a été vérifiée conformément à l’homologation technique.


Auteur

M. Wanke fournit une assistance technique aux clients de Dlubal Software.

Références


;