Sistema strutturale, carico, forze interne
Sezione della trave HEA 600, S235
Sistema strutturale, carico, forze interne
Sezione della trave HEA 600, S235
2024-05-30
008903
  • RFEM 5
  • RF-STEEL EC3 5
  • RSTAB 8
    • ACCIAIO EC3 8
    • Strutture in acciaio
    • Eurocode 3

Struttura, carico, forze interne

Sistema strutturale, carico, forze interne

Usato in
  • Verifica elasto-plastica della sezione trasversale
Condividi
2024-05-30
008904
  • RFEM 5
  • RF-STEEL EC3 5
  • RSTAB 8
    • ACCIAIO EC3 8
    • Strutture in acciaio
    • Eurocode 3
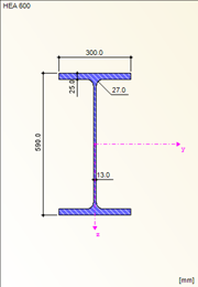
Sezione di trave HEA 600, S235
Sezione della trave HEA 600, S235

Usato in
  • Verifica elasto-plastica della sezione trasversale
Condividi