7895x
001576
2019-06-12

Verifica elasto-plastica della sezione trasversale

L'articolo che segue descrive la progettazione di una trave a due campate sottoposta a flessione mediante il modulo aggiuntivo RF-STEEL EC3 secondo EN 1993-1-1. Il collasso per instabilità globale sarà escluso a causa di sufficienti misure di stabilizzazione.

Sistema strutturale e carico

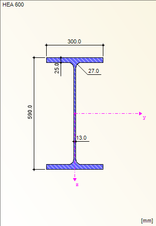
Calcolo della classe della sezione traversale

L'area del vincolo interno della trave a due campate è determinante per il calcolo della classe e la verifica della sezione trasversale.

Calcolo per l'anima (ψ = -1):
[1] Tabella 5.2, parti della sezione trasversale vincolate su entrambi i lati


L'anima soddisfa così i requisiti della classe di sezione trasversale 1.

Calcolo per l'ala inferiore (ψ = 1):
[1] Tabella 5.2, parti della sezione trasversale vincolate su un lato


Le ali soddisfano così i requisiti della classe di sezione trasversale 1. La sezione trasversale viene assegnata alla classe di sezione trasversale 1.

Verifica elasto-plastica della sezione trasversale

La progettazione della sezione trasversale si esegue per la sezione trasversale di classe 1. Sopra il vincolo interno, la trave è sottoposta alla forza di flessione e di taglio, nella posizione del momento massimo in campata solo alla flessione. L'influenza dell'interazione M-V viene verificata prima di determinare lo stato limite ultimo della struttura. Se VEd non è superiore a 0,5 ⋅ Vpl,Rd, non è necessario ridurre il momento resistente secondo [1] Sezione 6.2.8 (2).

È necessario ridurre il momento resistente.

Per i profili a I ad ali uguali e flessione semplice intorno all'asse principale, è consentito determinare la riduzione del valore di progetto momento resistente plastico dovuta al carico di taglio come segue:


Autore

Sandy supporta il Customer Support nelle questioni tecniche relative al software. Si familiarizza con affidabilità con nuovi argomenti e contribuisce a soluzioni strutturate in modo chiaro.

Link
Bibliografia


;