Trave biforcuta con carico distribuito (Fonte: [3])
Fessure su travi in legno lamellare (Fonte: [4])
Ausweichen des Trägers
Geometrie des Trägers
Introduzione del carico eccentrico in RF-/FE-LTB
Molle continue (da RF-/FE-LTB)
modo di collasso
momenti torcenti
Momento torsionale in legno lamellare RX
Trave biforcuta con carico distribuito (Fonte: [3])
Fessure su travi in legno lamellare (Fonte: [4])
Ausweichen des Trägers
Geometrie des Trägers
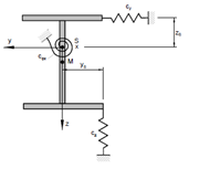
Introduzione del carico eccentrico in RF-/FE-LTB
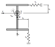
Molle continue (da RF-/FE-LTB)
modo di collasso
momenti torcenti
Momento torsionale in legno lamellare RX
2024-05-30
009690
  • RFEM 5
  • RSTAB 8
  • RF-FE-LTB 5
    • FE-LTB 8
    • RX-TIMBER Glued-Laminated Beam 2
    • Strutture di legno
    • Analisi di stabilità
    • Eurocode 5

Trave biforcuta con carico distribuito (Fonte: [3])

Usato in
  • Progettazione di torsione di travi lamellari
Condividi
2024-05-30
009691
  • RFEM 5
  • RSTAB 8
  • RF-FE-LTB 5
    • FE-LTB 8
    • RX-TIMBER Glued-Laminated Beam 2
    • Strutture di legno
    • Analisi di stabilità
    • Eurocode 5
Fessure su travi in legno lamellare (Fonte: [4])
Usato in
  • Progettazione di torsione di travi lamellari
Condividi
2024-05-30
009692
  • RFEM 5
  • RSTAB 8
  • RF-FE-LTB 5
    • FE-LTB 8
    • RX-TIMBER Glued-Laminated Beam 2
    • Strutture di legno
    • Analisi di stabilità
    • Eurocode 5
Ausweichen des Trägers
Usato in
  • Progettazione di torsione di travi lamellari
Condividi
2024-05-30
009693
  • RFEM 5
  • RSTAB 8
  • RF-FE-LTB 5
    • FE-LTB 8
    • RX-TIMBER Glued-Laminated Beam 2
    • Strutture di legno
    • Analisi di stabilità
    • Eurocode 5
Geometrie des Trägers
Usato in
  • Progettazione di torsione di travi lamellari
Condividi
2024-05-30
009694
  • RFEM 5
  • RSTAB 8
  • RF-FE-LTB 5
    • FE-LTB 8
    • RX-TIMBER Glued-Laminated Beam 2
    • Strutture di legno
    • Analisi di stabilità
    • Eurocode 5
Introduzione del carico eccentrico in RF-/FE-LTB
Usato in
  • Progettazione di torsione di travi lamellari
Condividi
2024-04-19
009695
  • RFEM 5
  • RSTAB 8
  • RF-FE-LTB 5
    • FE-LTB 8
    • RX-TIMBER Glued-Laminated Beam 2
    • Strutture di legno
    • Analisi di stabilità
    • Eurocode 5
Molle continue (da RF-/FE-LTB)
Usato in
  • Progettazione di torsione di travi lamellari
Condividi
2024-04-19
009696
  • RFEM 5
  • RSTAB 8
  • RF-FE-LTB 5
    • FE-LTB 8
    • RX-TIMBER Glued-Laminated Beam 2
    • Strutture di legno
    • Analisi di stabilità
    • Eurocode 5
modo di collasso
Usato in
  • Progettazione di torsione di travi lamellari
Condividi
2024-04-19
009697
  • RFEM 5
  • RSTAB 8
  • RF-FE-LTB 5
    • FE-LTB 8
    • RX-TIMBER Glued-Laminated Beam 2
    • Strutture di legno
    • Analisi di stabilità
    • Eurocode 5
momenti torcenti
Usato in
  • Progettazione di torsione di travi lamellari
Condividi
2024-05-30
009698
  • RFEM 5
  • RSTAB 8
  • RF-FE-LTB 5
    • FE-LTB 8
    • RX-TIMBER Glued-Laminated Beam 2
    • Strutture di legno
    • Analisi di stabilità
    • Eurocode 5
Momento torsionale in legno lamellare RX
Usato in
  • Progettazione di torsione di travi lamellari
Condividi