20047x
001410
2017-03-08

Progettazione di torsione di travi lamellari

Le travi lamellari incollate a campata lunga sono solitamente supportate da una colonna in cemento armato con vincoli torsionali.

In corrispondenza di questi cuscinetti a forcella si verificano momenti torcenti, che devono essere verificati secondo [2] Sezione 6.1.9:

La sovrapposizione di forze interne dalla forza di taglio e dalla torsione dovrebbe evitare la formazione di fessure sul vincolo esterno.

Il momento torcente sui vincoli esterni terminali è causato dall'inflessione della trave nel caso di un carico a forma sinusoidale (vedi Figura 03).

Secondo [1] , il valore di l/400 deve essere impostato per la controfreccia. Ciò si basa sul requisito minimo di irrigidimento del sistema portante secondario. Ulteriori informazioni si possono trovare in [3], per esempio.

Tuttavia, gli attuali metodi di analisi delle aste strutturali non sono in grado di rilevare la torsione sui vincoli esterni. Inoltre, molti programmi di calcolo non consentono di considerare l'ingobbamento della sezione trasversale. Poiché il calcolo viene spesso eseguito nei programmi di analisi di strutture intelaiate 2D, il criterio limite è fornito in [2], sezione da NCI a 9.2.5.3 (Espressione 2):

Se il rapporto di snellezza della trave è inferiore a questo valore, le componenti della tensione torsionale possono essere trascurate.

Calcolo in legno lamellare incollato RX-TIMBER

L'esempio seguente chiarisce questa relazione.
Struttura:
Campata = 25 m
Materiale = GL24c
Sezione trasversale = 12 cm/242 cm (senza cuneo di colmo)

La trave è soggetta ad un carico distribuito uniformemente di 13.5 kN/m. Il peso proprio è trascurato.

La verifica determinante è l'analisi delle tensioni torsionali specificata nell'espressione 1. In questo caso, lef è la stessa lunghezza della campata di 2,46 m. La spaziatura dei vincoli esterni per instabilità flesso-torsionale può essere applicata solo se l'irrigidimento orizzontale del sistema portante secondario è < l/500 o l/1.000. Questo non si applica qui.


Forze interne e tensioni:

Calcolo considerando la torsione da ingobbamento

RF-/FE-LTB consente di applicare la forza di compressione eccentrica alla trave. Il carico della linea di 13,5 kN/m può quindi essere applicato fuori centro della trave.

Come mostrato nella Figura 05, l'eccentricità del carico è impostata su 6 cm. Inoltre, una deformazione laterale di 6,15 cm è applicata in conformità a [2] (NA.5).

Basato sulla teoria della flessione di Bernoulli, RF-/FE‑LTB può determinare il carico critico Fki e quindi il momento critico elastico ideale Mki e il carico di instabilità torsionale Nki,phi.

Il calcolo si basa sulla teoria dell'instabilità torsionale del secondo ordine. Si tiene conto anche dell'ingobbamento della sezione trasversale (7° grado di libertà).

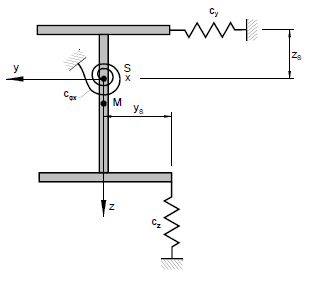
Al fine di considerare la corrispondente copertura o irrigidimento dovuto al sistema di supporto secondario, è stata definita una molla rotazionale intorno all'asse locale x dell'asta. Il programma converte questa molla nel centro di taglio M.

Viene applicata solo una molla di torsione per ottenere la figura di deformazione mostrata in Figura 2. Una molla traslazionale sull'ala superiore della struttura sarebbe più realistica. Tuttavia, la forma dell'imperfezione richiesta non può essere creata a causa della curvatura della trave. La figura dell'imperfezione verrebbe quindi tagliata nel mezzo, come mostrato nella Figura 7. In questo modo, i momenti torsionali sarebbero ridotti in modo significativo.

Con un vincolo rotazionale di 500 kNm/m, sui vincoli esterni risultano momenti torsionali di 9,8 kNm.

Utilizzando questo momento torcente, la verifica di [1] può essere eseguita di nuovo in RX-TIMBER Glue-Laminated Beam. Per questo, il momento torcente determinato è definito in RX-TIMBER Glue-Laminated Beam.

Conclusione

La struttura può essere progettata molto più economicamente considerando la rigidezza dell'ingobbamento della sezione trasversale.

La differenza dall'approccio generale della sezione 9.2.5 in [2] è ancora più grave quando, ad esempio, si sostituisce un vincolo rotazionale virtuale con una rigidezza traslazionale di 915 N/mm per la deformazione longitudinale di un chiodo convenzionale in un'asta di accoppiamento .


Autore

Bastian è responsabile nello sviluppo prodotto dell’engineering e dell’assicurazione della qualità nell’ingegneria del legno ed è inoltre attivo nel supporto clienti. La sua esperienza confluisce direttamente nell’elaborazione di questioni pratiche.

Link
Bibliografia
Download


;