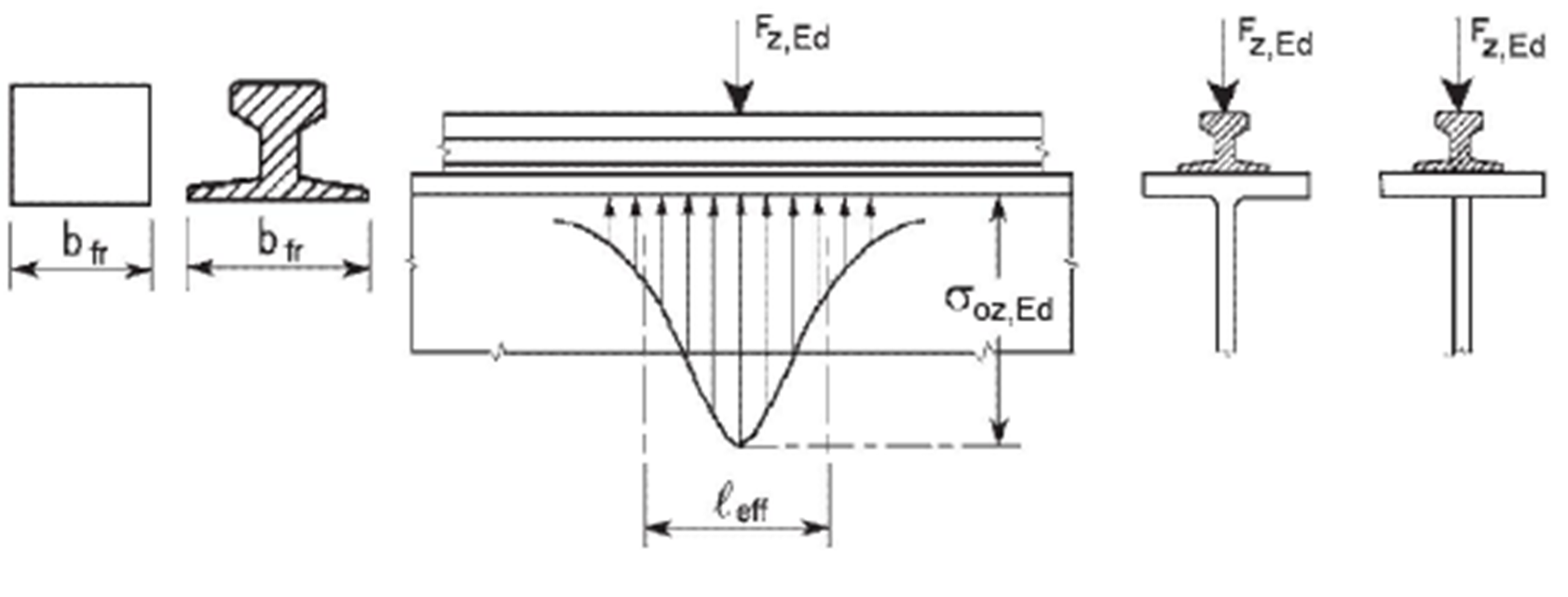
Lunghezza di propagazione del carico efficace
Lunghezza di propagazione del carico efficace
2024-05-30
009720
  • CRANEWAY 8
  • Gru e vie di corsa
  • Eurocode 3

Lunghezza di propagazione del carico efficace

Usato in
  • Verifica allo stato limite ultimo delle saldature delle rotaie delle travi di gru secondo EN 1993-6
Condividi