Esempio di verifica 000050 | 3 °
  • Visualizzatore 3D
  • 3D Viewer | Babylon
  • Realtà virtuale
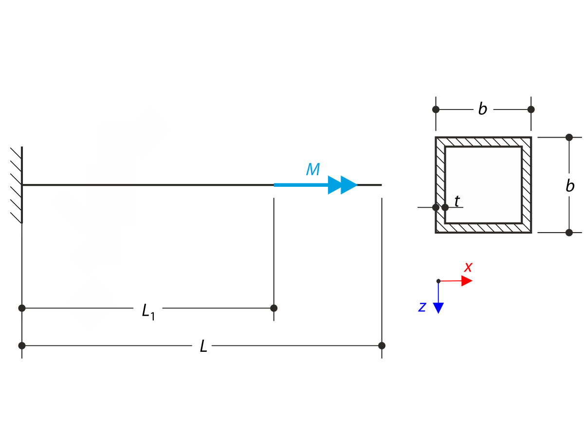
Sbalzo sotto torsione senza ingobbamento
  • Visualizzatore 3D
  • 3D Viewer | Babylon
  • Realtà virtuale
Esempio di verifica 000050 | 3 °
Sbalzo sotto torsione senza ingobbamento
2024-03-09
010714
  • RFEM 5
  • RSTAB 8

Esempio di verifica 000050 | 3 °

Usato in
  • Esempio di verifica 000050 | 3
Modello 3D
Ulteriori informazioni sul modello 3D
  • Esempio di verifica 000050 | 3
Specifiche
Numero di nodi 3
Numero di linee 2
Numero di aste 2
Numero di casi di carico 1
Peso totale 0,146 t
Dimensioni (metriche) 4.200 x 0.400 x 0.400 m
Dimensioni (imperiali) 13.78 x 1.31 x 1.31 feet
Versione del programma 5.03.00
Condividi
2024-08-13
007432
Sbalzo sotto torsione senza ingobbamento
Usato in
  • Cantilever sotto torsione senza instabilità
Modello 3D
Ulteriori informazioni sul modello 3D
  • Esempio di verifica 000050 | 3
Specifiche
Numero di nodi 3
Numero di linee 2
Numero di aste 2
Numero di casi di carico 1
Peso totale 0,146 t
Dimensioni (metriche) 4.200 x 0.400 x 0.400 m
Dimensioni (imperiali) 13.78 x 1.31 x 1.31 feet
Versione del programma 5.03.00
Condividi