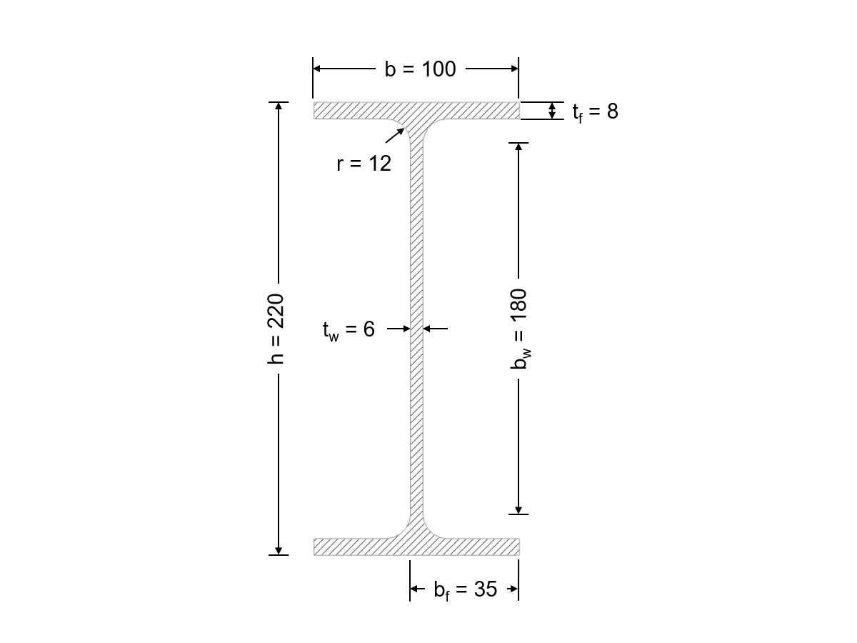
Abmessungen des Querschnitts in mm
Tipi di base di parti della sezione trasversale
Sistema strutturale e carico
  • Visualizzatore 3D
  • 3D Viewer | Babylon
  • Realtà virtuale
Finestra 1.3 Sezioni trasversali
Finestra di dialogo Dettagli, scheda Stato limite ultimo
Classificazione della sezione trasversale - Curvatura pura
Classificazione della sezione trasversale - Compressione pura
Finestra di dialogo Parti c/t
Abmessungen des Querschnitts in mm
Tipi di base di parti della sezione trasversale
Sistema strutturale e carico
Finestra 1.3 Sezioni trasversali
Finestra di dialogo Dettagli, scheda Stato limite ultimo
Classificazione della sezione trasversale - Curvatura pura
Classificazione della sezione trasversale - Compressione pura
Finestra di dialogo Parti c/t
2024-05-30
014718
  • RFEM 5
  • RF-ALUMINIUM 5
  • RSTAB 8
    • ALLUMINIO 8
    • Analisi e progettazione strutturale
    • Eurocode 9

Dimensioni della sezione trasversale in mm

Abmessungen des Querschnitts in mm

Usato in
  • Classificazione della sezione trasversale secondo EN 1999-1-1
Condividi
2024-05-30
014717
  • RFEM 5
  • RF-ALUMINIUM 5
  • RSTAB 8
    • ALLUMINIO 8
    • Analisi e progettazione strutturale
    • Eurocode 9
Tipi di base di parti della sezione trasversale
Usato in
  • Classificazione della sezione trasversale secondo EN 1999-1-1
Condividi
2024-05-30
014719
  • RFEM 5
  • RF-ALUMINIUM 5
  • RSTAB 8
    • ALLUMINIO 8
    • Analisi e progettazione strutturale
    • Eurocode 9
Sistema strutturale e carico
Usato in
  • Classificazione della sezione trasversale secondo EN 1999-1-1
Modello 3D
Ulteriori informazioni sul modello 3D
  • Sezione a sbalzo a I EN-AW 6082 (EP, ET, ER/B) T4
Specifiche
Numero di nodi 2
Numero di linee 1
Numero di aste 1
Numero di superfici 0
Numero di solidi 0
Numero di casi di carico 2
Nr. di combinazioni di carico 1
Nr. di combinazioni di risultati 0
Peso totale 0,016 t
Dimensioni (metriche) 2,000 x 0,000 x 0,000 m
Dimensioni (imperiali) 6.56 x 0 x 0 feet
Condividi
2024-05-30
014720
  • RFEM 5
  • RF-ALUMINIUM 5
  • RSTAB 8
    • ALLUMINIO 8
    • Analisi e progettazione strutturale
    • Eurocode 9
Finestra 1.3 Sezioni trasversali
Usato in
  • Classificazione della sezione trasversale secondo EN 1999-1-1
Condividi
2024-05-30
014721
  • RFEM 5
  • RF-ALUMINIUM 5
  • RSTAB 8
    • ALLUMINIO 8
    • Analisi e progettazione strutturale
    • Eurocode 9
Finestra di dialogo Dettagli, scheda Stato limite ultimo
Usato in
  • Classificazione della sezione trasversale secondo EN 1999-1-1
Condividi
2024-05-30
014722
  • RFEM 5
  • RF-ALUMINIUM 5
  • RSTAB 8
    • ALLUMINIO 8
    • Analisi e progettazione strutturale
    • Eurocode 9
Classificazione della sezione trasversale - Curvatura pura
Usato in
  • Classificazione della sezione trasversale secondo EN 1999-1-1
Condividi
2024-05-30
014723
  • RFEM 5
  • RF-ALUMINIUM 5
  • RSTAB 8
    • ALLUMINIO 8
    • Analisi e progettazione strutturale
    • Eurocode 9
Classificazione della sezione trasversale - Compressione pura
Usato in
  • Classificazione della sezione trasversale secondo EN 1999-1-1
Condividi
2024-05-30
014724
  • RFEM 5
  • RF-ALUMINIUM 5
  • RSTAB 8
    • ALLUMINIO 8
    • Analisi e progettazione strutturale
    • Eurocode 9
Finestra di dialogo Parti c/t
Usato in
  • Classificazione della sezione trasversale secondo EN 1999-1-1
Condividi