26224x
001673
2021-01-19

Classificazione della sezione trasversale secondo EN 1999-1-1

La classificazione delle sezioni trasversali in alluminio determina i limiti di resistenza e capacità rotazionale dovute all'instabilità locale di parti della sezione trasversale. Nella norma EN 1999‑1‑1, 6.1.4.2 (1) sono definite quattro classi.
  • Le sezioni trasversali di classe 1 sono quelle che possono formare una cerniera plastica con la capacità di rotazione richiesta per l'analisi plastica senza riduzione della resistenza.
  • Le sezioni trasversali di classe 2 sono quelle che possono sviluppare una resistenza a momento plastico, ma hanno una capacità di rotazione limitata a causa dell'instabilità locale.
  • Le sezioni trasversali di classe 3 sono quelle in cui la tensione calcolata nella fibra di compressione estrema dell'asta di alluminio può raggiungere la sua resistenza di prova, ma l'instabilità locale è suscettibile di impedire lo sviluppo del momento resistente plastico completo.
  • Le sezioni trasversali di classe 4 sono quelle in cui si verificherà un'instabilità locale prima del raggiungimento della tensione di prova in una o più parti della sezione trasversale.

Tipi di base di parti di sezioni trasversali

La classificazione di una sezione trasversale's dipende dal rapporto larghezza/spessore b/t delle sue parti soggette a compressione. Secondo EN 1999-1-1 [1], 6.1.4.2 (6), le parti in parete sottile sono classificate nei seguenti tipi di base.

  • parti sporgenti piatte
  • parti interne piatte
  • parti interne curve

Queste parti possono essere non rinforzate o rinforzate da nervature di irrigidimento longitudinale, bordi o bulbi (Figura 1).

Parametro di snellezza

La suscettibilità di una parte piana non armata all'instabilità locale è definita dal parametro β. Secondo EN 1999-1-1, 6.1.4.3 (1), ha i seguenti valori.

  • parti interne piatte senza gradiente di tensione o sporgenze piatte senza gradiente di tensione o compressione massima alla convergenza
    • β = b/t | EN 1999-1-1, (6.1)
  • parti interne con un gradiente di tensione che risulta in un asse neutro al centro
    • β = 0,40 · b/t | EN 1999-1-1, (6.2)
  • parti interne con gradiente di tensione e sporgenze con picco di compressione alla radice
    • β = η · b/t | EN 1999-1-1, (6.3)

dove

b Larghezza parte di sezione
t Spessore della sezione
η Coefficiente per gradiente di tensione(1)
ψ rapporto delle tensioni ai bordi della piastra in esame relative alla tensione di compressione massima(2)

(1) Il coefficiente per il gradiente di tensione è determinato dalle seguenti espressioni:
η = 0,70 + 0,30 · ψ per 1 ≥ ψ ≥ -1 | EN 1999-1-1, (6.4)
η = 0,80/(1 - ψ) per ψ < -1 | EN 1999-1-1, (6.5)
(2) In generale, l'asse neutro dovrebbe essere l'asse neutro elastico, ma l'asse neutro plastico può essere utilizzato per verificare se una sezione è di classe 1 o 2.

I parametri di snellezza per le parti piane di sezioni trasversali irrigidite sono forniti in EN 1999-1-1, 6.1.4.3 (3).

EN 1999-1-1, 6.1.4.3 (4) contiene informazioni sui parametri di snellezza per parti di sezioni trasversali interne piatte, non irrigidite, vincolate su entrambi i lati. EN 1999-1-1, 6.1.4.3 (5) si occupa dei parametri di snellezza delle sezioni tubolari a parete sottile.

Classificazione delle parti di sezioni trasversali

I parametri di snellezza calcolati β devono essere confrontati con i valori limite da β1 a β3, che sono determinati secondo EN 1999-1-1, Tabella 6.2 (vedi sotto).

  • ε = √(250/fo )
  • fo in N/mm²

Classificazione dei materiali secondo la tabella 3.2 Parte interna Parte eccezionale
β1 β2 β3 β1 β2 β3
Classe A, senza saldature 11 16 22 3 4.5 6
Classe A, con saldature 9 13 18 2.5 4 5
Classe B, senza saldature 13 16,5 18 3.5 4.5 5
Classe B, con saldature 10 13.5 15 3 3.5 4

La classificazione distingue tra travi flettenti e aste compresse. I seguenti limiti sono definiti nella EN 1999-1-1, 6.1.4.4 (1).

Parti della sezione trasversale nelle travi a flessione

  • β ≤ β1 → classe 1
  • β1 < β ≤ β2 → classe 2
  • β2 < β ≤ β3 → classe 3
  • β3 < β → classe 4

Parti della sezione trasversale nelle aste compresse

  • β ≤ β2 → classe 1 o 2
  • β2 < β ≤ β3 → classe 3
  • β3 < β → classe 4

Ogni parte della sezione trasversale che è completamente o parzialmente soggetta a compressione deve essere assegnata a una classe di sezione trasversale. La parte della sezione trasversale con la classe della sezione trasversale più sfavorevole determina la classe dell'intera sezione trasversale. La classificazione delle sezioni trasversali per componenti strutturali con flessione e forze longitudinali deve essere eseguita separatamente per ciascun componente di carico secondo EN 1999-1-1, 6.3.3. Non è richiesta alcuna classificazione per lo stato tensionale combinato.

Esempio

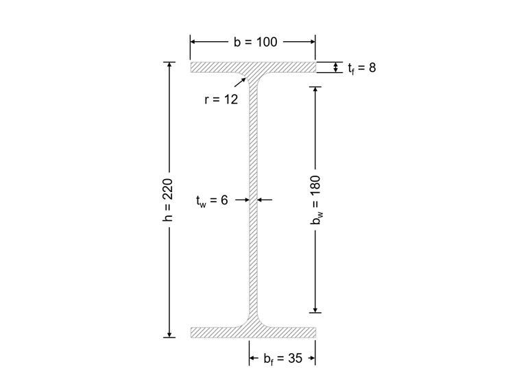
La classificazione viene eseguita per la sezione a I mostrata nell'immagine 02 per la flessione pura e la forza di compressione pura.

Il sistema e il carico sono mostrati nell'immagine 03.

Materiale e dimensioni

  • EN-AW 6082 (EP, ET, ER/B) T4 | EN 1999-1-1, Tabella 3.2b
  • fo = 110 N/mm²
  • fu = 205 N/mm²
  • Classe di instabilità B
  • ε = √(250/fo ) = √(250/110) = 1.508 | EN 1999-1-1, Tabella 6.2
  • bw = h - 2 ∙ (tf + r) = 220 - 2 ∙ (8 + 12) = 180 mm
  • bf = 0.5 ∙ (b - tw - 2 ∙ r) = 0.5 ∙ (100 - 6 - 2 ∙ 12) = 35 mm

Classificazione della sezione trasversale - Flessione pura

Anima (interna, senza saldature, classe di instabilità B)

  • βw = 0,4 ∙ bw/tw = 0,4 ∙ 180/6 = 12 | EN 1999-1-1, (6.2)
  • β1 = 13 ∙ ε = 13 ∙ 1.508 = 19.6 | EN 1999-1-1, Tabella 6.2
  • βw = 12 < β1 = 19,6

L'anima è classificata nella classe di sezione trasversale 1.

Flangia (a sbalzo, senza saldature, classe di instabilità B)

  • βf = bf/tf = 35/8 = 4,38 | EN 1999-1-1, (6.1)
  • β1 = 3,5 ∙ ε = 3,5 ∙ 1,508 = 5,28 | EN 1999-1-1, Tabella 6.2
  • βf = 4,38 < β1 = 5,28

L'anima deve essere classificata nella classe 1 della sezione trasversale.

L'intera sezione trasversale deve essere classificata per la flessione pura nella classe della sezione trasversale 1.

Classificazione della sezione trasversale - Forza di compressione pura

Anima (interna, senza saldature, classe di instabilità B)

  • βw = bw/tw = 180/6 = 30 | EN 1999-1-1, (6.1)
  • β3 = 18 ∙ ε = 18 ∙ 1.508 = 27.14 | EN 1999-1-1, Tabella 6.2
  • βw = 30 > β3 = 27.14

L'anima è classificata nella classe di sezione trasversale 4.

Flangia (a sbalzo, senza saldature, classe di instabilità B)

  • βf = bf/tf = 35/8 = 4,38 | EN 1999-1-1, (6.1)
  • β2 = 4,5 ∙ ε = 4,5 ∙ 1,508 = 6,79 | EN 1999-1-1, Tabella 6.2
  • βf = 4,38 < β2 = 6,79

L'ala deve essere classificata nella classe della sezione trasversale 1 o 2.

L'intera sezione trasversale deve essere classificata per la forza di compressione pura nella classe della sezione trasversale 4.

RF-/Aluminum

RF-/ALUMINUM determina i rapporti larghezza/spessore delle parti della sezione trasversale soggette a compressione ed esegue automaticamente la classificazione. In alternativa, la classe della sezione trasversale può essere definita individualmente nell'elenco "Classificazione delle sezioni trasversali" della finestra "1.3 Sezioni trasversali" (Figura 04). Le sezioni trasversali che non sono completamente coperte dalle specifiche della norma sono classificate come "Generali" in RF-/ALUMINUM e sono classificate solo nella classe della sezione trasversale 3 o 4.

RF-/ALUMINUM considera solo le sezioni trasversali non irrigidite secondo EN 1999-1-1, Figura 6.1 (a) e le sezioni tubolari a parete sottile secondo EN 1999-1-1, 6.1.4.3 (5). Le parti della sezione trasversale interna leggermente curve, non irrigidite, vincolate su entrambi i lati secondo EN 1999-1-1, 6.1.4.3 (4) possono essere considerate solo per il calcolo eseguito con il metodo analitico semplificato. L'influenza degli irrigidimenti secondo EN 1999-1-1, 6.1.4.3 (3) non è considerata.

La classificazione delle sezioni trasversali per componenti strutturali con flessione e forze longitudinali viene eseguita separatamente per ciascun componente di carico in RF-/ALUMINUM secondo EN 1999-1-1, 6.3.3. Tuttavia, è anche possibile eseguire una classificazione per lo stato tensionale combinato. Per fare ciò, disattivare la casella di controllo "Classifica separatamente i componenti di carico secondo 6.3.3 NOTA 1 e NOTA 2" nella scheda "Stato limite ultimo" della finestra di dialogo "Dettagli" (Figura 05).

La classificazione della sezione trasversale in RF-/ALUMINUM è visualizzata in dettaglio per ogni parte della sezione trasversale caricata a compressione tra i valori intermedi. La classificazione della sezione trasversale di questo esempio per la flessione pura e la compressione pura è mostrata nelle immagini 06 e 07.


La numerazione delle parti della sezione trasversale' può essere trovata nella finestra di dialogo "Parti c/t" (Figura 08).


Autore

Sonja lavora nel Product Engineering e supporta inoltre nel Customer Support. Il suo focus è su RSECTION, nonché sulla costruzione in acciaio e alluminio, dove mette a frutto in modo mirato le sue conoscenze.

Link
Bibliografia


;