Flessione spaziale con forza assiale e ingobbamento
Flessione spaziale con forza assiale e ingobbamento
2024-07-09
048076
  • RFEM 6

Flessione spaziale con forza assiale e ingobbamento

Usato in
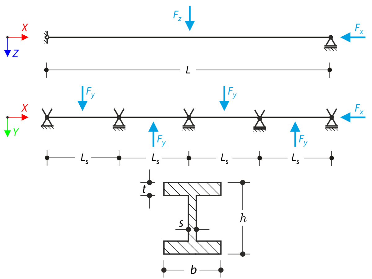
  • VE0213 | Flessione spaziale con forza assiale e ingobbamento
Condividi