Descrizione
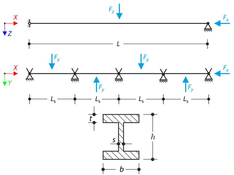
La trave continua con quattro campate è caricata da forze assiali e di flessione (sostituzione delle imperfezioni). Tutti i vincoli esterni sono a forcella - l'ingobbamento è libero. Determina gli spostamenti uy e uz, i momenti My, Mz, Mω e MTpri e la rotazione φx. L'esempio di verifica si basa sull'esempio introdotto da Gensichen e Lumpe (vedere il riferimento).
| Materiale | Acciaio S355 | Modulo di elasticità | E | 210000,000 | MPa |
| Modulo di taglio | [LinkToImage01] | 81000,000 | MPa | ||
| Geometria | Trave | Durata | [LinkToImage01] | 12,000 | m |
| campata | Ls | 3,000 | m | ||
| Sezione trasversale | Altezza | h | 400,000 | mm | |
| Larghezza | b | 180,000 | mm | ||
| Spessore dell'anima | s | 10,000 | mm | ||
| spessore dell'ala | t | 14,000 | mm | ||
| Carico | Forze trasversali | Fy, Fz | 31,000 | kN | |
| forza assiale | Fx | 1550,000 | kN | ||
Soluzione analitica
La soluzione analitica non è disponibile. I risultati del software S3D sono presi come riferimento.
Impostazioni di RFEM e RSTAB
- Modellato in RFEM 6.05, RSTAB 9.05
- La dimensione dell'elemento è lFE = 0,300 m
- Viene utilizzato il modello di materiale elastico lineare isotropo
- Viene utilizzata l'analisi del secondo ordine e l'analisi a grandi spostamenti
- L'ingobbamento torsionale è utilizzato in RFEM 6 e RSTAB 9
Risultati
| Quantità | S3D | RFEM 6 - Analisi del secondo ordine | Rapporto | RFEM 6 - Analisi a grandi spostamenti | Rapporto |
| uy,max [mm] | 12,600 | 13,334 | 1,058 | 13,242 | 1,051 |
| uz,max [mm] | 45,200 | 44,675 | 0,988 | 46,989 | 1,040 |
| φx,max [mrad] | 11,750 | 12,701 | 1,081 | 12,389 | 1,054 |
| My,max [kNm] | 163,000 | 162,084 | 0,994 | 165,738 | 1,017 |
| Mz,max [kNm] | 44,000 | 46,077 | 1,047 | 45,131 | 1,026 |
| MTpri,max [kNm] | 47,000 | 49,000 | 1,043 | 47,930 | 1,020 |
| MTsec,max [kNm] | 172,000 | 224,071 | 1,303 | 118,061 | 0,686 |
| Mω,max [kNm2 ] | 1,440 | 1,530 | 1,063 | 1,500 | 1,042 |
Nota: Questo esempio di verifica non è ora disponibile nell'analisi a grandi spostamenti in RSTAB 9.
| Quantità | S3D | RSTAB 9 - Analisi del secondo ordine | Rapporto | RSTAB 9 - Analisi a grandi spostamenti | Rapporto |
| uy,max [mm] | 12,600 | 13,339 | 1,059 | - | - |
| uz,max [mm] | 45,200 | 44,660 | 0,988 | - | - |
| φx,max [mrad] | 11,750 | 12,845 | 1,093 | - | - |
| My,max [kNm] | 163,000 | 162,064 | 0,994 | - | - |
| Mz,max [kNm] | 44,000 | 45,251 | 1,028 | - | - |
| MTpri,max [kNm] | 47,000 | 49,435 | 1,052 | - | - |
| MTsec,max [kNm] | 172,000 | 137,759 | 0,801 | - | - |
| Mω,max [kNm2 ] | 1,440 | 1,536 | 1,067 | - | - |