KB 1900 | Effetto di apertura nei collegamenti a ali di sezioni cave circolari
KB 1900 | Effetto di apertura nei collegamenti a ali di sezioni cave circolari
2024-09-20
052649
  • RFEM 6
  • Eurocode 3

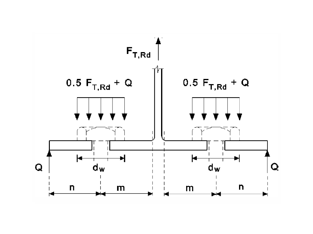
Figura 6.2. in EC 3 [1]

KB 1900 | Effetto di apertura nei collegamenti a ali di sezioni cave circolari

Usato in
  • Effetto leva nei collegamenti con flange di sezioni cave circolari!
Condividi