3290x
001900
2024-09-18

Effetto leva nei collegamenti con flange di sezioni cave circolari!

Questo articolo discute e confronta l'effetto leva in tre tipi di collegamenti: un collegamento con una flangia ad anello, una flangia cieca d'estremità e una flangia a anello irrigidita.

Alcuni dei nostri recenti articoli della Knowledge Base si sono concentrati sulla modellazione di aste con sezioni cave circolari e sui loro collegamenti utilizzando RFEM 6 e il corrispondente add-on Giunti acciaio. Due di questi, KB 1887 e KB 1899, hanno mostrato come modellare alcune di queste connessioni.

Il primo articolo ha mostrato come modellare un semplice collegamento a flangia di estremità di due elementi con sezioni cave circolari (cioè un collegamento con una flangia ad anello), mentre il secondo mostra come modellare gli stessi collegamenti, ma irrigiditi con nervature. Nell'immagine 1, sono mostrati entrambi i collegamenti, il primo sotto a) e il secondo sotto b).

Tuttavia, durante la modellazione e la progettazione di tali giunti, dobbiamo considerare alcuni aspetti importanti che potrebbero influenzare le loro prestazioni. Uno di questi è l'instabilità degli elementi di fissaggio a causa delle forze di trazione. Questa forza è causata dalla flessione della flangia d'estremità e può portare ad un aumento della tensione del bullone e deformazioni plastiche. I giunti sopra menzionati sono esempi di giunti in acciaio che sono suscettibili a questo effetto leva, in quanto sono giunti con una flangia di estremità in cui i bulloni si trovano all'esterno della sezione trasversale collegata.

L'add-on Giunti acciaio di Dlubal puoi catturare con precisione l'effetto leva e includerlo nei risultati del modello numerico (ovvero, forze sui bulloni, deformazione plastica delle piastre collegate, deformazione complessiva del collegamento). Pertanto, sarebbe interessante studiare e confrontare questo effetto nei giunti flangiati sopra menzionati, come sarà fatto in questo articolo.

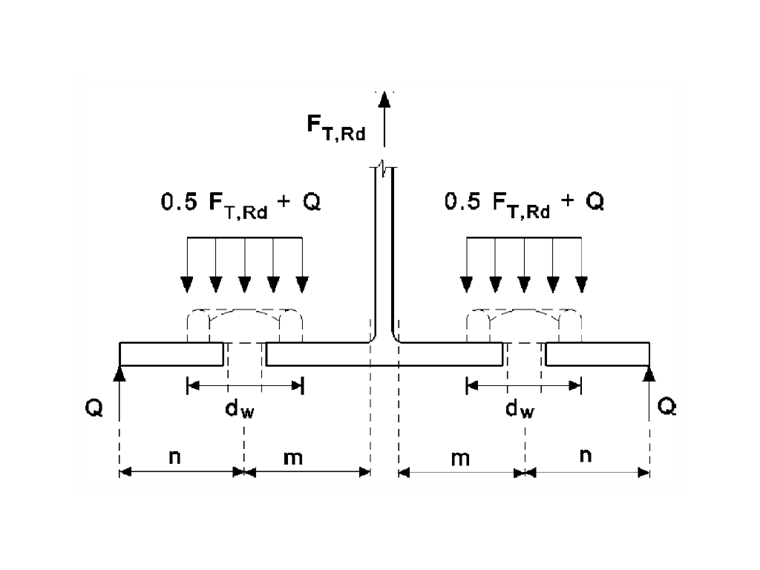
Ma prima diamo un'occhiata a come questo problema viene affrontato nei codici di progettazione; più precisamente, nell'Eurocodice 3 [1]. Secondo la EC 3, Sezione 6) di 6.2.4.1, nei casi in cui possono verificarsi forze di leva, la resistenza a trazione di progetto di una flangia T-stub dovrebbe essere considerata come il valore più piccolo per le tre possibili modalità di rottura:

  • Modalità 1: Snervamento completo della flangia
  • Modalità 2: Rottura del bullone con snervamento della flangia
  • Modalità 3: Rottura del bullone

Ciascuno di questi modi è dettagliato nella Tabella 6.2 di EC 3 [1]. Una breve descrizione del concetto è data nell'immagine 2, dove:

Q Forza di leva, cioè la forza di contatto che può verificarsi tra il bordo libero e la fila di bulloni, applicata come risultante della pressione superficiale nello spazio di contatto nel punto di contorno dell'ala del tronchetto
FT,Rd Resistenza a trazione di progetto di una flangia T-stub
dw Diametro della rondella o larghezza attraverso i punti della testa del bullone o del dado, a seconda dei casi
n, m Distanze come indicato nella figura

Prima di procedere, dobbiamo anche determinare quali fattori influenzano l'effetto leva. Queste sarebbero la distanza del bullone dalla sezione trasversale, la rigidezza e la geometria della piastra di estremità, la deformazione del bullone e la soluzione di saldatura.

Con queste premesse, possiamo ora considerare l'effetto leva nelle due varianti di collegamenti a flangia del profilo CHS menzionate all'inizio di questo testo. Per ampliare la considerazione dell'argomento, aggiungiamo un'altra variante: vale a dire, considereremo anche l'effetto leva in una flangia di estremità completa senza apertura, come mostrato nell'immagine 3.

Come accennato in precedenza, l'add-on Giunti acciaio di Dlubal può catturare realisticamente l'effetto leva e includerlo nei risultati del modello numerico. Pertanto, possiamo creare questi collegamenti (immagini 4, 5 e 6) in RFEM 6 e sottoporre il modello a una forza di trazione di 300 kN, come mostrato nell'immagine 7.




Quindi, possiamo eseguire il calcolo e ottenere le forze nei bulloni come mostrato nell'immagine 8.

Per confrontare il comportamento delle tre varianti, vengono utilizzati i coefficienti dell'effetto leva, che sono espressi come il rapporto tra la forza totale nei bulloni e la forza applicata. Una volta che il primo è stato determinato come mostrato nell'immagine 8, l'effetto leva per ciascuna delle varianti può essere calcolato facilmente, come mostrato nella Tabella 1.

Variante Forza di trazione applicata [kN] Forza totale di grassetto [kN] kRFEM,1
1. Flangia ad anello 300 515,3 1.72
2. Flangia cieca di estremità 300 423,8 1.41
3. Flangia ad anello irrigidita 300 300 1

I coefficienti di leva determinati nella Tabella 1 mostrano chiaramente che l'instabilità è la più alta nel giunto quando si utilizzano flange ad anello. Possiamo anche vedere che una piastra d'estremità cieca fornisce un certo rilievo, mentre gli irrigidimenti alleviano in modo affidabile i bulloni dalle forze di leva e riducono la deformazione plastica della piastra d'estremità. Poiché abbiamo già determinato quali parametri influenzano l'instabilità, possiamo concludere che per ridurre/eliminare questo effetto, sarebbero necessari una flangia d'estremità spessa e diametri dei bulloni più grandi per la prima variante quando si utilizzano le flange ad anello.

D'altra parte, la flangia d'estremità con la flangia a anello irrigidita (cioè la variante 3) rimarrebbe più sottile, ma dobbiamo considerare che gli irrigidimenti dovrebbero essere saldati, il che aumenta il costo del giunto. Se l'effetto leva è piccolo, potrebbe non valere la pena saldare gli irrigidimenti. Tuttavia, se questo effetto è significativo, potrebbe non esserci altra opzione che rinforzare il giunto. Poiché entrambi gli scenari hanno un impatto sui costi di produzione, dobbiamo essere in grado di scegliere la soluzione ottimale per ridurre al minimo i costi di produzione mantenendo le buone prestazioni del giunto.

Conclusione

La progettazione ottimale dei giunti gioca un ruolo importante nella progettazione di strutture in acciaio. Pertanto, è fondamentale comprendere e considerare attentamente gli aspetti rilevanti per la progettazione dei collegamenti in queste strutture. L'effetto leva è uno dei fenomeni dannosi che non possono essere trascurati durante la progettazione di giunti bullonati. Nella maggior parte dei casi, nei tipi di giunti che sono inclini a fare leva, come quelli discussi in questo articolo, parametri come lo spessore della piastra, il numero e il diametro dei bulloni e così via, sono determinati da questo effetto. Questo perché questi parametri influenzano l'effetto leva e devono essere scelti in modo tale che, da un lato, riducano questo effetto, ma dall'altro contribuiscano anche alla progettazione ottimale del giunto (ad esempio, in termini di costo di produzione).


Autore

La signora Kirova è responsabile della creazione di articoli tecnici e fornisce supporto tecnico ai clienti Dlubal.

Bibliografia


;