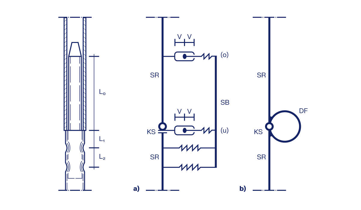
Analisi delle proprietà del modello strutturale e della sovrapposizione del giunto, illustrata nella Newsletter DIBt 04/2017.
Analisi delle proprietà del modello strutturale e della sovrapposizione del giunto, illustrata nella Newsletter DIBt 04/2017.
2025-11-12
060083
  • RFEM 6

Giunto di sovrapposizione da modello strutturale (in conformità con DIBt Newsletter 04/2017)

Analisi delle proprietà del modello strutturale e della sovrapposizione del giunto, illustrata nella Newsletter DIBt 04/2017.

Usato in
  • Modellazione e verifica di giunti di impalcature con il modello strutturale ibrido secondo DIBt Newsletter 4/2017 in RFEM 6 / RSTAB 9
Condividi