178x
002006
2026-03-04

Modellazione e verifica di giunti di impalcature con il modello strutturale ibrido secondo DIBt Newsletter 4/2017 in RFEM 6 / RSTAB 9

In questo articolo tecnico scoprirete come modellare e calcolare i giunti dei montanti dei ponteggi in RFEM 6 / RSTAB 9 secondo la newsletter DIBt 4/2017.

Per la realizzazione di molti progetti edilizi sono necessari ponteggi, siano essi ponteggi di lavoro, portanti o di protezione. Per garantire stabilità, funzionalità e sicurezza, le norme, come ad es. la EN 12810 e 12811, impongono requisiti specifici a progettazione, dimensionamento ed esecuzione dei ponteggi.

Un aspetto essenziale nella modellazione e nel dimensionamento di tali ponteggi è la rappresentazione realistica dei giunti dei montanti. A tal fine, la DIBt Newsletter 04/2017 [1] fornisce una guida pratica.

Di seguito vengono illustrati i principi di modellazione per i giunti dei ponteggi secondo la DIBt Newsletter. Successivamente, sulla base di un esempio applicativo, viene mostrata la modellazione e il dimensionamento di un giunto di montante in RFEM 6 / RSTAB 9.

Modello di giunto del ponteggio secondo la DIBt Newsletter 04/2017

I giunti dei montanti dei ponteggi presentano un comportamento deformativo fortemente non lineare sotto combinazione di flessione e forza assiale. Per rappresentare realisticamente tali nonlinearità, in [1] sono previsti diversi modelli strutturali. Nel seguito vengono analizzati più in dettaglio i modelli strutturali per i giunti di montante di tipo A. I giunti di montante di tipo B devono di norma essere valutati sulla base di risultati di prove e non sono trattati in questo contributo tecnico. I tipi A e B distinguono due diversi metodi di fabbricazione dei giunti di montante. Nel tipo A il perno di giunzione viene pressato nel tubo del montante con collegamento a incastro. Nel tipo B il perno di giunzione viene formato direttamente dal tubo del montante stesso.

Modello strutturale del giunto di sovrapposizione tipo A

Il modello strutturale del giunto di sovrapposizione tiene conto del gioco di rotazione nel giunto del montante, cioè del gioco tra il perno di giunzione e il successivo tubo del montante. In presenza di un momento flettente agente, il gioco di rotazione deve innanzitutto essere superato prima che il momento flettente possa essere effettivamente trasmesso.

L'angolo massimo di snervamento dovuto al gioco di rotazione viene calcolato con la seguente formula.

Dove vo/u è la misura di disassamento, che a sua volta può essere calcolata con la seguente formula.

con:
Do/u...diametro esterno del tubo del montante al bordo superiore o inferiore del giunto di sovrapposizione
to/u...spessore della parete del tubo del montante al bordo superiore o inferiore del giunto di sovrapposizione
do/u...diametro esterno del perno di giunzione al bordo superiore o inferiore del giunto di sovrapposizione

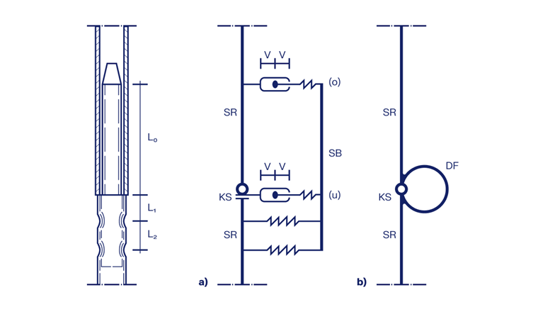
La seguente figura mostra il giunto di sovrapposizione come modello dettagliato (a) e modello semplificato (b).

  • SR...tubo del montante
  • KS...giunto di contatto
  • SB...perno di giunzione
  • DF...molla torsionale

In funzione della misura di disassamento v e della lunghezza di sovrapposizione efficace L0, l'angolo massimo di snervamento per gioco phiLose può essere calcolato secondo l'equazione sopra. Fino al raggiungimento dell'angolo massimo di snervamento per gioco non avviene alcuna trasmissione di momento nel giunto del montante. Dopo il raggiungimento dell'angolo massimo di snervamento per gioco, la trasmissione del momento avviene con la rigidezza della molla torsionale CSB,d fino a un angolo di rotazione massimo phimax. In [1] viene indicata una rigidezza della molla torsionale di CSB,d = 10000 kNcm/rad. A seconda dell'omologazione tecnica del componente possono risultare anche altri valori determinanti.

La massima resistenza a flessione del perno di giunzione nel modello strutturale del giunto di sovrapposizione è indicata con MSB,Rd e la massima capacità portante a sforzo normale con NKS,Rd.

Modello strutturale del giunto di contatto tipo A

Il modello strutturale del giunto di contatto tiene conto della trasmissione degli sforzi nella superficie di contatto tra tubo del montante superiore e inferiore. In questo caso, è necessario considerare l'interazione tra forza assiale agente e momento flettente.

L'accoppiamento dei tubi del montante in questo modello strutturale può essere assunto come rigido.

La massima capacità portante a momento flettente MKS,Rd viene raggiunta nel modello strutturale del giunto di contatto in presenza simultanea di una determinata forza assiale di compressione. Se la forza assiale di compressione agente è troppo piccola, a seguito della flessione si forma precocemente una fessura aperta, che con l'aumento delle dimensioni porta alla perdita di equilibrio del modello strutturale del giunto di contatto. Una forza assiale di compressione troppo elevata, invece, porta a un superamento precoce delle tensioni nel giunto di contatto a seguito della combinazione di flessione e forza assiale.

In caso di superamento della massima capacità portante a forza assiale NKS,Rd o della massima capacità portante a momento flettente MKS,Rd, la validità del modello strutturale del giunto di contatto termina. Fa eccezione il caso in cui la forza assiale agente sia inferiore al 50% della massima resistenza a forza assiale. In questo caso, dopo il raggiungimento della massima capacità portante a momento flettente è consentita una rotazione relativa aggiuntiva dei tubi del montante di phigrenz = 0,01 rad.

Modello strutturale ibrido tipo A

Per una modellazione economica e realistica dei giunti di montante, le proprietà dei due modelli strutturali presentati possono essere combinate in un modello strutturale ibrido. Nel modello strutturale ibrido, la trasmissione degli sforzi avviene inizialmente con collegamento rigido secondo il modello strutturale del giunto di contatto. Al raggiungimento di M,KS,Rd avviene il passaggio al modello strutturale del giunto di sovrapposizione. Può essere assorbito un momento flettente aggiuntivo pari a MSB,Rd, in seguito al quale si verifica una rotazione relativa dei tubi del montante.

L'interazione M-N-phi del modello strutturale ibrido può essere rappresentata dal seguente diagramma.

Modellazione in RFEM 6 / RSTAB 9

Le proprietà del modello strutturale sopra descritte per i giunti di montante di tipo A possono essere rappresentate in modo realistico in RFEM 6 o RSTAB 9 mediante uno speciale tipo di nonlinearità "Ponteggio N" per cerniere di estremità delle aste. La cerniera del ponteggio influenza le condizioni di vincolo ux, phiy e phiz. Se si seleziona la cerniera del ponteggio, compaiono due ulteriori schede. Nella scheda "Diagramma del ponteggio | Tubo interno" si definiscono le proprietà del modello strutturale del giunto di sovrapposizione. Nella scheda "Diagramma del ponteggio | Tubo esterno" si definiscono le proprietà del modello strutturale del giunto di contatto.

Esempio applicativo

Di seguito viene eseguita a titolo di esempio la modellazione e il dimensionamento di un giunto di montante secondo l'omologazione edilizia Z-8.22-921 del DIBt [2].

Sono noti i seguenti parametri:

Geometria:
Parameter Symbol Wert
Diametro tubo esterno D 48,3 mm
Spessore parete tubo esterno t 3,2 mm
Diametro tubo interno d 38 mm
Spessore parete tubo interno ti 4 mm
Lunghezza di sovrapposizione efficace statica L0 200 mm
Dimensione vite -- M12

Caratteristiche del materiale:
Parameter Symbol Wert
Limite di snervamento del materiale del montante fy,d 0,32 kN/mm2
Classe della vite -- 10.9

Sollecitazioni interne:
Parameter Symbol Wert
Forza assiale di compressione NEd (-) -80 kN
Forza assiale di trazione NEd (+) 20 kN
Momento flettente MEd 70 kNcm

Resistenze:
Parameter Symbol Wert
Rigidezza della molla torsionale CSB,d 9290 kNcm/rad
Resistenza a compressione NKS,Rd 83,2 kN
Resistenza a trazione ZRd 42,5 kN
Resistenza a flessione del perno di giunzione MSB,Rd 85,3 kNcm

Modellazione della cerniera del ponteggio

Per la definizione del "Diagramma del ponteggio | Tubo interno" in RFEM 6 / RSTAB 9 sono necessari i seguenti valori:

  • L'angolo massimo di snervamento dovuto al gioco di rotazione phiLose

con

  • La resistenza a flessione nel perno di giunzione MSB,Rd
  • L'angolo massimo di snervamento nel giunto di montante phimax

Con queste informazioni, il "Diagramma del ponteggio | Tubo interno" può essere definito come mostrato nella figura seguente.

Per la definizione del "Diagramma del ponteggio | Tubo esterno" in RFEM 6 è necessario determinare la resistenza a flessione nel giunto di contatto in funzione della forza assiale agente. A tal fine occorre innanzitutto determinare il massimo momento trasmissibile tramite KS MKS,max secondo la seguente equazione:

La resistenza a flessione MKS,Rd in funzione della forza assiale agente si calcola quindi come segue (qui a titolo di esempio con valori inseriti per una forza assiale agente di 80 kN e una resistenza a compressione secondo omologazione di 83,2 kN):

Dalla funzione MKS,Rd(NKS,Ed) è quindi possibile ricavare il "Diagramma del ponteggio | Tubo esterno" secondo la figura seguente.

Con ciò l'inserimento è completo e il comportamento carico-deformazione della cerniera del ponteggio in RFEM 6 è rappresentato in modo realistico.

Dimensionamento del giunto di montante

Successivamente occorre verificare la capacità portante del giunto di montante sotto le sollecitazioni interne agenti NEd (-) = -80 kN, NEd (+) = 20 kN e MEd = 70 kNcm. A tal fine, secondo la DIBt Newsletter, la capacità portante a momento e a forza assiale deve essere verificata secondo le seguenti equazioni:

La resistenza a flessione MKS,Rd = 6,51 kNcm può essere letta direttamente dal "Diagramma del ponteggio | Tubo esterno" (vedere figura sopra).

Inoltre, secondo l'omologazione [2], la capacità portante in presenza di trazione deve essere verificata secondo la seguente equazione:

Conclusione

Sono stati illustrati i modelli strutturali per i giunti di montante dei ponteggi secondo [1]. L'inserimento delle cerniere del ponteggio in RFEM 6 o RSTAB 9 è stato spiegato sulla base di un esempio applicativo. Considerando il comportamento non lineare carico-deformazione della cerniera del ponteggio, è possibile garantire un calcolo delle sollecitazioni interne realistico. Successivamente è stata verificata la capacità portante del giunto di montante secondo l'omologazione edilizia.


Autore

Il signor Wanke fornisce supporto tecnico per i clienti di Dlubal Software.

Bibliografia


;