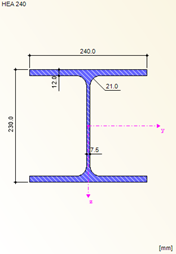
Przekrój belki HEA 240, S355
Przekrój belki HEA 240, S355
2024-05-30
009027
  • RFEM 5
  • RSTAB 8
  • RF-STEEL EC3 5
    • STEEL EC3 8
    • Konstrukcje stalowe
    • Eurocode 3

Przekrój belki HEA 240, S355

Wykorzystano w
  • Wymiarowanie przekroju belki dwuprzęsłowej
Udostępnij