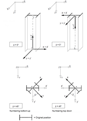
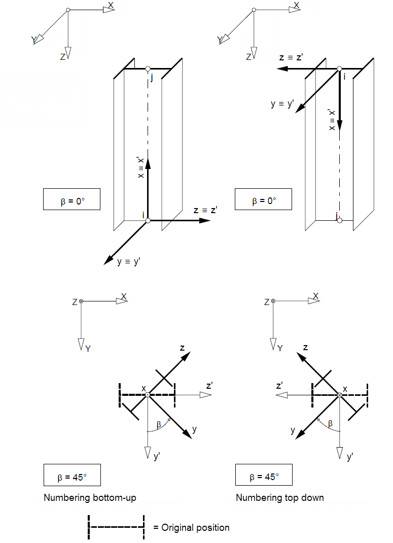
Stab in vertikaler Lage mit Stabdrehwinkel von 0° und 45°
Stab in vertikaler Lage mit Stabdrehwinkel von 0° und 45°
2024-05-30
009538
  • RFEM 5
  • RSTAB 8

Stab in vertikaler Lage mit Stabdrehwinkel von 0° und 45°

Wykorzystano w
  • kąt obrotu pręta
Udostępnij