Belka rozwidlona z rozproszonym obciążeniem (Źródło: [3])
Pęknięcia na belkach z drewna klejonego warstwowo (Źródło: [4])
Ausweichen des Trägers
Geometrie des Trägers
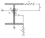
Wprowadzenie obciążenia mimośrodowego w RF-/FE-LTB
Ciągłe sprężyny (z RF-/FE-LTB)
mechanizm zniszczenia
momenty skręcające
Moment skręcający w RX-TIMBER Glulam
Belka rozwidlona z rozproszonym obciążeniem (Źródło: [3])
Pęknięcia na belkach z drewna klejonego warstwowo (Źródło: [4])
Ausweichen des Trägers
Geometrie des Trägers
Wprowadzenie obciążenia mimośrodowego w RF-/FE-LTB
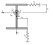
Ciągłe sprężyny (z RF-/FE-LTB)
mechanizm zniszczenia
momenty skręcające
Moment skręcający w RX-TIMBER Glulam
2024-05-30
009690
  • RFEM 5
  • RSTAB 8
  • RF-FE-LTB 5
    • FE-LTB 8
    • Belka z drewna klejonego warstwowo RX-TIMBER 2
    • Konstrukcje drewniane
    • Analiza stateczności
    • Eurocode 5

Belka rozwidlona z rozproszonym obciążeniem (Źródło: [3])

Wykorzystano w
  • Wymiarowanie skrętne belek z drewna klejonego warstwowo
Udostępnij
2024-05-30
009691
  • RFEM 5
  • RSTAB 8
  • RF-FE-LTB 5
    • FE-LTB 8
    • Belka z drewna klejonego warstwowo RX-TIMBER 2
    • Konstrukcje drewniane
    • Analiza stateczności
    • Eurocode 5
Pęknięcia na belkach z drewna klejonego warstwowo (Źródło: [4])
Wykorzystano w
  • Wymiarowanie skrętne belek z drewna klejonego warstwowo
Udostępnij
2024-05-30
009692
  • RFEM 5
  • RSTAB 8
  • RF-FE-LTB 5
    • FE-LTB 8
    • Belka z drewna klejonego warstwowo RX-TIMBER 2
    • Konstrukcje drewniane
    • Analiza stateczności
    • Eurocode 5
Ausweichen des Trägers
Wykorzystano w
  • Wymiarowanie skrętne belek z drewna klejonego warstwowo
Udostępnij
2024-05-30
009693
  • RFEM 5
  • RSTAB 8
  • RF-FE-LTB 5
    • FE-LTB 8
    • Belka z drewna klejonego warstwowo RX-TIMBER 2
    • Konstrukcje drewniane
    • Analiza stateczności
    • Eurocode 5
Geometrie des Trägers
Wykorzystano w
  • Wymiarowanie skrętne belek z drewna klejonego warstwowo
Udostępnij
2024-05-30
009694
  • RFEM 5
  • RSTAB 8
  • RF-FE-LTB 5
    • FE-LTB 8
    • Belka z drewna klejonego warstwowo RX-TIMBER 2
    • Konstrukcje drewniane
    • Analiza stateczności
    • Eurocode 5
Wprowadzenie obciążenia mimośrodowego w RF-/FE-LTB
Wykorzystano w
  • Wymiarowanie skrętne belek z drewna klejonego warstwowo
Udostępnij
2024-04-19
009695
  • RFEM 5
  • RSTAB 8
  • RF-FE-LTB 5
    • FE-LTB 8
    • Belka z drewna klejonego warstwowo RX-TIMBER 2
    • Konstrukcje drewniane
    • Analiza stateczności
    • Eurocode 5
Ciągłe sprężyny (z RF-/FE-LTB)
Wykorzystano w
  • Wymiarowanie skrętne belek z drewna klejonego warstwowo
Udostępnij
2024-04-19
009696
  • RFEM 5
  • RSTAB 8
  • RF-FE-LTB 5
    • FE-LTB 8
    • Belka z drewna klejonego warstwowo RX-TIMBER 2
    • Konstrukcje drewniane
    • Analiza stateczności
    • Eurocode 5
mechanizm zniszczenia
Wykorzystano w
  • Wymiarowanie skrętne belek z drewna klejonego warstwowo
Udostępnij
2024-04-19
009697
  • RFEM 5
  • RSTAB 8
  • RF-FE-LTB 5
    • FE-LTB 8
    • Belka z drewna klejonego warstwowo RX-TIMBER 2
    • Konstrukcje drewniane
    • Analiza stateczności
    • Eurocode 5
momenty skręcające
Wykorzystano w
  • Wymiarowanie skrętne belek z drewna klejonego warstwowo
Udostępnij
2024-05-30
009698
  • RFEM 5
  • RSTAB 8
  • RF-FE-LTB 5
    • FE-LTB 8
    • Belka z drewna klejonego warstwowo RX-TIMBER 2
    • Konstrukcje drewniane
    • Analiza stateczności
    • Eurocode 5
Moment skręcający w RX-TIMBER Glulam
Wykorzystano w
  • Wymiarowanie skrętne belek z drewna klejonego warstwowo
Udostępnij