Przykład weryfikacji 000105 | 2
  • 3D Viewer
  • 3D Viewer | Babylon
  • Wirtualna rzeczywistość
Equivalent Loads
  • 3D Viewer
  • 3D Viewer | Babylon
  • Wirtualna rzeczywistość
Przykład weryfikacji 000105 | 2
Equivalent Loads
2024-03-09
010641
  • RFEM 5
  • RSTAB 8

Przykład weryfikacji 000105 | 2

Wykorzystano w
  • Przykład weryfikacji 000105 | 2
Model 3D
Więcej o modelu 3D
  • Przykład weryfikacji 000105 | 2
Specyfikacje
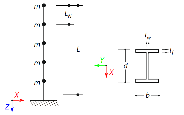
Liczba węzłów 6
Liczba prętów 5
Ilość przypadków obciążenia 6
Liczba kombinacji wyników 1
Ciężar całkowity 0,211 t
Wymiary (metryczne) 0,313 x 0,313 x 5,156 m
Wymiary (imperialne) 1.03 x 1.03 x 16.92 feet
Wersja programu 8.05.00
Udostępnij
0001-01-01
007478
Equivalent Loads
Wykorzystano w
  • Obciążenia zastępcze
Model 3D
Więcej o modelu 3D
  • Przykład weryfikacji 000105 | 2
Specyfikacje
Liczba węzłów 6
Liczba prętów 5
Ilość przypadków obciążenia 6
Liczba kombinacji wyników 1
Ciężar całkowity 0,211 t
Wymiary (metryczne) 0,313 x 0,313 x 5,156 m
Wymiary (imperialne) 1.03 x 1.03 x 16.92 feet
Wersja programu 8.05.00
Udostępnij